电脑桌面
添加小米粒文库到电脑桌面
安装后可以在桌面快捷访问

工程建设重大安全事故快报表单及填写说明VIP免费

工程建设重大安全事故快报表单及填写说明_第1页
1/9
工程建设重大安全事故快报表单及填写说明_第2页
2/9
工程建设重大安全事故快报表单及填写说明_第3页
3/9
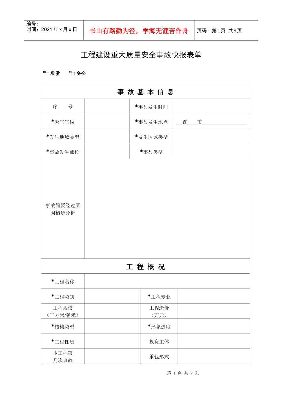
第1页共9页编号:时间:2021年x月x日书山有路勤为径,学海无涯苦作舟页码:第1页共9页工程建设重大质量安全事故快报表单*□质量*□安全事故基本信息序号*事故发生时间*天气气候*事故发生地点省市*发生地域类型*发生区域类型*事故发生部位*事故类型事故简要经过原因初步分析工程概况*工程名称*工程类别*工程专业工程规模(平方米/延米)工程造价(万元)*结构类型*形象进度*工程性质投资主体本工程第几次事故承包形式第2页共9页第1页共9页编号:时间:2021年x月x日书山有路勤为径,学海无涯苦作舟页码:第2页共9页开工日期计划竣工日期基本建设程序履行情况□立项□用地许可证□规划许可证□招标投标□施工图审查□施工许可证□质量监督□安全监督负责该工程安全生产监管单位*建设单位名称资质证书编号资质等级勘察单位名称资质证书编号资质等级设计单位名称资质证书编号资质等级*监理单位名称资质证书编号资质等级监理总监姓名注册证书编号资质等级施工总承包单位*名称资质等级企业性质资质证书编号安全生产许可证编号法定代表人安全考核合格证编号项目经理姓名安全考核合格证编号专职安全人员姓名安全考核合格证编号本年度第几次事故企业注册地省市专业施工分包单位*名称资质等级企业性质资质证书编号安全生产许可证编号法定代表人安全生产考核合格证编号项目经理姓名安全生产考核合格证编号专职安全人员姓名安全生产考核合格证编号本年度第几次事故企业注册地省市劳务承包*名称资质等级企业性质第3页共9页第2页共9页编号:时间:2021年x月x日书山有路勤为径,学海无涯苦作舟页码:第3页共9页资质证书编号安全生产许可证编号法定代表人安全生产考核合格证编号项目经理姓名安全生产考核合格证编号专职安全人员姓名安全生产考核合格证编号本年度第几次事故企业注册地省市事故人员伤亡情况*死亡人员数量(人)*重伤人员数量(人)总人数施工人员人数非施工人员人数总人数施工人员人数非施工人员人数施工伤亡人员情况姓名性别年龄工种用工形式文化程度从业时间承包形式伤亡情况备注:加*的项目为第一次快报必填项。第4页共9页第3页共9页编号:时间:2021年x月x日书山有路勤为径,学海无涯苦作舟页码:第4页共9页工程建设重大质量安全事故快报上报表单填写说明1、质量事故在“质量”栏里打勾,安全事故在“安全”栏里打勾。2、序号:系统根据已定规则自动生成。3、事故发生时间:24小时制,填写至分钟。4、天气气候:填写事故发生当天的天气情况,如阴、晴、雨、雪、雾、风。5、事故发生地点:填写至事故发生的具体地点,省(自治区、直辖市)、市(地区、州、盟)、县(市、区、镇)、乡(镇、街道)。6、发生地域类型:直辖市(计划单列市)及省会城市、地级城市、县级城市(含县城关镇)、村镇(指村庄和集镇),用以了解事故发生地域的城市或乡村类别。7、发生区域类型:各类园区(高校园区、工业科技园区、经济开发区)、非园区,用以了解发生事故的区域是否在各类园区。第5页共9页第4页共9页编号:时间:2021年x月x日书山有路勤为径,学海无涯苦作舟页码:第5页共9页8、事故类型:物体打击、车辆伤害、机具伤害、起重伤害、触电、高处坠落、坍塌、中毒和窒息、火灾和爆炸、淹溺、其他,按事故发生的第一诱因填写。9、事故发生部位:土石方工程、基坑、模板、脚手架、洞口和临边、井架及龙门架、塔吊、外用电梯、施工机具、现场临时用电线路、外电线路、墙板结构、临时设施、其他。拆除工程部位填写墙板结构,现场办公室、宿舍、食堂及围墙等的事故填写临时设施。10、事故简要经过及原因初步分析:要求能够叙述清楚事故发生过程,并初步分析事故发生的主要原因。11、工程名称:填写施工合同上的工程名称。12、工程类别:新建工程、改扩建工程、拆除工程。13、工程专业:房屋建筑工程、市政基础设施工程、交通工程、水利工程、铁道工程、冶金工程、电力工程、港湾工程、其他工程。14.工程规模:按工程的实际情况或按施工合同中的建筑面积或延米填写。15.工程造价:根据施工合同中的合同价款或实际造价填写。16.结构类型:混砖结构、混凝土结构、钢结构、其他。17.形象进度:施...

1、当您付费下载文档后,您只拥有了使用权限,并不意味着购买了版权,文档只能用于自身使用,不得用于其他商业用途(如 [转卖]进行直接盈利或[编辑后售卖]进行间接盈利)。
2、本站所有内容均由合作方或网友上传,本站不对文档的完整性、权威性及其观点立场正确性做任何保证或承诺!文档内容仅供研究参考,付费前请自行鉴别。
3、如文档内容存在违规,或者侵犯商业秘密、侵犯著作权等,请点击“违规举报”。

碎片内容

工程建设重大安全事故快报表单及填写说明

您可能关注的文档

确认删除?
VIP
微信客服
  • 扫码咨询
会员Q群
  • 会员专属群点击这里加入QQ群
客服邮箱
回到顶部