电脑桌面
添加小米粒文库到电脑桌面
安装后可以在桌面快捷访问

水运工程项目安全督查检查表XXXX0505VIP免费

水运工程项目安全督查检查表XXXX0505_第1页
1/10
水运工程项目安全督查检查表XXXX0505_第2页
2/10
水运工程项目安全督查检查表XXXX0505_第3页
3/10
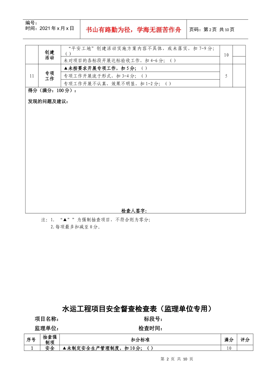
第1页共10页编号:时间:2021年x月x日书山有路勤为径,学海无涯苦作舟页码:第1页共10页水运工程项目安全督查检查表(建设单位专用)项目名称:标段号:建设单位:检查时间:序号抽查强制项扣分标准满分评分1安全保障体系▲未制定安全生产管理制度,扣10分;()10未按照管理制度开展工作,或未建立工程项目安全生产管理体系,或未落实相关岗位职责,扣7-9分;()未成立专职安全管理机构,或未配备专职安全管理人员,扣4-6分;()未定期召开项目安全例会,扣4-6分;()2安全生产责任制▲未制定安全生产责任制及考核制度,扣10分;()10与施工、监理单位之间,或管理人员层级之间,或部门之间未按年度签订安全生产责任书(状),扣7-9分;()安全生产责任书(状)未与岗位职责相对应,扣4-6分;()安全生产责任制执行结果未进行考核和奖惩,扣1-3分;()3合同工期▲违规压缩合理工期,扣5分;()5合同工期与部相关文件要求不符,扣3-4份;()合同工期与设计文件不符,扣3-4分;()实际工期与合理工期相比,被压缩超过1/3,扣3-4分;()4安全生产费用▲概算中未确定安全生产费用,或未达标,扣10分;()10安全生产费用被挪用,扣7-9分;()未制定安全生产费用支付管理制度,扣4-6分;()安全生产费用未及时支付,扣1-3分;()5招投标安全要求▲招投标文件中未对监理、施工等单位安全生产条件(人员、费用、设备)作出明确要求,扣10分;()10未与中标单位签订安全生产合同,扣7-9分;()安全生产合同不全面,约束性不强,扣4-6分;()安全生产合同责任制不明确,扣1-3分;()6安全生产检查▲未制定安全生产检查考核制度及重大事故隐患治理制度,扣10分;()10未开展隐患排查及挂牌登记工作,未督促从业单位对隐患进行及时整改,扣4-6分;()未定期对从业单位开展安全管理体系及施工现场安全管理进行检查,扣1-3分;()7安全事故报告▲未制定生产安全事故报告制度,扣10分;()10未形成定期统计上报事故的机制,未开展事故统计分析工作,扣4-6分;()8应急预案与保障措施▲未编制项目总体应急预案,扣10分;()10总体预案无针对性或不具可操作,未予各合同段预案联动扣7-9分;()未组织项目各标段开展危险性较大工程的应急演练,扣4-6分;()未组织各合同段开展事故应急知识培训和应急宣传工作,扣1-3分;()9资质条件▲中标施工单位无安全生产许可证,或安全生产许可证过期,扣10分;()10对施工单位项目负责人无有效安全考核证书,扣4-6分;()对施工企业按比例配备专职安全员审查不严,扣1-3分;()10平安工地▲未按要求组织对施工、监理开展“平安工地”创建活动,未制定实施方案,扣10分;()10第2页共10页第1页共10页编号:时间:2021年x月x日书山有路勤为径,学海无涯苦作舟页码:第2页共10页注:1.“▲””为强制抽查项目,不符合则为零分;2.每项最多扣减至0分。水运工程项目安全督查检查表(监理单位专用)项目名称:标段号:监理单位:检查时间:序号抽查强制项扣分标准满分评分1安全▲未制定安全生产管理制度,扣10分;()10创建活动“平安工地”创建活动实施方案内容不具体,或未落实,扣7-9分;()10未对项目的各标段开展达标验收工作,扣4-6分;()11专项工作▲未按要求开展专项工作,扣5分;()5专项工作开展流于形式,扣3-4分;()专项工作开展不认真,效果不明显,扣1-2分;()得分(满分:100分):发现的问题及建议:检查人签字:第3页共10页第2页共10页编号:时间:2021年x月x日书山有路勤为径,学海无涯苦作舟页码:第3页共10页保障体系未按照管理制度开展工作,或未建立工程项目安全生产管理体系,或未落实相关岗位职责,扣7-9分;()未配备取得《安全监理培训考试合格证书》的总监理工程师、专职安全监理工程师,扣4-6分;()未定期召开安全例会,未扣4-6分;()2安全监理责任制▲未制定安全监理责任制及考核制度,扣10分;()10管理人员层级之间,部门之间未按年度签订安全生产责任书(状),扣7-9分;()安全生产责任书(状)未与岗位职责相对应,扣4-6分;()安全生产责任制执行结果未进行考核并进...

1、当您付费下载文档后,您只拥有了使用权限,并不意味着购买了版权,文档只能用于自身使用,不得用于其他商业用途(如 [转卖]进行直接盈利或[编辑后售卖]进行间接盈利)。
2、本站所有内容均由合作方或网友上传,本站不对文档的完整性、权威性及其观点立场正确性做任何保证或承诺!文档内容仅供研究参考,付费前请自行鉴别。
3、如文档内容存在违规,或者侵犯商业秘密、侵犯著作权等,请点击“违规举报”。

碎片内容

水运工程项目安全督查检查表XXXX0505

您可能关注的文档

确认删除?
VIP
微信客服
  • 扫码咨询
会员Q群
  • 会员专属群点击这里加入QQ群
客服邮箱
回到顶部