电脑桌面
添加小米粒文库到电脑桌面
安装后可以在桌面快捷访问

某涉外五星酒店洗衣房设备配置预算方案VIP免费

某涉外五星酒店洗衣房设备配置预算方案_第1页
1/9
某涉外五星酒店洗衣房设备配置预算方案_第2页
2/9
某涉外五星酒店洗衣房设备配置预算方案_第3页
3/9
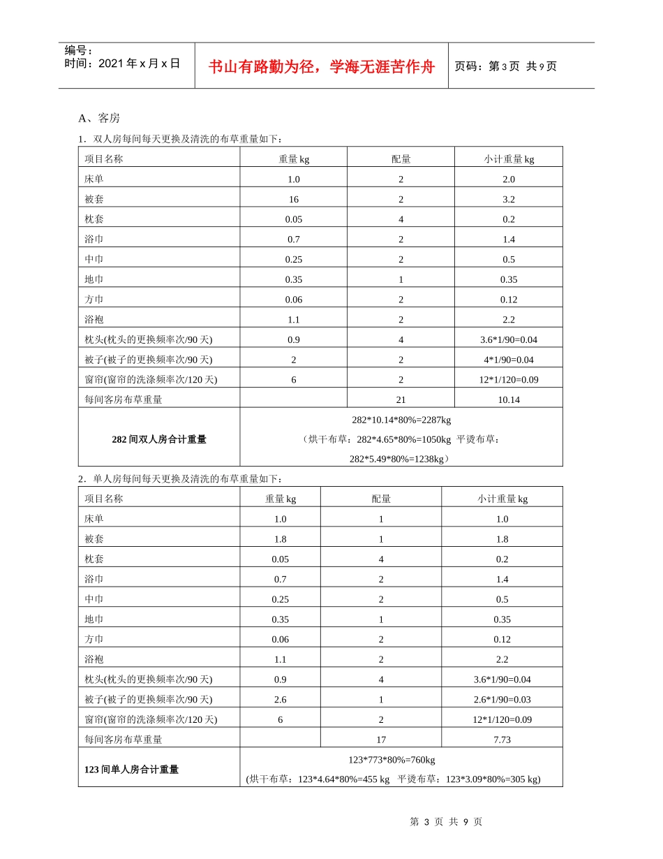
第1页共9页编号:时间:2021年x月x日书山有路勤为径,学海无涯苦作舟页码:第1页共9页档号ReferenceNo:MEMO-RD-2008-008致送To:某某某–总经理发出From:某某某–房务总监抄报Cc:某某某–副总经理抄送Bcc:酒店工程筹建处–某某日期Date:2024年12月7日题目Re:有关酒店洗衣房工作量及设备配置方案根据酒店设计理念及相关资料显示,洗衣房的工作量比较繁重,故前期规划和准备工作要科学合理,达到五星级的要求。因此本部对洗衣房以后的设备配置提出如下方案(请见附表)。此建议妥否?敬请总经理批示。此致!建议人:同意人:批准人:某某某某某某某某某房务总监签署副总经理签署总经理签署xxxx年月日xxxx年月日xxxx年月日附表:内部文函Memo中国,xx省,xx市,xxxx路xxx号,邮编:xxxxxx电话:(xxxx)xxxxxxx传真:(xxxx)xxxxxxxNo.xxx,xxxxRoad,xxxxxxCity,xxxxxProvincexxxxxxP.R.ChinaTel:(xxxx)xxxxxxxFax:(xxxx)xxxxxxxE-mail:mail@xxxxx.cnWebsite:www.xxxxxx.com第2页共9页第1页共9页编号:时间:2021年x月x日书山有路勤为径,学海无涯苦作舟页码:第2页共9页一、酒店各部功能的基本情况A、客房出租率暂按80%预算/天房间数405间(其中双人房282间;单人房123间)每日水洗布草总重量:3047kg(其中烘干布草量:1505kg;平烫布草总量:1542kg)B、餐饮部每天餐位满客率暂按85%预算,每天翻台2.5次(大台布占40%;小台占60%)小台布类型中餐(包括中餐厅、宴会厅、特色餐厅等)西餐厅数量餐位1300人餐位200人C、娱乐部(桑拿)每天按房间出租3次,按85%的出租率预算娱乐部布草量少暂不预算房间数35间/D、员工制服员工出勤率按75%/预算,平均每天洗涤量占总数量的35%计算员工人数1000人/E、客房客衣按405间房85%的出租率预算客衣洗涤量,客人需求服务的概率为10%数量405*85%*10%/F、康体中心按接待60人/天预算,按每人1条浴巾;了1条中巾;1条方巾计算人数60人/G、其它楼层、PA、其他部门清洁用布草等数量40kg/H、商住楼/对外洗衣商住楼按300间房,1.5kg/间/天的洗涤量预算,需求服务的概率为15%对外洗衣待定房间数300*1.5*15%/I、置业公司暂按10kg/天预算数量10kg/天/具体计算附后说明:二、每日水洗量计算第3页共9页第2页共9页编号:时间:2021年x月x日书山有路勤为径,学海无涯苦作舟页码:第3页共9页A、客房1.双人房每间每天更换及清洗的布草重量如下:项目名称重量kg配量小计重量kg床单1.022.0被套1623.2枕套0.0540.2浴巾0.721.4中巾0.2520.5地巾0.3510.35方巾0.0620.12浴袍1.122.2枕头(枕头的更换频率次/90天)0.943.6*1/90=0.04被子(被子的更换频率次/90天)224*1/90=0.04窗帘(窗帘的洗涤频率次/120天)6212*1/120=0.09每间客房布草重量2110.14282间双人房合计重量282*10.14*80%=2287kg(烘干布草:282*4.65*80%=1050kg平烫布草:282*5.49*80%=1238kg)2.单人房每间每天更换及清洗的布草重量如下:项目名称重量kg配量小计重量kg床单1.011.0被套1.811.8枕套0.0540.2浴巾0.721.4中巾0.2520.5地巾0.3510.35方巾0.0620.12浴袍1.122.2枕头(枕头的更换频率次/90天)0.943.6*1/90=0.04被子(被子的更换频率次/90天)2.612.6*1/90=0.03窗帘(窗帘的洗涤频率次/120天)6212*1/120=0.09每间客房布草重量177.73123间单人房合计重量123*773*80%=760kg(烘干布草:123*4.64*80%=455kg平烫布草:123*3.09*80%=305kg)第4页共9页第3页共9页编号:时间:2021年x月x日书山有路勤为径,学海无涯苦作舟页码:第4页共9页B、餐饮部每日洗涤量(每天餐位满客率暂按85%计算,每天翻台2.5次)项目名称中餐厅130桌(1300位)西餐厅200位(约50桌)重量kg配量小计重量kg重量kg配量小计重量kg大台布1.252621.2小台布0.978630.95045席巾0.051300650.0520010小方巾0.051300650.05一次需洗涤重量273025525055每天餐厅布草重量255*2.5*85%=54155*2.5*85%=116每天餐饮部布草量541+116=657kg(烘干布草:65kg平烫布草:592kg)C、娱乐部、桑拿部(桑拿每天按房间出租3次,按80%的出租率计算)每天更换及清洗的布草重量如下:项目名称重量kg配量小计重量kg床单1.011.0被套(平均人使用0.2次)1.60.20.32枕套0.0520.1浴巾0.753.5中巾0.2520.5...

1、当您付费下载文档后,您只拥有了使用权限,并不意味着购买了版权,文档只能用于自身使用,不得用于其他商业用途(如 [转卖]进行直接盈利或[编辑后售卖]进行间接盈利)。
2、本站所有内容均由合作方或网友上传,本站不对文档的完整性、权威性及其观点立场正确性做任何保证或承诺!文档内容仅供研究参考,付费前请自行鉴别。
3、如文档内容存在违规,或者侵犯商业秘密、侵犯著作权等,请点击“违规举报”。

碎片内容

某涉外五星酒店洗衣房设备配置预算方案

您可能关注的文档

确认删除?
VIP
微信客服
  • 扫码咨询
会员Q群
  • 会员专属群点击这里加入QQ群
客服邮箱
回到顶部