电脑桌面
添加小米粒文库到电脑桌面
安装后可以在桌面快捷访问

煤炭行业-集团公司-事业部-质量及出口策划主管岗位说明书VIP专享VIP免费

煤炭行业-集团公司-事业部-质量及出口策划主管岗位说明书_第1页
1/4
煤炭行业-集团公司-事业部-质量及出口策划主管岗位说明书_第2页
2/4
煤炭行业-集团公司-事业部-质量及出口策划主管岗位说明书_第3页
3/4
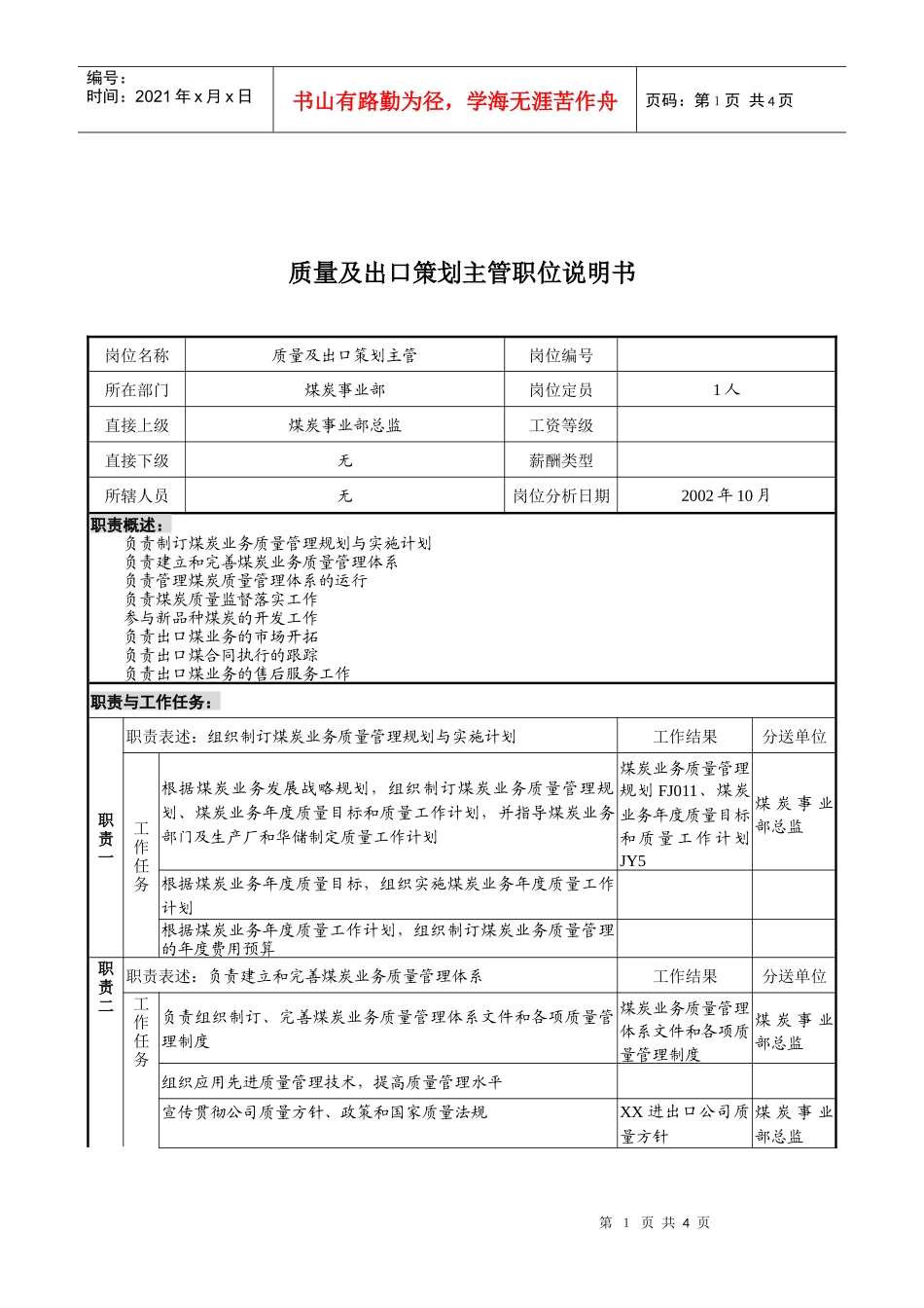
第1页共4页编号:时间:2021年x月x日书山有路勤为径,学海无涯苦作舟页码:第1页共4页质量及出口策划主管职位说明书岗位名称质量及出口策划主管岗位编号所在部门煤炭事业部岗位定员1人直接上级煤炭事业部总监工资等级直接下级无薪酬类型所辖人员无岗位分析日期2002年10月职责概述:负责制订煤炭业务质量管理规划与实施计划负责建立和完善煤炭业务质量管理体系负责管理煤炭质量管理体系的运行负责煤炭质量监督落实工作参与新品种煤炭的开发工作负责出口煤业务的市场开拓负责出口煤合同执行的跟踪负责出口煤业务的售后服务工作职责与工作任务:职责一职责表述:组织制订煤炭业务质量管理规划与实施计划工作结果分送单位工作任务根据煤炭业务发展战略规划,组织制订煤炭业务质量管理规划、煤炭业务年度质量目标和质量工作计划,并指导煤炭业务部门及生产厂和华储制定质量工作计划煤炭业务质量管理规划FJ011、煤炭业务年度质量目标和质量工作计划JY5煤炭事业部总监根据煤炭业务年度质量目标,组织实施煤炭业务年度质量工作计划根据煤炭业务年度质量工作计划,组织制订煤炭业务质量管理的年度费用预算职责二职责表述:负责建立和完善煤炭业务质量管理体系工作结果分送单位工作任务负责组织制订、完善煤炭业务质量管理体系文件和各项质量管理制度煤炭业务质量管理体系文件和各项质量管理制度煤炭事业部总监组织应用先进质量管理技术,提高质量管理水平宣传贯彻公司质量方针、政策和国家质量法规XX进出口公司质量方针煤炭事业部总监第2页共4页第1页共4页编号:时间:2021年x月x日书山有路勤为径,学海无涯苦作舟页码:第2页共4页负责制定质量培训计划,配合人力资源部组织质量培训工作质量培训计划FJ418人力资源部职责三职责表述:负责质量信息的收集、整理、分析工作结果分送单位工作任务负责组织收集生产厂和外购煤炭的质量信息,包括生产厂所采购原煤的质量、生产工艺、生产管理水平、供应煤炭质量等信息煤炭质量信息本部门负责组织收集运输过程中的煤炭质量信息,包括装运煤炭质量、到港质检数据、堆存煤炭质量数据、装船煤炭质量数据、到港煤炭质量数据及装运过程中的除杂纪录等煤炭质量信息本部门负责组织收集客户的煤炭质量要求,包括客户锅炉特点、粉碎和传输设备的特点、客户对煤炭质量的管理办法、客户提出的要求等信息煤炭质量信息本部门定期分析质量数据,提供质量分析报告质量分析报告FJ419煤炭事业部总监职责四职责表述:负责管理煤炭质量管理体系的运行与改进,落实煤炭质量监督工作工作结果分送单位工作任务负责组织建立、维护质量管理体系,组织落实煤炭质量管理措施质量管理流程煤炭事业部总监监督煤炭业务各环节质量管理措施的实施情况组织质量难题攻关,提出质量改进、提高措施,并监督实施质量攻关专题报告FJ420煤炭事业部总监根据用户质量需求和反馈意见、建议,组织调整质量控制措施以适合用户需求质量控制措施适应性分析报告FJ421煤炭事业部总监负责组织评价质量管理体系,并推动质量管理体系的逐步提高和完善质量管理体系评价报告FJ422煤炭事业部总监职责五职责表述:参与煤炭新品种的开发工作工作结果分送单位工作任务对煤炭新品种质量指标进行可行性分析新煤种质量指标可行性分析报告FJ423煤炭事业部总监负责建立煤炭新品种质量控制体系新煤种质量控制体系煤炭事业部总监为煤炭新品种寻找合适的煤炭货源提供建议新煤种货源建议报告FJ424煤炭事业部总监收集新品种煤炭产成品质量数据,改进相应的煤炭质量控制体系新煤种质量控制改进措施煤炭事业部总监职责六职责表述:负责出口煤业务的市场开拓工作结果分送单位工作任务负责收集与出口煤业务相关的各种信息,包括市场信息、用户信息、供应商信息等对所收集的信息进行汇总、分析,编写市场信息分析报告,上报直接上级审阅市场信息分析报告FJ406煤炭事业部总监第3页共4页第2页共4页编号:时间:2021年x月x日书山有路勤为径,学海无涯苦作舟页码:第3页共4页负责根据公司的发展战略制定年度市场营销计划,并报直接上级审批年度市场营销计划FJ003煤炭事业部总监根据年度市场营销计划制定具体的营销方案,并...

1、当您付费下载文档后,您只拥有了使用权限,并不意味着购买了版权,文档只能用于自身使用,不得用于其他商业用途(如 [转卖]进行直接盈利或[编辑后售卖]进行间接盈利)。
2、本站所有内容均由合作方或网友上传,本站不对文档的完整性、权威性及其观点立场正确性做任何保证或承诺!文档内容仅供研究参考,付费前请自行鉴别。
3、如文档内容存在违规,或者侵犯商业秘密、侵犯著作权等,请点击“违规举报”。

碎片内容

煤炭行业-集团公司-事业部-质量及出口策划主管岗位说明书

确认删除?
VIP
微信客服
  • 扫码咨询
会员Q群
  • 会员专属群点击这里加入QQ群
客服邮箱
回到顶部