电脑桌面
添加小米粒文库到电脑桌面
安装后可以在桌面快捷访问

深圳某酒楼冰蓄冷空调设计方案_secretVIP免费

深圳某酒楼冰蓄冷空调设计方案_secret_第1页
1/5
深圳某酒楼冰蓄冷空调设计方案_secret_第2页
2/5
深圳某酒楼冰蓄冷空调设计方案_secret_第3页
3/5
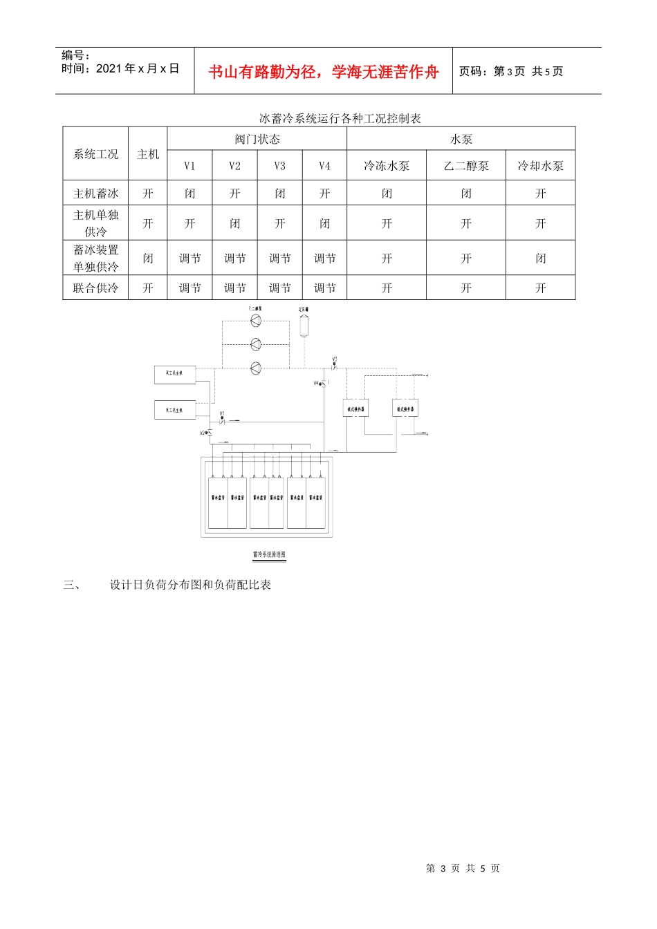
第1页共5页编号:时间:2021年x月x日书山有路勤为径,学海无涯苦作舟页码:第1页共5页深圳某酒楼冰蓄冷空调设计方案一、工程概况此酒楼位于深圳市龙岗区,总建筑面积156532.87m2,该项目地上有8栋32层高层建筑和4栋连排别墅及活动中心。地下室为车库,裙楼部分为商业、酒楼及车库。开发商为深圳市某投资有限公司,即某快餐连锁店的经营者,对空调运行费用控制要求较高,设计初期即要求酒楼空调冷源采用冰蓄冷系统。二、蓄冷系统设计1、典型设计日冷负荷酒楼部分建筑面积为5300m2,空调面积为4100m2,空调使用时间按9:00~23:00使用考虑。夏季夏季逐时计算冷负荷综合最大值为1420KW,设计日总冷量为17356KWh(4936RTh)。设计日逐时负荷分布图根据甲方提供酒楼营业时间为9:00~22:00,2、分时电价深圳地区分时电价如下表所示时段各时段起始时间电价(RMB/kwh)高峰时段9:00-11:30、14:00-16:30、19:00-21:001.1644平时段7:00-9:00、11:30-14:00、16:30-19:00、21:00-23:000.8844低谷时段23:00-7:000.5344蓄冰优惠23:00-7:000.2884由于本项目没有夜间负荷,因此不设基载主机,为了充分发挥设备的作用及降低运行费用,采用部分蓄冰方式、主机上游串联系统。3、制冷主机容量制冷主机容量:qc=Q/(C1.n1+Cf.n2)其中:Q:设计日空调总冷量(KWh),17356KWh图一:逐时负荷图000000001953263893954003992692603964033913373250040401002003004000:001:002:003:004:005:006:007:008:009:0010:0011:0012:0013:0014:0015:0016:0017:0018:0019:0020:0021:0022:0023:00逐时负荷第2页共5页第1页共5页编号:时间:2021年x月x日书山有路勤为径,学海无涯苦作舟页码:第2页共5页qc:空调工况制冷机制冷量(KW)C1:有换热设备时双工况主机制冷工况系数,取0.8n1:白天双工况主机制冷运行小时数(h),取13Cf:制冷机制冰工况系数,本项目采用螺杆式水冷冷水机组,取0.65n2:制冷机制冰工况下的日运行小时数(h),取8制冷主机容量:qc=Q/(C1.n1+Cf.n2)=17356/(0.8*13+0.65*8)KW=1113KW=316RT根据以上结果选取两台双工况螺杆式冷水机组:制冷量(空调工况):159RT制冷量(制冰工况):110RT4、蓄冰装置容量[1]:QS=Cf.n2.qc=8*0.65*1113KWh=5787.6KWh=1643RTH蓄冰设备:选用3台TSC-297MX2型钢盘管,总蓄冰量为1782RT.H。5、蓄冷设备运行原理蓄冰设备采用蛇型钢盘管,在制冰末期,水被冻结成25mm厚度的冰层包裹在盘管外壁上,冰层之间留有空隙,仍为0℃的水,没有冰桥,这是非完全冻结式构造的结果。在融冰过程中,随着融冰比例的增加,冰层与盘管之间形成水环,冰层受到外界水的浮力作用,始终与盘管保持良好接触。在冰融化到20-30%时,冰层破裂均匀散落在水中,形成温度均衡的0℃冰水混合物。因此可保证换热均匀,乙二醇出口温度恒定,并可控制取冷过程,取冰率可高达100%。6、系统运行方式考虑本项目特点,确定该系统可按以下四种方式控制运行:(1)主机蓄冰此间无冷负荷需求,为电力低谷期,电价低廉。主机设定为制冰工况并满足负荷运转,所制得的冷量全部以冰储存起来,以供白天冷负荷高峰期使用。(2)主机单独供冷主机满负荷运转,不足冷量由融冰满足,融冰供冷量根据负荷变化由三通阀V2来调节。此间板式热交换器冷端入口温度恒定在3.30C左右。在此时段之间,主机在电力高峰阶段由于电价较高,负荷较大,主机满负荷运转亦不能满足,不足冷量由融冰供冷满足,可节省大量的运行费用。(3)蓄冰装置单独供冷此间一般为电力平段期,只需运行主机即可满足冷负荷需求。乙二醇不流经蓄冰装置而直接进入板式热交换器,主机运行根据冷负荷变化进行调节。采用此种模式是为降低系统一次投资,在电力高峰期间不增加蓄冰设备,但是在冷负荷较小情况之下,可实现电力高峰期间全融冰方式以节省大量的运行费用。(4)联合供冷此间冷却塔及主机均关闭,避开电力高峰期,仅以融冰来满足冷负荷的需求,将系统的高峰用电量降至最低,以节约运行成本。随着冷负荷的减少,单溶冰时段逐渐增多,以达到最大限度节电的目的。7、蓄冷系统图及设备运行状态第3页共5页第2页共5页编号:时间:2021年x月x日书山有路勤为径,学海无...

1、当您付费下载文档后,您只拥有了使用权限,并不意味着购买了版权,文档只能用于自身使用,不得用于其他商业用途(如 [转卖]进行直接盈利或[编辑后售卖]进行间接盈利)。
2、本站所有内容均由合作方或网友上传,本站不对文档的完整性、权威性及其观点立场正确性做任何保证或承诺!文档内容仅供研究参考,付费前请自行鉴别。
3、如文档内容存在违规,或者侵犯商业秘密、侵犯著作权等,请点击“违规举报”。

碎片内容

深圳某酒楼冰蓄冷空调设计方案_secret

您可能关注的文档

确认删除?
VIP
微信客服
  • 扫码咨询
会员Q群
  • 会员专属群点击这里加入QQ群
客服邮箱
回到顶部