电脑桌面
添加小米粒文库到电脑桌面
安装后可以在桌面快捷访问

某污水处理厂截污干管工程施工设计方案VIP免费

某污水处理厂截污干管工程施工设计方案_第1页
1/73
某污水处理厂截污干管工程施工设计方案_第2页
2/73
某污水处理厂截污干管工程施工设计方案_第3页
3/73
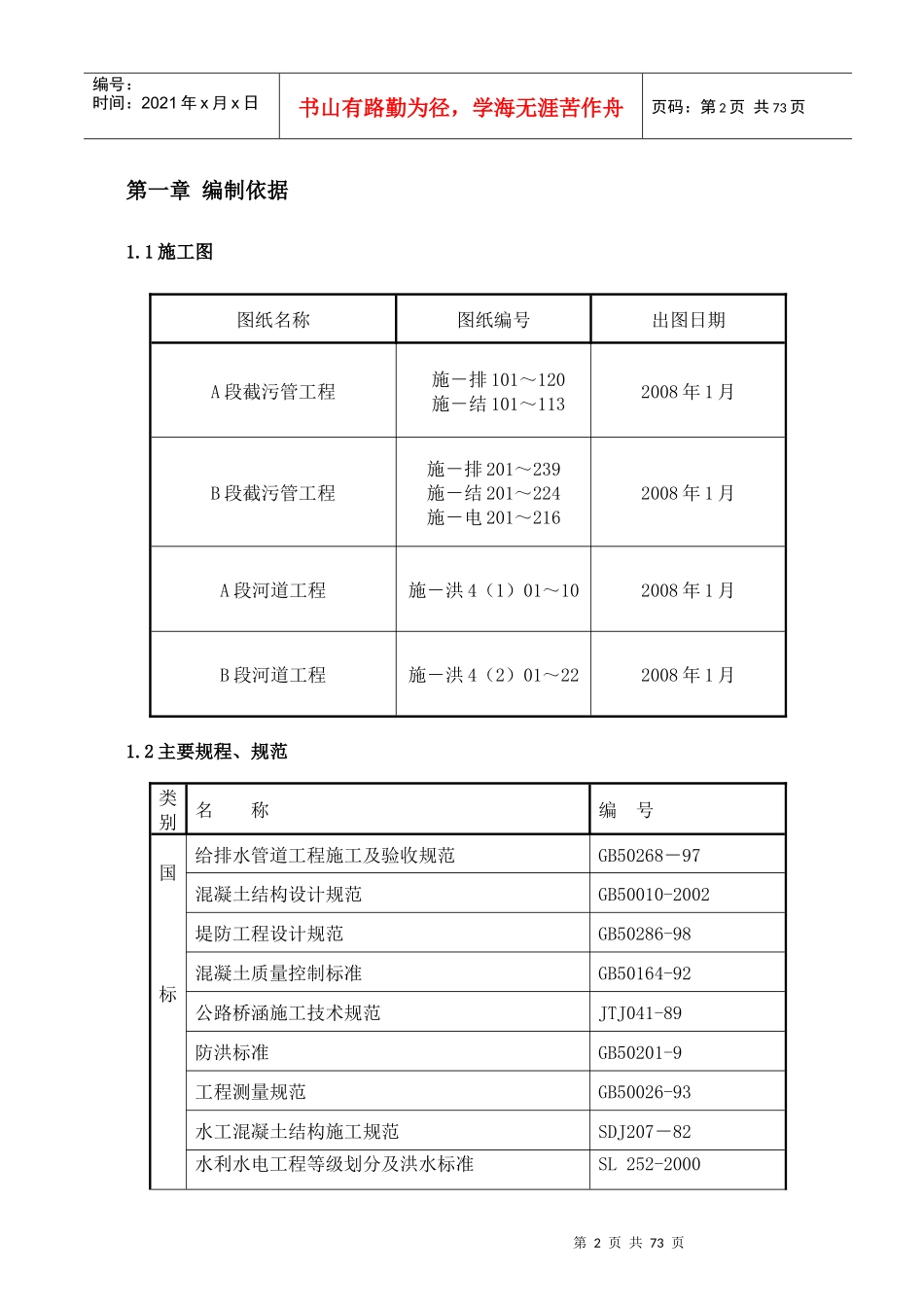
第1页共73页编号:时间:2021年x月x日书山有路勤为径,学海无涯苦作舟页码:第1页共73页横岗污水处理厂二期配套截污干管工程施工组织设计第2页共73页第1页共73页编号:时间:2021年x月x日书山有路勤为径,学海无涯苦作舟页码:第2页共73页第一章编制依据1.1施工图图纸名称图纸编号出图日期A段截污管工程施-排101~120施-结101~1132008年1月B段截污管工程施-排201~239施-结201~224施-电201~2162008年1月A段河道工程施-洪4(1)01~102008年1月B段河道工程施-洪4(2)01~222008年1月1.2主要规程、规范类别名称编号国标给排水管道工程施工及验收规范GB50268-97混凝土结构设计规范GB50010-2002堤防工程设计规范GB50286-98混凝土质量控制标准GB50164-92公路桥涵施工技术规范JTJ041-89防洪标准GB50201-9工程测量规范GB50026-93水工混凝土结构施工规范SDJ207-82水利水电工程等级划分及洪水标准SL252-2000第3页共73页第2页共73页编号:时间:2021年x月x日书山有路勤为径,学海无涯苦作舟页码:第3页共73页建设工程施工现场供用电安全规范GB50194-93行标埋地聚乙烯排水管管道工程技术规程CSCS164:2004钢筋焊接及验收规程JGJ18-2003钢筋机械连接通用技术规程JGJ107-2003混凝土泵送施工技术规程JGJ/T10-95建筑基坑支护技术规程JGJ120-99建筑施工安全检查标准JGJ59-991.3主要图集类别名称编号国家混凝土结构施工图平面整体表示方法制图规则和构造详图03G101地方中南地区通用建筑标准设计—建筑构造用料做法98ZJ建筑给水排水标准图集96S1.4主要标准类别名称编号国家砼强度检验评定标准GBJ107-87建筑工程施工质量验收统一标准GB50300-20011.5主要法律、法规类别名称编号国家中华人民共和国建筑法中华人民共和国水法中华人民共和国大气污染防治法中华人民共和国环境噪音污染防治法中华人民共和国环境保护法中华人民共和国消防法第4页共73页第3页共73页编号:时间:2021年x月x日书山有路勤为径,学海无涯苦作舟页码:第4页共73页行业建筑施工场界噪音限值建筑工程质量管理条例国务院令第279号建设项目环境保护管理条例国务院令第253号建筑工程安全生产管理条例国务院393令环境空气质量标准GB3095-1996建设工程施工现场管理规定建设部1991年第15号令城市排水许可管理办法建城[1994]330号1.6工程施工合同1.7岩土工程勘察报告第5页共73页第4页共73页编号:时间:2021年x月x日书山有路勤为径,学海无涯苦作舟页码:第5页共73页第二章工程概况和工程目标2.1工程概况工程名称横岗污水处理厂配套截污干管工程(二期)A、B段建设地点龙岗区横岗街道办建设单位深圳市龙岗区建筑工务局设计单位中国市政工程中南设计研究院监理单位深圳市建艺国际工程顾问有限公司施工单位深圳市英龙建安有限公司招标范围A、B段承包方式工程总承包投资性质政府投资100%工程计划工期工期175日历天;质量目标合格2.2建筑设计概况项目名称内容A段截污管工程设计起点位于大康河上游拦污坝处,设计终点位于大康河C段截污管工程设计起点(已设计);本段截污干管全长2139.82米,沿线含12座污水井。B段截污管工程设计起点位于大康河上游拦污坝处,设计终点位于福田河支流B、C段管道汇合处,本段截污干管全长2248.33米,沿线含18座截污井,2处河口拦污坝。A段河道工程本河道设计主要对大康河4+302.584~4+429.149段河道。包括护岸挡墙、河道开挖、土方回填、导流渠边坡和围堰体施工等。第6页共73页第5页共73页编号:时间:2021年x月x日书山有路勤为径,学海无涯苦作舟页码:第6页共73页项目名称内容B段河道工程本河道设计主要对3+754.448~3+958.182段左岸河道、3+648.338~3+958.182段右岸河道进行整治。包括护岸挡墙、河道开挖、土方回填、导流渠边坡和围堰体施工等。2.3现场施工条件本工程位于横岗街道办,场地地貌属于冲洪积地带、沟间谷地及残丘台地,沿线地形起伏较大。该段整体属于南北方向,A、B段截污管工程地形复杂,地下埋有通讯电缆、给水管道、污水管道,沿河道两旁现有居民楼,厂房;沿河路车辆通行道路较小,由于本工程采用大开挖,会给施工工作带来一定影响。2.4工程特点、施工重点及难点2.4.1...

1、当您付费下载文档后,您只拥有了使用权限,并不意味着购买了版权,文档只能用于自身使用,不得用于其他商业用途(如 [转卖]进行直接盈利或[编辑后售卖]进行间接盈利)。
2、本站所有内容均由合作方或网友上传,本站不对文档的完整性、权威性及其观点立场正确性做任何保证或承诺!文档内容仅供研究参考,付费前请自行鉴别。
3、如文档内容存在违规,或者侵犯商业秘密、侵犯著作权等,请点击“违规举报”。

碎片内容

某污水处理厂截污干管工程施工设计方案

您可能关注的文档

确认删除?
VIP
微信客服
  • 扫码咨询
会员Q群
  • 会员专属群点击这里加入QQ群
客服邮箱
回到顶部