电脑桌面
添加小米粒文库到电脑桌面
安装后可以在桌面快捷访问

物业管理表格-电梯日巡视记录VIP免费

物业管理表格-电梯日巡视记录_第1页
1/2
物业管理表格-电梯日巡视记录_第2页
2/2
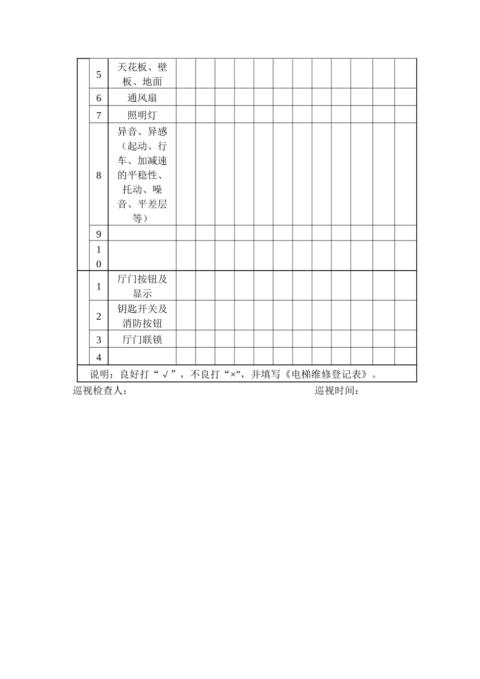
电梯日巡视记录大厦名称:年月日巡检项目电梯号1234567891011121机房各部清洁2油镜、坏杯油位3盘车工具、救援规程4应急灯、灭火器5控制柜内继电器接触器6照明、通风设备7警告牌及门窗、门锁8牵引电动机9减速箱及绳轮10安全装置11机房温度121轿厢门联锁2安全触板及开关3轿内显示器、按钮4对讲电话与警铃5天花板、壁板、地面6通风扇7照明灯8异音、异感(起动、行车、加减速的平稳性、托动、噪音、平差层等)9101厅门按钮及显示2钥匙开关及消防按钮3厅门联锁4说明:良好打“√”,不良打“×”,并填写《电梯维修登记表》。巡视检查人:巡视时间:

1、当您付费下载文档后,您只拥有了使用权限,并不意味着购买了版权,文档只能用于自身使用,不得用于其他商业用途(如 [转卖]进行直接盈利或[编辑后售卖]进行间接盈利)。
2、本站所有内容均由合作方或网友上传,本站不对文档的完整性、权威性及其观点立场正确性做任何保证或承诺!文档内容仅供研究参考,付费前请自行鉴别。
3、如文档内容存在违规,或者侵犯商业秘密、侵犯著作权等,请点击“违规举报”。

碎片内容

物业管理表格-电梯日巡视记录

确认删除?
VIP
微信客服
  • 扫码咨询
会员Q群
  • 会员专属群点击这里加入QQ群
客服邮箱
回到顶部