电脑桌面
添加小米粒文库到电脑桌面
安装后可以在桌面快捷访问

河北省房地产开发保留的行政审批和VIP免费

河北省房地产开发保留的行政审批和_第1页
1/8
河北省房地产开发保留的行政审批和_第2页
2/8
河北省房地产开发保留的行政审批和_第3页
3/8
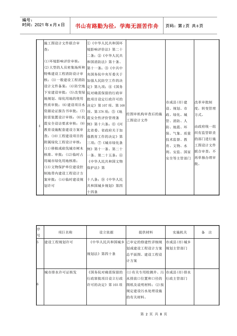
第1页共8页编号:时间:2021年x月x日书山有路勤为径,学海无涯苦作舟页码:第1页共8页河北省房地产开发保留的行政审批和备案项目目录序号项目名称设立依据提供材料实施机关备注一、保留必经办理的审批项目(9项)1国有土地使用权出让《中华人民共和国土地管理法》第五十四条(1)申请人有效证明文件;(2)规划条件;(3)投标、竞买保证金;(4)未拖欠施工企业工程款的证明。市或县(市)国土资源部门2建设用地规划许可《中华人民共和国城乡规划法》第三十八条;《中华人民共和国气象法》第二十一条;《中华人民共和国防震减灾法》第十五条(1)国有土地使用权出让合同;(2)用地红线图、征地测量成果;(3)建设项目备案文件。市或县(市)城乡规划行政主管部门①避免危害气象探测环境审批②地震监测环境设施和地震观测环境保护范围内建设工程许可两项并入3修建性详细规划或建设工程设计方案总平面图、建设工程设计方案审定。《中华人民共和国城乡规划法》第四十条(1)修建性详细规划或建设工程设计方案总平面图;(2)建设工程设计方案。市或县(市)城乡规划主管部门第2页共8页第1页共8页编号:时间:2021年x月x日书山有路勤为径,学海无涯苦作舟页码:第2页共8页4施工图设计文件联合审查:(1)环境影响评价审核;(2)大型的人员密集场所和特殊建设工程消防设计审核;(3)一般建设工程消防设计文件备案;(4)防空地下室建设审批;(5)改变绿地规划、绿化用地的使用性质审批;(6)建设项目水资源论证报告书审批;(7)防雷装置设计审核;(8)抗震安全设访要求审核;(9)教育设施配套建设方案审查;(10)工程建设项目的附属绿化工程设计审核;(11)移植或砍伐城市树木核准、审批;(12)临时占用城市绿化用地核准;(13)文物保护单位建设控制地带内建设工程设计方案审批;(14)临时建设规划许可①《中华人民共和国环境影响评价法》第二十二条;②《中华人民共和国消防法》第十条、第十一条;③《中共中央国务院中央军委关于加强人民防空工作的决定》第九项;④《国务院对确需保留的行政审批项目设定行政许可的决定》第107项、第168项、第378项;⑤《地震安全性评价管理条例》第十六条;⑥《河北省委、省政府关于加强教育工作的决定》第三项;⑦《城市绿化条例》第十一条、第二十一条、第二十五条;⑧《中华人民共和国文物保护法》第十八条;⑨《中华人民共和国城乡规划》第四十四条经图审机构审查后的施工图设计文件市或县(市)建设、规划、市政、绿化、城管、消防、人防、地震、环保、气象、质量技术监督、教育、文物、水利、安监、国家安全等主管部门改革审批制度,转变管理方式。由政府统一组织有监管职责的部门进行施工图设计文件联合审查,不再单独办理审批。序号项巨名称设立依据提供材料实施机关备注5建设工程规划许可《中华人民共和国城乡规划法》第四十条已审定的修建性详细规划或建设工程设计方案总平面图、建设工程设计方案市或县(市)城乡规划主管部门6城市排水许可证核发《国务院对确需保留的行政窜批项目设立行政许可的决定》笫103项(1)有关专用检测井、污水排放口位置和口径的图纸及说明材料;(2)按规定建设污水处理设施的有关材料。市或县(市)排水行政主管部门第3页共8页第2页共8页编号:时间:2021年x月x日书山有路勤为径,学海无涯苦作舟页码:第3页共8页7城市建筑垃圾处置核准《国务院对确需保留的行政审批项目设立行政许可的决定》第101项规划部门批准的设计图纸市或县(市)市容环境卫生行政主管部门8建筑工程施工许可《中华人民共和国建筑法》第七条、第九条(1)土地使用权证、建设工程规划许可证;(2)施工图设计文件审查合格书;(3)工程质量安全监督备案手续;(4)建设资金已落实。市或县(市)建设行政主管部门不能按期开工的延期手续并人9建设工程竣工联合验收:(1)建设工程竣工规划条件核实;(2)防空地下室建竣工验收认可;(3)大型的人员密集场所和特殊建设工程消防验收;(4)一般建设工程消防竣工验收备案;(5)工程建设项目的附属绿化工程竣工验收;(6)建设项目环境保护设施验收;(7)防雷装置竣工验收;(8)取水工程验收;(9)节水设施验收;(10)开发建设项目中的水土保持设施验收;(11)教育设施配套建设...

1、当您付费下载文档后,您只拥有了使用权限,并不意味着购买了版权,文档只能用于自身使用,不得用于其他商业用途(如 [转卖]进行直接盈利或[编辑后售卖]进行间接盈利)。
2、本站所有内容均由合作方或网友上传,本站不对文档的完整性、权威性及其观点立场正确性做任何保证或承诺!文档内容仅供研究参考,付费前请自行鉴别。
3、如文档内容存在违规,或者侵犯商业秘密、侵犯著作权等,请点击“违规举报”。

碎片内容

河北省房地产开发保留的行政审批和

精品中小学资料+ 关注
实名认证
内容提供者

精品文档

确认删除?
VIP
微信客服
  • 扫码咨询
会员Q群
  • 会员专属群点击这里加入QQ群
客服邮箱
回到顶部