电脑桌面
添加小米粒文库到电脑桌面
安装后可以在桌面快捷访问

某省交通建设工程施工安全监督申报程序VIP免费

某省交通建设工程施工安全监督申报程序_第1页
1/12
某省交通建设工程施工安全监督申报程序_第2页
2/12
某省交通建设工程施工安全监督申报程序_第3页
3/12
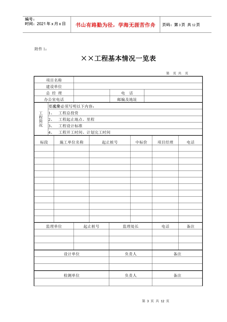
附件:湖南省交通建设工程施工安全监督申报程序一、申报(一)时间:建设单位或项目法人在完成开工前各项准备工作之后,办理施工许可证之前30日内。(二)范围:新建高速公路项目,省统贷统还项目,省直管重点水运工程项目由省交通主管部门安全监督机构受理。其它公路建设项目由市州交通主管部门安全监督机构受理,其它水运项目由水运质监站受理。(三)安全监督与质量监督为同一机构的情况下,安全监督与质量监督同时申报,其工程基本情况一览表以及申报内容中2、3条的资料只在质量监督申请资料中申报。安全监督与质量监督为不同机构的情况下,安全监督与质量监督分别到相应机构进行申报,申报资料内容应完整。(四)申报人及申报内容:由项目业主组织申报,主要包含以下内容:1、安全监督申请书工程基本情况一览表(附件1)项目业主安全组织机构情况表(附件2)监理单位安全组织机构情况表(附件3)施工单位安全组织机构情况表(附件4)2、预可、工可、初步设计、施工图设计等基建程序批复文件复印件。3、工程项目设计、施工、监理等合同文件。4、施工单位安全生产许可证复印件。5、建设、监理、施工单位安全生产领导机构设立文件及相关第2页共12页编号:时间:2021年x月x日书山有路勤为径,学海无涯苦作舟页码:第2页共12页人员身份证、毕业证、职称证复印件。6、施工单位项目经理、分管安全副经理、专职安全员安全生产考核合格证复印件,施工单位特种作业人员证件复印件、汇总表。监理单位安全工程师证件复印件。7、各标段重大危险源识别清单(台帐)。8、施工单位工伤社会保险、意外伤害保险合同复印件。二、审查安全监督机构在收到安全监督申请后,即可开始组织审查,审查内容包括资料的完整性和符合性两个方面。(一)完整性审查主要审查资料是否按要求提供,是否齐全。(二)符合性审查1、根据合同文件核查监理单位专业监理工程师以上人员、施工单位主要技术人员;2、实地抽查设备及人员资质情况。审查格式见附件5。三、告知安全监督机构自收到安全监督申请资料20日之内,对审查通过的交通建设项目,出具安全监督通知书,对审查不通过的项目,书面通知申请人不予受理安全监督申请(通知书格式详见附件6),完整返还申请资料,并抄报交通主管部门。第3页共12页第2页共12页编号:时间:2021年x月x日书山有路勤为径,学海无涯苦作舟页码:第3页共12页附件1:××工程基本情况一览表第页共页项目名称建设单位总经理电话办公室电话邮编及地址工程简况要求简况中必须写明以下内容:1、工程总投资2、工程起止地点、里程3、工程设计标准4、工程开工时间、计划完工时间标段施工单位名称起止桩号中标价项目经理电话监理单位起止桩号监理处长电话备注设计单位负责人备注检测单位负责人备注第4页共12页第3页共12页编号:时间:2021年x月x日书山有路勤为径,学海无涯苦作舟页码:第4页共12页填报:合约部部长:填表日期:年月日第5页共12页第4页共12页编号:时间:2021年x月x日书山有路勤为径,学海无涯苦作舟页码:第5页共12页附件2:项目业主安全组织机构情况表第页共页项目名称建设单位姓名担任职务办公室电话手机备注(分管工程)业主代表总监代表副总经理······副总监代表······安全部部长······安全管理人员······安全组织机构框图填报:办公室主任:填表日期:年月日第6页共12页第5页共12页编号:时间:2021年x月x日书山有路勤为径,学海无涯苦作舟页码:第6页共12页附件3:××工程监理处安全组织机构情况表第页共页业主单位:填表时间:年月日监理单位:监理标段:起止桩号:驻地高监:电话:办公室电话:邮编及地址:序号姓名性别年龄职称监理证编号(培训证)本段投标拟任职务备注安全组织机构框图第7页共12页第6页共12页编号:时间:2021年x月x日书山有路勤为径,学海无涯苦作舟页码:第7页共12页填报:复核:监理处长:第8页共12页第7页共12页编号:时间:2021年x月x日书山有路勤为径,学海无涯苦作舟页码:第8页共12页附件4:第×合同段施工单位安全组织机构情况表第页共页项目名称建设单位标段施工单位主要人员到位情况姓名性别年龄职称安全资格...

1、当您付费下载文档后,您只拥有了使用权限,并不意味着购买了版权,文档只能用于自身使用,不得用于其他商业用途(如 [转卖]进行直接盈利或[编辑后售卖]进行间接盈利)。
2、本站所有内容均由合作方或网友上传,本站不对文档的完整性、权威性及其观点立场正确性做任何保证或承诺!文档内容仅供研究参考,付费前请自行鉴别。
3、如文档内容存在违规,或者侵犯商业秘密、侵犯著作权等,请点击“违规举报”。

碎片内容

某省交通建设工程施工安全监督申报程序

精品中小学资料+ 关注
实名认证
内容提供者

精品文档

确认删除?
VIP
微信客服
  • 扫码咨询
会员Q群
  • 会员专属群点击这里加入QQ群
客服邮箱
回到顶部