电脑桌面
添加小米粒文库到电脑桌面
安装后可以在桌面快捷访问

深基坑土方及支护工程监理实施细则--李玲(DOC32页)VIP专享VIP免费

深基坑土方及支护工程监理实施细则--李玲(DOC32页)_第1页
1/30
深基坑土方及支护工程监理实施细则--李玲(DOC32页)_第2页
2/30
深基坑土方及支护工程监理实施细则--李玲(DOC32页)_第3页
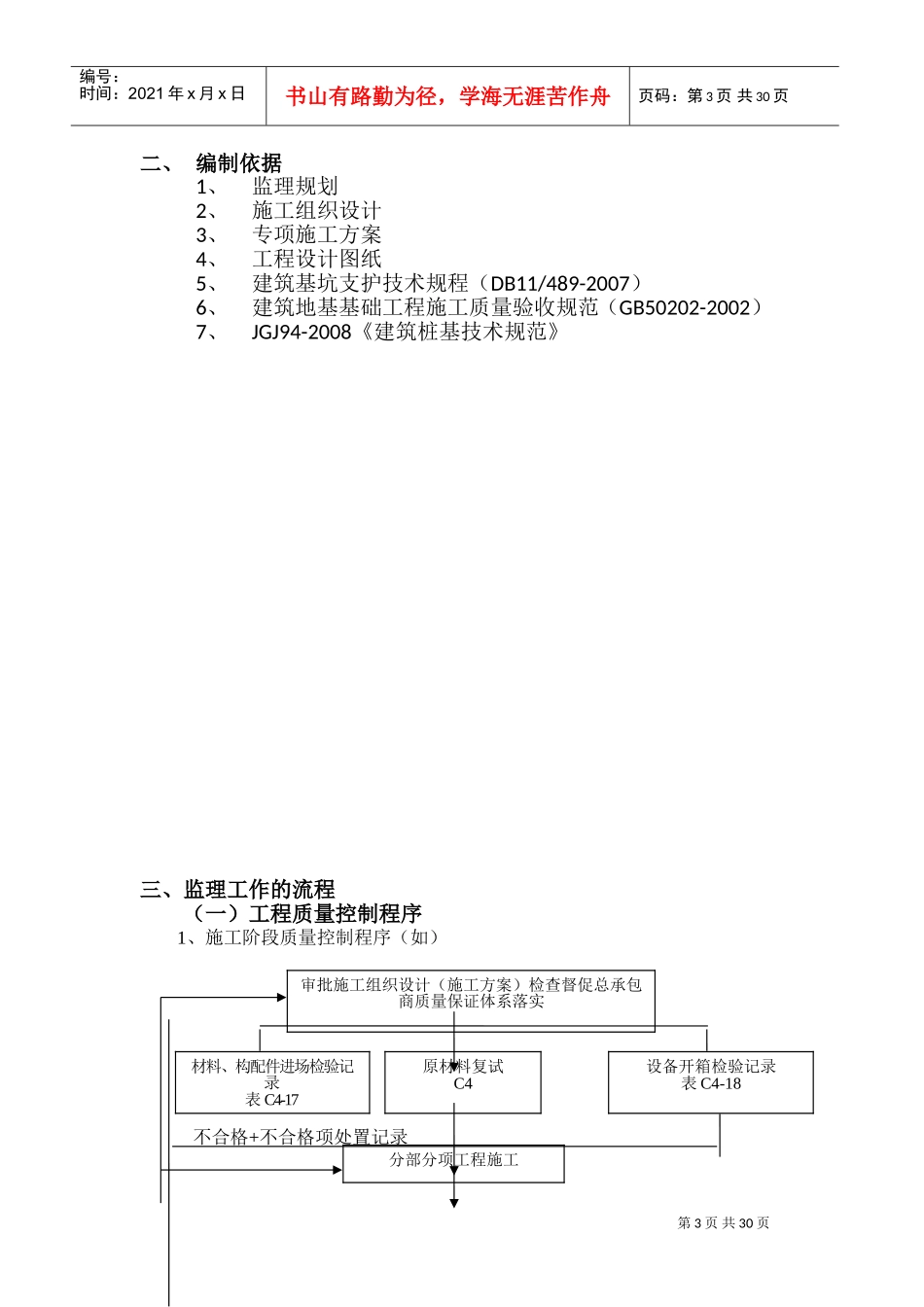
3/30
第1页共30页编号:时间:2021年x月x日书山有路勤为径,学海无涯苦作舟页码:第1页共30页Xxxxxx项目监理实施细则(深基坑土方及支护工程)编制人:审批人:北京华清技科工程管理有限公司第XXXX项目监理部XXXX年XXXX月XXXX日目录第2页共30页编号:时间:2021年x月x日书山有路勤为径,学海无涯苦作舟页码:第2页共30页一、专业工程特点…………………………………………3二、编制依据………………………………………………3三、监理工作的流程………………………………………3四、监理工作的要点………………………………………8五、监理工作的方法及措施………………………………31一、专业工程特点第3页共30页编号:时间:2021年x月x日书山有路勤为径,学海无涯苦作舟页码:第3页共30页二、编制依据1、监理规划2、施工组织设计3、专项施工方案4、工程设计图纸5、建筑基坑支护技术规程(DB11/489-2007)6、建筑地基基础工程施工质量验收规范(GB50202-2002)7、JGJ94-2008《建筑桩基技术规范》三、监理工作的流程(一)工程质量控制程序1、施工阶段质量控制程序(如)不合格+不合格项处置记录审批施工组织设计(施工方案)检查督促总承包商质量保证体系落实材料、构配件进场检验记录表C4-17设备开箱检验记录表C4-18原材料复试C4分部分项工程施工第4页共30页编号:时间:2021年x月x日书山有路勤为径,学海无涯苦作舟页码:第4页共30页不合格+不合格项处置记录不合格+不合格项处置记录2、分包单位资质审查基本程序不合格+不合格项处置记录总承包商填写《分部工程质量验收记录表》附:分部工程质量评定表总监理工程师签认分部工程确认意见承包商达到分项工程报验条件进行自检合格总承(分)包商自检、互检、交接检查填报检验批质量验收记录表隐蔽验收记录检验批质量验收记录分项工程申报检查监理工程师审核资料现场实地验收签署检验批质量认可意见下道工序施工承包商填写《分项工程质量验收记录表》监理工程师审核监理工程师签署分项工程确认意见总承包商继续施工达到分部工程验收条件并自检合格选择分包单位承包单位填写《分包单位资质报审表》监理工程师审查签认审查意见承包单位与分包单位签订施工分包合同分包单位进场施工不同意第5页共30页编号:时间:2021年x月x日书山有路勤为径,学海无涯苦作舟页码:第5页共30页3、分项、分部工程签认基本程序不合格+不合格项处置记录承包商达到分项工程报验条件进行自检合格承包商填写《分项工程质量验收记录表》监理工程师签署分项工程确认意见合格监理工程师审核不合格+不合格项处置记录总承包商继续施工达到分部工程验收条件并自检合格总承包商填写《分部工程质量验收记录表》总监理工程师签认分部工程确认意见合格第6页共30页编号:时间:2021年x月x日书山有路勤为径,学海无涯苦作舟页码:第6页共30页4、工程材料、构配件和设备质量控制基本程序5、图纸会审工作程序6、施工组织设计(方案)审核控制程序业主组织监理部、总承包商、设计单位进行图纸会审交底由总承包商整理变更洽商记录补充图纸、会议纪要,各方签字专业监理工程师熟悉设计图纸及其也设计文件总监理工程师组织项目监理部内部进行图纸会审需商榷的问题汇总审核后向业主书面报告按修改后的施工图纸实施专业监理工程师分专业进行审查项目监理部进行会审按监理会审意见修改总承包商动工前向监理工程师填报《工程技术文件报审表》+《施工组织设计或方案》①内容的完整性②总进度计划是否满足合同工期约定③工艺是否全面合理④质保体系是否从组织上落实⑤安全措施是否落实⑥分包内容是否清楚⑦技术措施是否有效承包单位填写原材料/构配件/设备报审方法:1、审核证明资料2、到厂家考察3、进场材料检验4、进行验证承包单位另选监理工程师审核承包单位使用不合格第7页共30页编号:时间:2021年x月x日书山有路勤为径,学海无涯苦作舟页码:第7页共30页四、监理工作的要点(一)工程事前、事中、事后控制要点监理工程师在施工阶段全过程的监理任务就是主要按照工程质量形成的时间阶段进行有效地事前、事中、事后控制。1、工程质量的事前控制(1)检查承包商的质量保证和质量管理体系...

1、当您付费下载文档后,您只拥有了使用权限,并不意味着购买了版权,文档只能用于自身使用,不得用于其他商业用途(如 [转卖]进行直接盈利或[编辑后售卖]进行间接盈利)。
2、本站所有内容均由合作方或网友上传,本站不对文档的完整性、权威性及其观点立场正确性做任何保证或承诺!文档内容仅供研究参考,付费前请自行鉴别。
3、如文档内容存在违规,或者侵犯商业秘密、侵犯著作权等,请点击“违规举报”。

碎片内容

深基坑土方及支护工程监理实施细则--李玲(DOC32页)

确认删除?
VIP
微信客服
  • 扫码咨询
会员Q群
  • 会员专属群点击这里加入QQ群
客服邮箱
回到顶部