电脑桌面
添加小米粒文库到电脑桌面
安装后可以在桌面快捷访问

某电厂三期扩建工程管理表格VIP免费

某电厂三期扩建工程管理表格_第1页
1/63
某电厂三期扩建工程管理表格_第2页
2/63
某电厂三期扩建工程管理表格_第3页
3/63
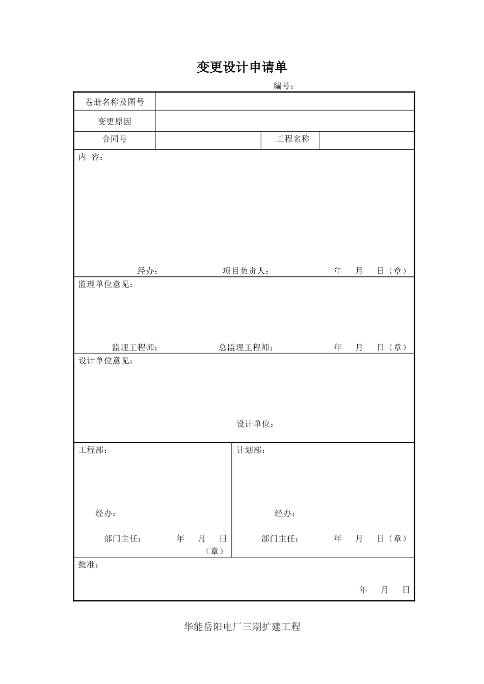
关于下发《华能岳阳电厂三期扩建工程管理及有关施工表式》的通知各监理及参建单位:为了规范三期工程档案管理,现将《三期扩建工程管理及有关施工表式》下发,并将表格使用有关规定明确如下:1.本表式(包括附件)原则上为一式四份原件(少部份为五份,见表底说明),一般该表式主发出单位存二份,建设单位档案室存一份,监理部存一份(如涉及设计、厂家、交接双方时则增加一份)。2.资料报送流程规定:所有自施工单位报出的含有该表式的资料,先送交监理部资料室进行资料收文登记,经监理部审查、审核后,需由建设单位审查审批的由监理部资料室交建设单位档案室,分发建设单位相关部门审查、审批建设单位相关部门审查、审批后,建设单位档案室留存一份,剩余份数交监理部资料室下发有关施工单位。3.设计图纸资料、甲方供应设备材料等有关文件,由建设单位档案室下发有关监理、施工单位。4.本表式需主送单位填报内容一律使用电脑打印,字体为宋体,审查意见栏可手写,签名必须为手写,必须字迹端正,盖章清晰。5.各参建单位必须将原有与本表式不符的所有表式废止,各种表式的变更增加由监理部归口管理。华能岳阳电厂三期扩建工程项目管理处2008年1月29日部门会签:批准:华能岳阳电厂三期扩建工程变更设计申请单编号:卷册名称及图号变更原因合同号工程名称内容:经办:项目负责人:年月日(章)监理单位意见:监理工程师:总监理工程师:年月日(章)设计单位意见:设计单位:工程部:经办:部门主任:年月日(章)计划部:经办:部门主任:年月日(章)批准:年月日华能岳阳电厂三期扩建工程设计变更通知单编号:工程名称专业卷册名称检索号变更内容:设计人:变更原因:校核专业会签工地代表年月日发送单位岳阳电厂三期工程部签收年月日年月日年月日批准:注:“校核”栏由主设人及以上人员签署本表一式四份,由设计单位填写,设计单位、业主档案室、监理部、施工单位各存一份。华能岳阳电厂三期扩建工程工程量签证表编号:申请单位项目名称变更单编号工程量变化的理由、内容:(附图及工程量变化计算书)经办:项目经理:日期:监理工程师复核意见:签名:总监审核意见:签名(章):建设单位工程部及计划部专工联合核实意见:工程部专工:计划部专工:建设单位工程部意见工程部主任:年月日(章)建设单位计划部意见:计划部主任:年月日(章)批准:华能岳阳电厂三期扩建工程设计变更执行结果反馈单编号:卷册名称及图号变更单号主送单位抄送单位执行情况:经办:项目负责人:年月日(章)监理意见;专业监理:总监理工程师:年月日(章)工程部意见:工程部专工:工程部主任:年月日(章)本表一式四份,由设计变更执行单位填写,填报单位存一份、建设单位档案室、监理部、设计单位各存一份。华能岳阳电厂三期扩建工程分包单位资格报审表编号:致:(项目监理部)经考察,我方认为拟选择的(分包单位)具有承担下列工程的施工资质和施工能力,可以保证本工程项目按合同的规定进行施工。分包后,我方仍承担总包单位的全部责任。请予以审查和批准。附:1、分包单位资质材料;2、分包单位业绩材料。分包工程名称(部位)工程数量拟分包工程合同额分包工程占全部工程合计:承包商(章)项目经理:年月日监理部审查意见:专业监理工程师:安全监理工程师:总监理工程师(章):年月日工程部意见:专业负责人:年月日部门主任:年月日(章)安质部意见:专业负责人:年月日部门主任:年月日(章)计划部意见:部门主任:年月日(章)批准:本表一式四份,由承包单位填报,填.报单位存二份、建设单位档案室、监理部各存一份。华能岳阳电厂三期扩建工程单位资格报审表编号:0001致:达华集团北京中达联咨询有限公司(项目监理部)现将我公司资质报上,请予以审查和批准。附:营业执照、资质证书、安全生产许可证。承包商(章)项目经理:年月日监理单位审查意见:专业监理工程师:安全监理工程师:总监理工程师:年月日(章)工程部意见:专业工程师:年月日部门主任:年月日(章)安质部意见:专业工程师:年月日部门主任:年月日(章)计划部意见:部门主任:年月日(章)本...

1、当您付费下载文档后,您只拥有了使用权限,并不意味着购买了版权,文档只能用于自身使用,不得用于其他商业用途(如 [转卖]进行直接盈利或[编辑后售卖]进行间接盈利)。
2、本站所有内容均由合作方或网友上传,本站不对文档的完整性、权威性及其观点立场正确性做任何保证或承诺!文档内容仅供研究参考,付费前请自行鉴别。
3、如文档内容存在违规,或者侵犯商业秘密、侵犯著作权等,请点击“违规举报”。

碎片内容

某电厂三期扩建工程管理表格

您可能关注的文档

确认删除?
VIP
微信客服
  • 扫码咨询
会员Q群
  • 会员专属群点击这里加入QQ群
客服邮箱
回到顶部