电脑桌面
添加小米粒文库到电脑桌面
安装后可以在桌面快捷访问

水电施工内业资料给排水与采暖全套验收资料_2VIP免费

水电施工内业资料给排水与采暖全套验收资料_2_第1页
1/50
水电施工内业资料给排水与采暖全套验收资料_2_第2页
2/50
水电施工内业资料给排水与采暖全套验收资料_2_第3页
3/50
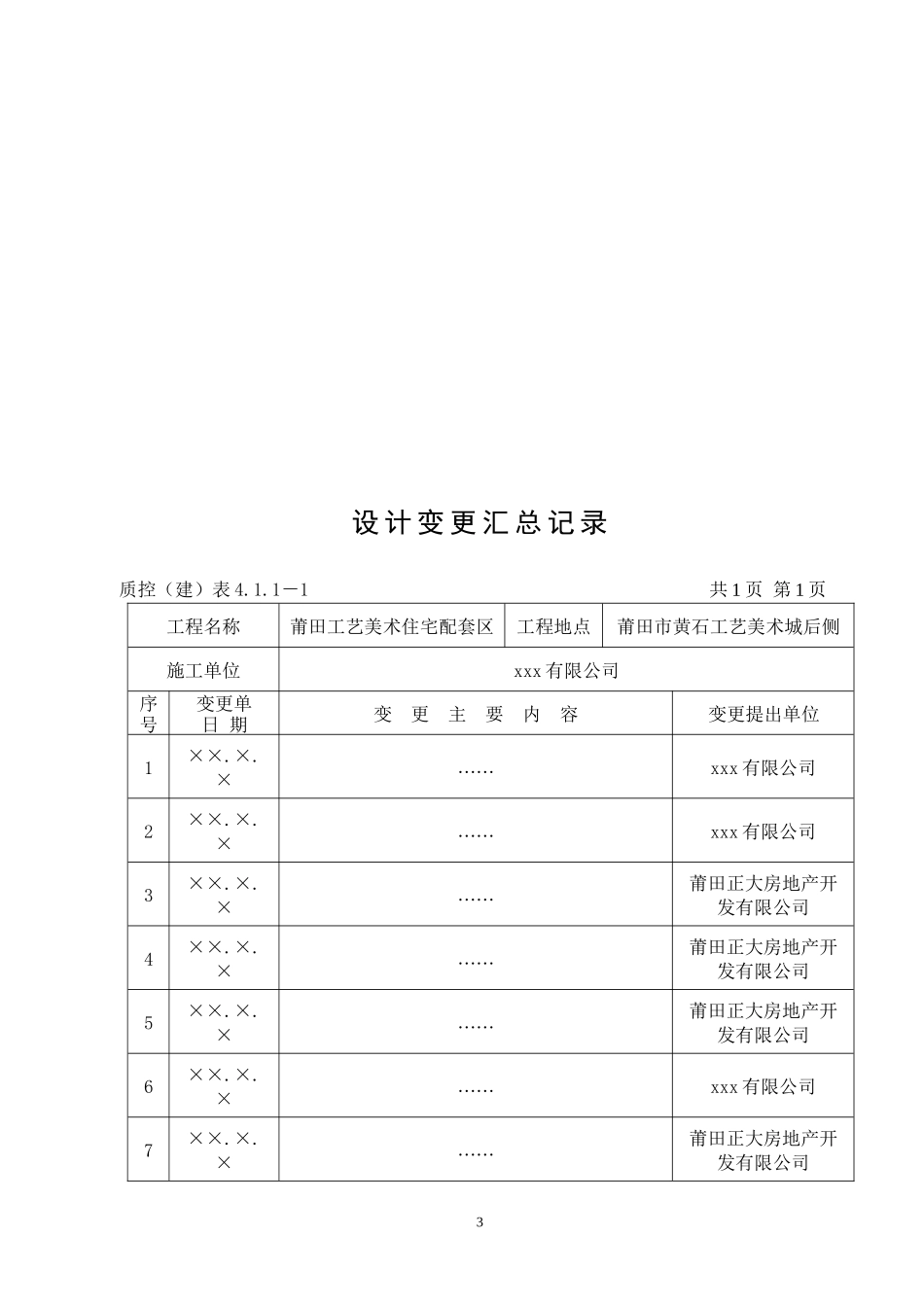
给排水与采暖内业资料目录(一)设计变更汇总记录3(二)工程洽商记录4(三)设备开箱检查记录........................................................5(四)材料进场抽样检查记录.................................................6(五)设备、材料合格证汇总表................................................7(六)阀门强度及严密性试验记录....................................................8(七)管道、设备强度及严密性试验记录..............................................9(八)管道、设备强度及严密性试验记录.............................................10(九)管道、设备强度及严密性试验记录.............................................11(十)燃气管道强度及严密性试验记录...............................................12(十一)隐蔽工程验收记录13(十二)系统清洗记录.......................................................14(十三)管道系统吹扫(脱脂)检验记录...............................................15(十四)排(雨)水管道灌水试验记录.................................................16(十五)排(雨)水管道灌水试验记录.................................................17(十六)排水管道通水能力试验记录...................................................18(十七)排水管道通球试验记录19(十八)水泵试运转测试检查记录.....................................................20(十九)室内给水管道及配件安装工程检验批质量验收记录..................................21(二十)室内消火栓系统安装工程检验批质量验收记录.....................................221(二十一)室内排水管道及配件安装工程检验批质量验收记录..................................23(二十二)雨水管道及配件安装工程检验批质量验收记录......................................24(二十三)卫生器具安装工程检验批质量验收记录...........................................25(二十四)卫生器具给水配件安装工程检验批质量验收记录.....................................26(二十五)卫生器具排水管道安装工程检验批质量验收记录.....................................27(二十六)分项工程质量验收记录....................................................28(二十七)给水管道及配件安装28(二十八)子分部工程质量验收记录..................................................29(二十九)(室内给水系统)29(三十)子分部工程质量验收记录..................................................30(三十一)(室内排水系统)30(三十二)子分部工程质量验收记录..................................................31(三十三)(卫生器具安装)31(三十四)分部工程质量验收记录......................................................32(三十五)(建筑给水、排水及采暖).....................................................32(三十六)分部工程质量验收记录......................................................33(三十七)(给排水与采暖)33(三十八)给水管道通水试验记录34(三十九)管道、设备强度及严密性试验记录.............................................35(四十)卫生器具满水试验记录36(四十一)消火栓系统试射试验记录...................................................37(四十二)管道、设备强度及严密性试验记录.............................................38(四十三)燃气管道强度及严密性试验记录...............................................392设计变更汇总记录质控(建)表4.1.1-1共1页第1页工程名称莆田工艺美术住宅配套区工程地点莆田市黄石工艺美术城后侧施工单位xxx有限公司序号变更单日期变更主要内容变更提出单位1××.×.×……xxx有限公司2××.×.×……xxx有限公司3××.×.×……莆田正大房地产开发有限公司4××.×.×……莆田正大房地...

1、当您付费下载文档后,您只拥有了使用权限,并不意味着购买了版权,文档只能用于自身使用,不得用于其他商业用途(如 [转卖]进行直接盈利或[编辑后售卖]进行间接盈利)。
2、本站所有内容均由合作方或网友上传,本站不对文档的完整性、权威性及其观点立场正确性做任何保证或承诺!文档内容仅供研究参考,付费前请自行鉴别。
3、如文档内容存在违规,或者侵犯商业秘密、侵犯著作权等,请点击“违规举报”。

碎片内容

水电施工内业资料给排水与采暖全套验收资料_2

确认删除?
VIP
微信客服
  • 扫码咨询
会员Q群
  • 会员专属群点击这里加入QQ群
客服邮箱
回到顶部