电脑桌面
添加小米粒文库到电脑桌面
安装后可以在桌面快捷访问

某公司绿化工程施工组织设计VIP免费

某公司绿化工程施工组织设计_第1页
1/61
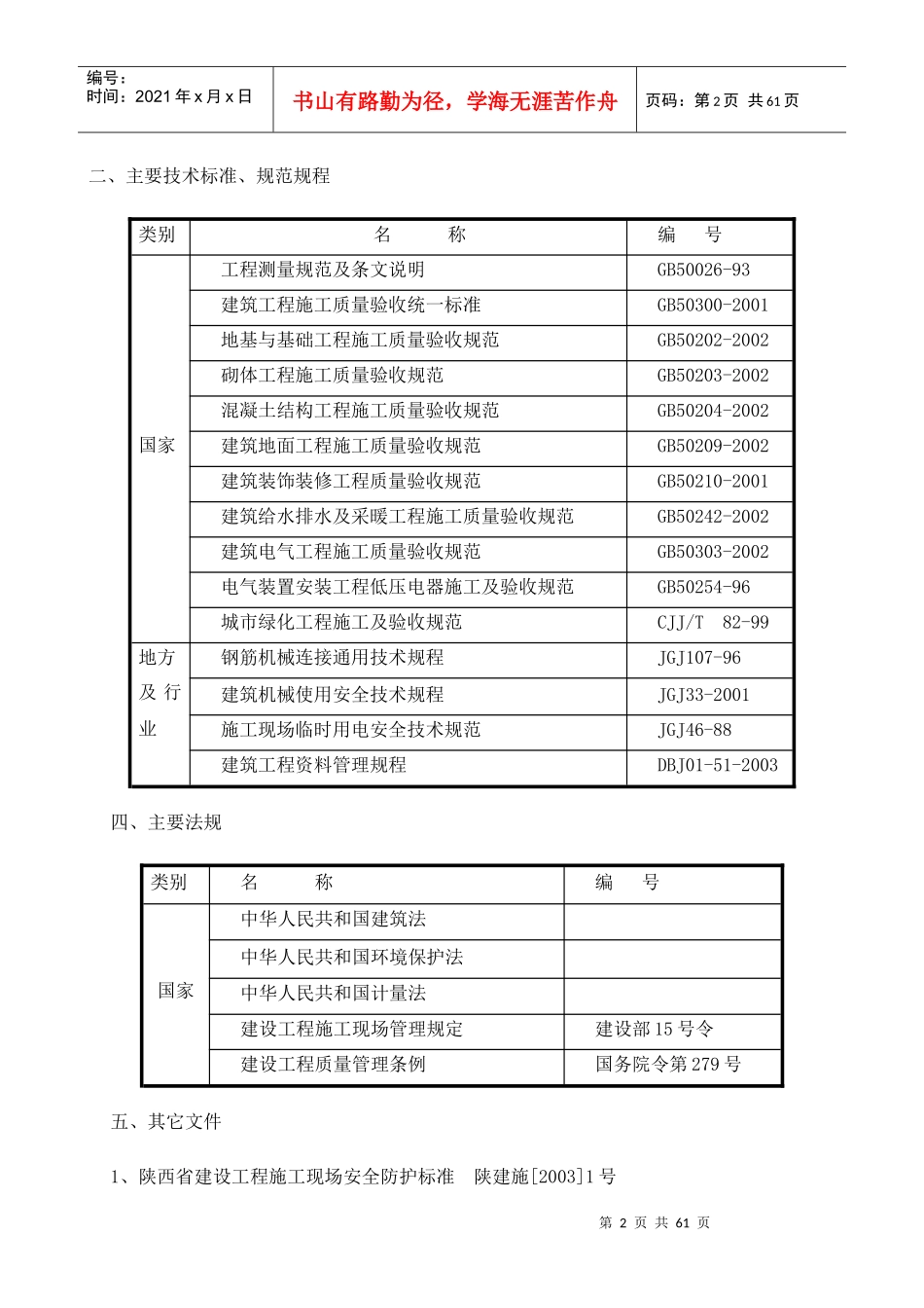
某公司绿化工程施工组织设计_第2页
2/61
某公司绿化工程施工组织设计_第3页
3/61
第1页共61页编号:时间:2021年x月x日书山有路勤为径,学海无涯苦作舟页码:第1页共61页中国石油长庆石油勘探局矿区服务事业部长庆石化综合服务处生活区主干道绿化改造工程我们将在施工中进一步深化完善各单项工程施工方案,实现长庆石化综合服务处生活区主干道绿化改造工程“优质、高速、安全、低耗、环保”的施工总目标。第一章、编制依据一、主要标准图集名称编号建筑构造通用图集88J1-1;88J9;88J10建筑设备安装通用图集91SB系列环境景观——室外工程细部构造03J012-1风景园林图例图示标准CJJ67-95中国园林建筑施工技术59263建筑电气通用图集92DQ系列第2页共61页第1页共61页编号:时间:2021年x月x日书山有路勤为径,学海无涯苦作舟页码:第2页共61页二、主要技术标准、规范规程类别名称编号国家工程测量规范及条文说明GB50026-93建筑工程施工质量验收统一标准GB50300-2001地基与基础工程施工质量验收规范GB50202-2002砌体工程施工质量验收规范GB50203-2002混凝土结构工程施工质量验收规范GB50204-2002建筑地面工程施工质量验收规范GB50209-2002建筑装饰装修工程质量验收规范GB50210-2001建筑给水排水及采暖工程施工质量验收规范GB50242-2002建筑电气工程施工质量验收规范GB50303-2002电气装置安装工程低压电器施工及验收规范GB50254-96城市绿化工程施工及验收规范CJJ/T82-99地方及行业钢筋机械连接通用技术规程JGJ107-96建筑机械使用安全技术规程JGJ33-2001施工现场临时用电安全技术规范JGJ46-88建筑工程资料管理规程DBJ01-51-2003四、主要法规类别名称编号国家中华人民共和国建筑法中华人民共和国环境保护法中华人民共和国计量法建设工程施工现场管理规定建设部15号令建设工程质量管理条例国务院令第279号五、其它文件1、陕西省建设工程施工现场安全防护标准陕建施[2003]1号第3页共61页第2页共61页编号:时间:2021年x月x日书山有路勤为径,学海无涯苦作舟页码:第3页共61页2、陕西省建设工程施工现场管理场容卫生标准陕建施[2003]2号3、陕西省建设工程施工现场环境保护标准陕建施[2003]3号4、陕西省建设工程施工现场保卫消防标准陕建施[2003]4号5、我单位的有关规定文件6、我单位编制的长庆石化综合服务处生活区主干道绿化改造工程预算资料7、施工现场及周围环境调查记录8、施工方案研讨记录第二章、工程概况一、工程简介序号项目内容1工程名称长庆石化小区主干道绿化改造工程2工程地点咸阳市金旭路3建设单位陕西省原野绿化有限公司4设计单位陕西省西安市王子绿化实业有限公司5质量标准合格二、建筑设计概况长庆石化小区主干道绿化改造工程三、电气工程概况景观工程配电系统。第4页共61页第3页共61页编号:时间:2021年x月x日书山有路勤为径,学海无涯苦作舟页码:第4页共61页四、水文地质概况本工程地基为天然地基,标准冻土深度为0.8m。第三章、总体施工方案一、工程目标1、质量目标达到咸阳市合格标准,争创优质工程。2、工期目标计划开工日期:2015年9月15日3、文明安全施工目标确保咸阳建筑工程文明安全工地,确保无伤亡事故发生。4、现场环境管理目标创造绿色生态环境、建设人文施工现场,营造以绿地、清水、蓝天、白云为背景的绿色家园。二、施工组织管理机构为了确保上述各项目标的实现,我单位将把本工程列为重点工程,成立“长庆石化小区主干道绿化改造工程”,配备强有力的管理班子,施工管理人员选用政治素质高、技术业务能力强、有丰富的施工和管理协调经验的人员组成。制定严格的岗位责任制,落实到人,各负其责。见运动公园园林景观工程项目部组织机构图。第5页共61页第4页共61页编号:时间:2021年x月x日书山有路勤为径,学海无涯苦作舟页码:第5页共61页项目经理为国家二级项目经理,主持过此类工程施工,具有现代化施工管理水平,能够为甲方提供全方位,高品质的服务。现场各职能部门负责组织指挥现场施工和各项工作的管理实施。项目经理部组织机构图项目经理公司工程部器材部预算部技术部安保部技术负责人计划设计部第6页共61页第5页共61页编号:时间:2021年x月x日书山有路勤为径,学海无涯苦作舟页码:第6页共61页三、总体施工安排为确保质量目标和工...

1、当您付费下载文档后,您只拥有了使用权限,并不意味着购买了版权,文档只能用于自身使用,不得用于其他商业用途(如 [转卖]进行直接盈利或[编辑后售卖]进行间接盈利)。
2、本站所有内容均由合作方或网友上传,本站不对文档的完整性、权威性及其观点立场正确性做任何保证或承诺!文档内容仅供研究参考,付费前请自行鉴别。
3、如文档内容存在违规,或者侵犯商业秘密、侵犯著作权等,请点击“违规举报”。

碎片内容

某公司绿化工程施工组织设计

确认删除?
VIP
微信客服
  • 扫码咨询
会员Q群
  • 会员专属群点击这里加入QQ群
客服邮箱
回到顶部