电脑桌面
添加小米粒文库到电脑桌面
安装后可以在桌面快捷访问

炼钢工艺技术操作规程与逆止型液流显示器应用VIP专享VIP免费

炼钢工艺技术操作规程与逆止型液流显示器应用_第1页
1/104
炼钢工艺技术操作规程与逆止型液流显示器应用_第2页
2/104
炼钢工艺技术操作规程与逆止型液流显示器应用_第3页
3/104
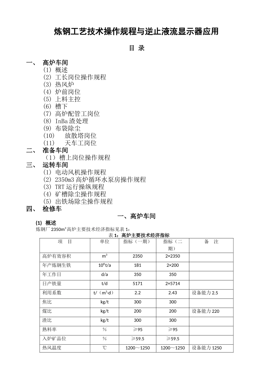
炼钢工艺技术操作规程与逆止液流显示器应用目录一、高炉车间(1)概述(2)工长岗位操作规程(3)热风炉(4)炉前岗位(5)上料主控(6)槽下(7)高炉配管工岗位(8)InBa渣处理(9)布袋除尘(10)放散塔岗位(11)天车工岗位二、准备车间(1)槽上岗位操作规程三、运转车间(1)电动风机操作规程(2)2350m3高炉循环水泵房操作规程(3)TRT运行操纵规程(4)矿槽除尘操作规程(5)出铁场除尘操作规程四、检修车一、高炉车间(1)概述炼钢厂2350m3高炉主要技术经济指标见表1:表1:高炉主要技术经济指标项目单位指标(一期)指标(二期)备注高炉有效容积m323502×2350年产炼钢生铁104t/a1812×200年工作日d/a350350日产铁量t/d51712×5714利用系数t/(m3·d)2.22.43设备能力2.5焦比kg/t300300煤比kg/t200200设备能力220渣比kg/t300300熟料率%≥95≥95入炉矿品位%≥59.5≥59.5热风温度℃1200~12501200~1250设备能力1250第1页共104页编号:时间:2021年x月x日书山有路勤为径,学海无涯苦作舟页码:第1页共104页项目单位指标(一期)指标(二期)备注富氧率%2~32~3设备能力4炉顶压力MPa0.20.2设备能力0.25高炉一代寿命a≥15≥15无中修热风炉一代寿命a≥30≥301.总平面布置高炉车间位于厂区南侧,三座高炉自西向东半岛式布置,高炉出铁场铁路出铁线与水平方向夹角350。热INBA渣处理设施布置在两个出铁场外侧,重力除尘器位于高炉与热风炉之间。矿槽和焦槽位于高炉北面。三座高炉煤粉喷吹及煤粉制备集中建在2号高炉北面。铸铁机和鱼雷罐车修理库布置在高炉东侧。主要工艺特点:(1)炉料入炉前过筛和焦丁回收入炉。槽下胶带机运输,胶带机上料。(2)采用串罐无料钟炉顶,炉顶设计压力(0.2~0.25)MPa。(3)炉体采用行之有效的措施,使高炉一代寿命(不中修)≥15年。(4)双出铁场,平坦化设计,汽车上出铁场。三个铁口,不设渣口。(5)采用旋切顶燃式热风炉,预热助燃空气和煤气,设计风温1200℃~1250℃。热风炉设计寿命≥30年。(6)炉顶煤气采用干法除尘和余压发电(TRT)技术。(7)炉渣处理采用热INBA工艺,100%冲水渣。(8)喷煤系统采用三罐并联、主管加分配器的喷吹方式,设计喷煤粉(200~220)kg/t铁。(9)矿槽、出铁场及炉顶配有完善的通风除尘设施。2.高炉本体2.1高炉结构与内型炉体设计为自立式框架结构,四根框架柱为直立结构,为确保风口区操作空间,便于更换风口设备,下部框架跨据为22.5×18m,上部框架跨据为18×18m。高炉内型尺寸见表2:表2:高炉内型尺寸表项目符号单位数量有效容积Vum32341炉缸直径Dmm11000炉腰直径dmm12100炉喉直径d1mm8100有效高度Humm27750死铁层深度h0mm2400炉缸高度h1mm4600炉腹高度h2mm3100炉腰高度h3mm1700炉身高度h4mm16300炉喉高度h5mm2050炉缸断面积Am295.7炉腹角α79.94°炉身角β83.00°Hu/D2.293风口数个30铁口数个32.2炉体冷却结构炉体冷却结构的选择将直接影响到高炉的生产寿命和产铁量。设计采用薄壁、薄炉衬结构形式。所谓薄壁就是:整个高炉冷却设备完全采用冷却壁加薄炉衬形式。其中炉缸及风口段采用光面铸铁冷却壁;炉腹、炉腰、炉身下部采用铜冷却壁;炉身中、上部采用铸铁冷却壁;炉喉采用水冷炉喉钢砖;整个炉体第2页共104页第1页共104页编号:时间:2021年x月x日书山有路勤为径,学海无涯苦作舟页码:第2页共104页100%冷却。目前铜冷却壁已在国内外高炉上普遍采用,使得高炉寿命大大提高,主要由于:①热阻小,工作温度低:约比球墨铸铁高~10倍,铜冷却壁内不铸入水管,消除了间隙热阻,这样便降低了冷却壁本体的温度和相应的温度应力,有利于形成能够保护冷却壁自身的渣皮,高传热率可使渣皮尽早形成,会隔离冷却壁的热表面,这样减弱了热传导,其程度甚至比铸铁冷却壁还低得多。②渣皮稳定:如果一旦出现渣皮脱落,由于铜冷却壁具有较强的冷却能力,能在热面上迅速形成新的渣皮。有关高炉记录到的铜冷却壁上渣皮形成的温度记录,铜冷却壁上渣皮建立的过程只不过15分钟左右的时间。③炉腰和炉身下部使用铜冷却壁后,其热量损失较使用铸铁冷却壁时低,这是由于形成了稳定厚实的渣皮,本体的工作温度较低所致。炉腹、炉腰、炉身下部是高...

1、当您付费下载文档后,您只拥有了使用权限,并不意味着购买了版权,文档只能用于自身使用,不得用于其他商业用途(如 [转卖]进行直接盈利或[编辑后售卖]进行间接盈利)。
2、本站所有内容均由合作方或网友上传,本站不对文档的完整性、权威性及其观点立场正确性做任何保证或承诺!文档内容仅供研究参考,付费前请自行鉴别。
3、如文档内容存在违规,或者侵犯商业秘密、侵犯著作权等,请点击“违规举报”。

碎片内容

炼钢工艺技术操作规程与逆止型液流显示器应用

确认删除?
VIP
微信客服
  • 扫码咨询
会员Q群
  • 会员专属群点击这里加入QQ群
客服邮箱
回到顶部