电脑桌面
添加小米粒文库到电脑桌面
安装后可以在桌面快捷访问

某住宅pp-r试压方案VIP免费

某住宅pp-r试压方案_第1页
1/5
某住宅pp-r试压方案_第2页
2/5
某住宅pp-r试压方案_第3页
3/5
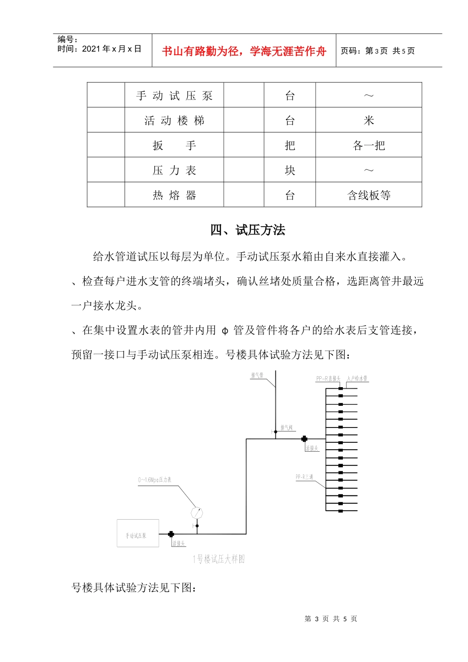
第1页共5页编号:时间:2021年x月x日书山有路勤为径,学海无涯苦作舟页码:第1页共5页目录一、工程概况.........................................................................二、人员安排.........................................................................三、试压工具.........................................................................四、试压方法.........................................................................五、水压试验时必须通知监理工程师在场监督下进行,水压试验合格后需填写其试压记录,并经有关人员签字认可。.................................六、安全措施.........................................................................七、需产生的技术措施费.........................................................第2页共5页第1页共5页编号:时间:2021年x月x日书山有路勤为径,学海无涯苦作舟页码:第2页共5页一、工程概况我单位施工的某住宅工程,该工程由、号楼住宅楼及地下车库组成,其中号楼住宅楼为跃层式层,号楼住宅楼为平层式层。本工程给水系统分为两个部分作业,第一部分为重庆市水务集团公司涂山水厂施工,施工范围从车库负二层水泵房至、号楼住宅楼各楼层水管井,水管井内水表安装止;第二部分为某有限公司施工,施工范围从、号楼住宅楼各楼层水管井内水表后经公共过道到楼层每户厨房。我单位完成了、号楼住宅楼各楼层水管井内水表后经公共过道至楼层每户厨房室内管φ的安装,采用角钢支架沿公共过道明敷。二、人员安排施工员名质检员名管道班长名管工名杂工名三、试压工具序号名称数量单位备注第3页共5页第2页共5页编号:时间:2021年x月x日书山有路勤为径,学海无涯苦作舟页码:第3页共5页手动试压泵台~活动楼梯台米扳手把各一把压力表块~热熔器台含线板等四、试压方法给水管道试压以每层为单位。手动试压泵水箱由自来水直接灌入。、检查每户进水支管的终端堵头,确认丝堵处质量合格,选距离管井最远一户接水龙头。、在集中设置水表的管井内用φ管及管件将各户的给水表后支管连接,预留一接口与手动试压泵相连。号楼具体试验方法见下图:号楼具体试验方法见下图:第4页共5页第3页共5页编号:时间:2021年x月x日书山有路勤为径,学海无涯苦作舟页码:第4页共5页、从预留接口处灌水直到水龙头有水溢出,排尽空气。、启动试压泵,压力缓慢上升,使其到达时,打开水龙头使其管道内气体完全排出。而后再缓慢升压至,关闭阀门,检查各管件熔接处,截止阀、丝堵等接口是否有渗漏。达到试验压力后稳压,观察接头部位是否有渗漏现象,如无渗漏压力有所下降时,应补压至规定的试验压力值,管道要求内压力降不大于。如压力降内超过应逐一检查接点,对渗漏点进行处理后再进行试压;如压力降小于,打开试压泵阀门降压至观察,压力降不超过,各连接处不渗漏为合格。、试压合格后关闭阀门,拆除试压泵并套入软管使其管道内余水排入厨房污水管道,据现场实际情况,截断试压管道连接合并处,以备水表安装和水表后水平短支管安装,并根据实际情况报废临时试压接连装置。五、水压试验时必须通知监理工程师在场监督下进行,水压试验合格后需填写其试压记录,并经有关人员签字认可。六、安全措施第5页共5页第4页共5页编号:时间:2021年x月x日书山有路勤为径,学海无涯苦作舟页码:第5页共5页、严禁违章操作。、管道井黑暗,正确搭设临时照明。、严格按照用电规范,及时拆出相关临时设施。、试压完后将材料器具清理完毕及时入库,做好周边场地的清洁,清除积水,试压完毕。七、需产生的技术措施费由于我单位从各楼层水管井内水表后经公共过道到楼层每户厨房已施工完毕,重庆水务集团涂山水厂管道井内给水管道还未施工完成,为满足工期要求及后续工序施工必需提前试压,试压需报废直接头,各楼号为:号楼每层报废直接头个,个×层=个;号楼每层报废直接头个,个×层=个。所有报废的直接头由建设单位购买。

1、当您付费下载文档后,您只拥有了使用权限,并不意味着购买了版权,文档只能用于自身使用,不得用于其他商业用途(如 [转卖]进行直接盈利或[编辑后售卖]进行间接盈利)。
2、本站所有内容均由合作方或网友上传,本站不对文档的完整性、权威性及其观点立场正确性做任何保证或承诺!文档内容仅供研究参考,付费前请自行鉴别。
3、如文档内容存在违规,或者侵犯商业秘密、侵犯著作权等,请点击“违规举报”。

碎片内容

某住宅pp-r试压方案

确认删除?
VIP
微信客服
  • 扫码咨询
会员Q群
  • 会员专属群点击这里加入QQ群
客服邮箱
回到顶部