电脑桌面
添加小米粒文库到电脑桌面
安装后可以在桌面快捷访问

水利水电工程质检表格(总)VIP免费

水利水电工程质检表格(总)_第1页
1/78
水利水电工程质检表格(总)_第2页
2/78
水利水电工程质检表格(总)_第3页
3/78
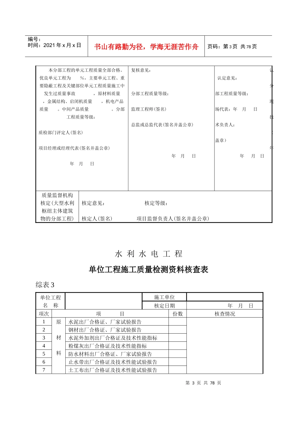
第1页共78页编号:时间:2021年x月x日书山有路勤为径,学海无涯苦作舟页码:第1页共78页水利水电工程单位工程施工质量评定表表1工程项目名称施工单位单位工程名称施工日期自年月日至年月日单位工程量评定日期序号分部工程名称质量等级序号分部工程名称质量等级合格优良合格优良1829310411512613714分部工程共个,全部合格,其中优良个,优良率%,主要分部工程优良率%外观质量应得分,实得分,得分率%施工质量检验资料质量事故处理情况观测资料分析情况第2页共78页第1页共78页编号:时间:2021年x月x日书山有路勤为径,学海无涯苦作舟页码:第2页共78页施工单位自评等级:评定人:项目经理:(盖公章)年月日监理单位复核等级:复核人:总监或副总监:(盖公章)年月日项目法人认定等级:认定人:单位负责人:(盖公章)年月日质量监督机构核定等级:核定人:项目监督负责人:(盖公章)年月日水利水电工程分部工程施工质量评定表综表2单位工程名称施工单位分部工程名称施工日期自年月日至年月日分部工程量评定日期年月日项次单元工程类型工程量单元工程个数合格个数其中优良个数备注1234567合计优良率%主要(重要、关键)单元工程施工单位自评意见监理单位复核意见项目法人认定意见第3页共78页第2页共78页编号:时间:2021年x月x日书山有路勤为径,学海无涯苦作舟页码:第3页共78页本分部工程的单元工程质量全部合格。优良单元工程为%,主要单元工程、重要隐蔽工程及关键部位单元工程质量施工中发生过质量事故,原材料质量,金属结构、启闭机质量,机电产品质量。中间产品质量。分部工程质量等级:质检部门评定人(签名)项目经理或经理代表(签名并盖公章)年月日复核意见:分部工程质量等级:监理工程师(签名)总监或总监代表(签名并盖公章)年月日认认定意见:分部工程质量等级:现场代表:年月日技术负责人:(盖章)年年月日质量监督机构核定(大型水利枢纽主体建筑物的分部工程)核定意见:核定等级:核定人(签名)项目监督负责人(签名并盖公章)水利水电工程单位工程施工质量检测资料核查表综表3单位工程名称施工单位核定日期年月日项次项目份数核查情况1原材料水泥出厂合格证、厂家试验报告2钢材出厂合格证、厂家试验报告3水泥外加剂出厂合格证及技术性能指标4粉煤灰出厂合格证及技术性能指标5防水材料出厂合格证、厂家试验报告6止水带出厂合格证及技术性能试验报告7土工布出厂合格证及技术性能试验报告第4页共78页第3页共78页编号:时间:2021年x月x日书山有路勤为径,学海无涯苦作舟页码:第4页共78页8装饰材料出厂合格证及有关技术性能资料9水泥复验报告及统计资料10钢材复验报告及统计资料11其他原材料出厂合格证及技术性能资料12中间产品砂、石骨料试验资料13石料试验资料14混凝土拌和物检查资料15混凝土试件统计资料16砂浆拌和物及试件统计资料17混凝土预制件(块)检验资料18金属结构及启闭机拦污栅出厂合格证及有关技术文件19闸门出厂合格证及有关技术文件20启闭机出厂合格证及有关技术文件21压力钢管生产许可证及有关技术文件22闸门、拦污栅安装测量记录23压力钢管安装测量记录24启闭机安装测量记录25焊接记录及控伤报告26焊工资质证明材料(复印件)27运行试验记录水利水电工程单位工程施工质量检测资料核查表综表328机电设备产品出厂合格证,厂家提交的安装说明书及有关文件29重大设备质量缺陷处理资料30水轮发电机组安装测量记录31升压变电设备安装测试记录32电气设备安装测试记录33焊缝控伤报告及焊工资格证明34机组调试及试验记录35水力机械辅助设备试验记录36发电电气设备检测报告37升压变电电气设备检测试验报告第5页共78页第4页共78页编号:时间:2021年x月x日书山有路勤为径,学海无涯苦作舟页码:第5页共78页38管道试验记录3972小时运行记录40重要隐蔽工程施工记录灌浆记录、图表41造孔灌注桩施工记录、图表42振冲桩振冲记录43基础排水工程施工记录44地下防渗墙施工记录45其它重要施工记录46综合资料质量事故调查及处理报告,重大缺陷处理检查记录47工程试运行期观测资料48工序、单元工程质量评定表49分部工程、单位工程质量评定表施工单位自查意见监理单位复查...

1、当您付费下载文档后,您只拥有了使用权限,并不意味着购买了版权,文档只能用于自身使用,不得用于其他商业用途(如 [转卖]进行直接盈利或[编辑后售卖]进行间接盈利)。
2、本站所有内容均由合作方或网友上传,本站不对文档的完整性、权威性及其观点立场正确性做任何保证或承诺!文档内容仅供研究参考,付费前请自行鉴别。
3、如文档内容存在违规,或者侵犯商业秘密、侵犯著作权等,请点击“违规举报”。

碎片内容

水利水电工程质检表格(总)

精品中小学资料+ 关注
实名认证
内容提供者

精品文档

确认删除?
VIP
微信客服
  • 扫码咨询
会员Q群
  • 会员专属群点击这里加入QQ群
客服邮箱
回到顶部