电脑桌面
添加小米粒文库到电脑桌面
安装后可以在桌面快捷访问

物理与电子工程系汽车检测与维修技术专业培养方案VIP免费

物理与电子工程系汽车检测与维修技术专业培养方案_第1页
1/3
物理与电子工程系汽车检测与维修技术专业培养方案_第2页
2/3
物理与电子工程系汽车检测与维修技术专业培养方案_第3页
3/3
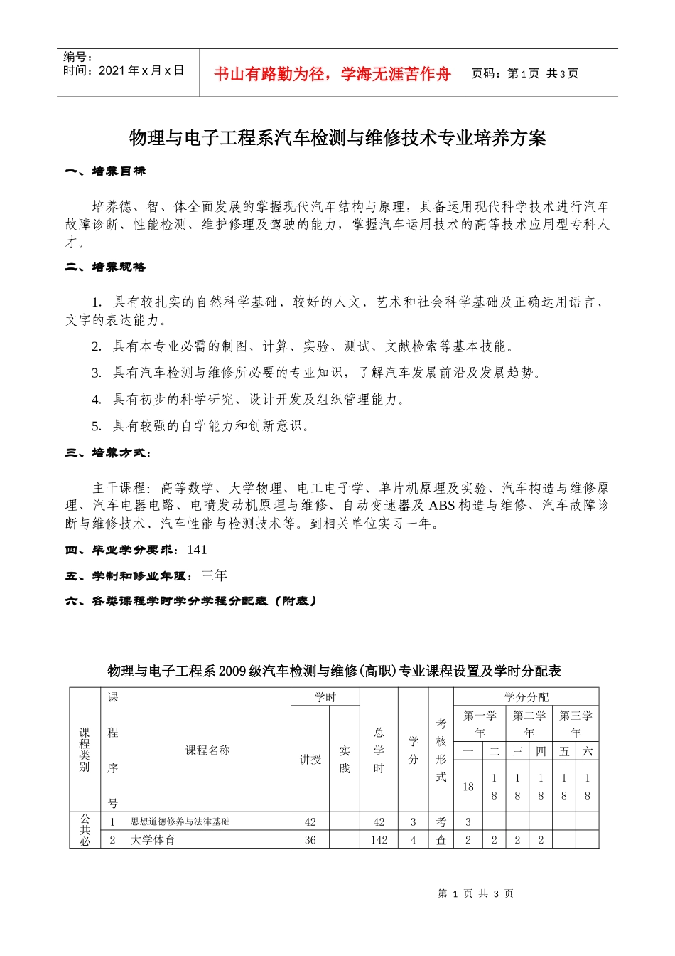
第1页共3页编号:时间:2021年x月x日书山有路勤为径,学海无涯苦作舟页码:第1页共3页物理与电子工程系汽车检测与维修技术专业培养方案一、培养目标培养德、智、体全面发展的掌握现代汽车结构与原理,具备运用现代科学技术进行汽车故障诊断、性能检测、维护修理及驾驶的能力,掌握汽车运用技术的高等技术应用型专科人才。二、培养规格1.具有较扎实的自然科学基础、较好的人文、艺术和社会科学基础及正确运用语言、文字的表达能力。2.具有本专业必需的制图、计算、实验、测试、文献检索等基本技能。3.具有汽车检测与维修所必要的专业知识,了解汽车发展前沿及发展趋势。4.具有初步的科学研究、设计开发及组织管理能力。5.具有较强的自学能力和创新意识。三、培养方式:主干课程:高等数学、大学物理、电工电子学、单片机原理及实验、汽车构造与维修原理、汽车电器电路、电喷发动机原理与维修、自动变速器及ABS构造与维修、汽车故障诊断与维修技术、汽车性能与检测技术等。到相关单位实习一年。四、毕业学分要求:141五、学制和修业年限:三年六、各类课程学时学分学程分配表(附表)物理与电子工程系2009级汽车检测与维修(高职)专业课程设置及学时分配表课程类别课程序号课程名称学时总学时学分考核形式学分分配讲授实践第一学年第二学年第三学年一二三四五六181818181818公共必1思想道德修养与法律基础42423考32大学体育361424查2222第2页共3页第1页共3页编号:时间:2021年x月x日书山有路勤为径,学海无涯苦作舟页码:第2页共3页修课3毛泽东思想、邓小平理论和“三个代表”重要思想概论42423考34大学英语7228416考44445计算机文化基础3434684考3/26形势与政策161查117军事训练341查公共必修总计578320106700专业基础课(必修)8高等数学(一)72724考49高等数学(二)72724考410大学物理1081086考611汽车机械制图72724考412电工电子技术1081086考613汽车机械基础72724考414液压与气压传动36362查215汽车文化34342查216普通物理实验36362查1117电工技术实验18181查1小计5745462835017180000专业方向课(必修)18发动机构造与维修72724考419发动机构造与维修实验36362查220底盘构造与维修72724考421底盘构造与维修实验36362查222发动机原理与汽车性能72724查423发动机原理实验3636222汽车单片机原理72724考4第3页共3页第2页共3页编号:时间:2021年x月x日书山有路勤为径,学海无涯苦作舟页码:第3页共3页425汽车单片机原理实验36362考226汽车故障诊断与检测72724考427汽车故障诊断与检测362228汽车电控技术72724考429汽车电控技术362230汽车电器电路72724考431汽车电器电路36362查2小计50425268442006181800综合实践毕业见习16查毕业实习16查小计32总计1078306189014101734242500

1、当您付费下载文档后,您只拥有了使用权限,并不意味着购买了版权,文档只能用于自身使用,不得用于其他商业用途(如 [转卖]进行直接盈利或[编辑后售卖]进行间接盈利)。
2、本站所有内容均由合作方或网友上传,本站不对文档的完整性、权威性及其观点立场正确性做任何保证或承诺!文档内容仅供研究参考,付费前请自行鉴别。
3、如文档内容存在违规,或者侵犯商业秘密、侵犯著作权等,请点击“违规举报”。

碎片内容

物理与电子工程系汽车检测与维修技术专业培养方案

确认删除?
VIP
微信客服
  • 扫码咨询
会员Q群
  • 会员专属群点击这里加入QQ群
客服邮箱
回到顶部