电脑桌面
添加小米粒文库到电脑桌面
安装后可以在桌面快捷访问

机械工人常用计算方法示例VIP专享VIP免费

机械工人常用计算方法示例_第1页
1/33
机械工人常用计算方法示例_第2页
2/33
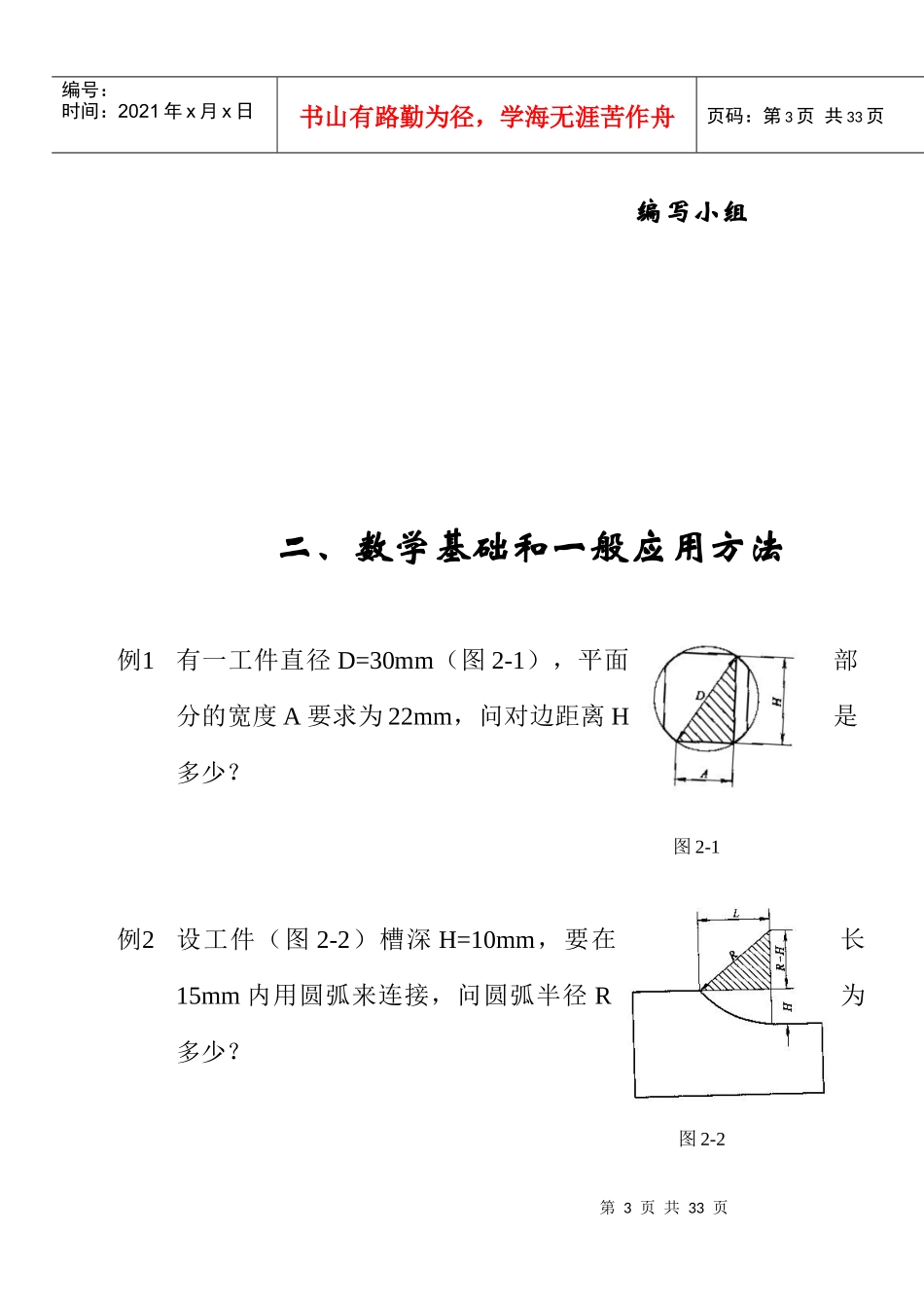
机械工人常用计算方法示例_第3页
3/33
第1页共33页编号:时间:2021年x月x日书山有路勤为径,学海无涯苦作舟页码:第1页共33页机械工人常用计算方法示例辽宁省机电工程学校2008年3月试用第2页共33页第1页共33页编号:时间:2021年x月x日书山有路勤为径,学海无涯苦作舟页码:第2页共33页前言当今新型机械工人,不但在操作技能方面需要熟练,并且对理论计算要有一定的认识。本书编写的目的,就在于使学习和经常运用有关计算的技工,能掌握这些专业知识,更好地为生产服务。本教材注重了基础性计算和通用性计算的有机结合,在突出和贯穿机械加工、编程中各种常规性计算的同时,许多处还不同程度地叙述了一些特殊情况下的计算,以满足不同加工条件的需要。在编写过程中,我们追求实用和实效,加强内容的充实和提高,力求理论与实践相结合。书中难免有不足之处甚至错误的地方,望给予批评指正。第3页共33页第2页共33页编号:时间:2021年x月x日书山有路勤为径,学海无涯苦作舟页码:第3页共33页编写小组二、数学基础和一般应用方法例1有一工件直径D=30mm(图2-1),平面部分的宽度A要求为22mm,问对边距离H是多少?例2设工件(图2-2)槽深H=10mm,要在长15mm内用圆弧来连接,问圆弧半径R为多少?图2-1图2-2第4页共33页第3页共33页编号:时间:2021年x月x日书山有路勤为径,学海无涯苦作舟页码:第4页共33页例3图2-3的圆轴,大直径D=35mm,小直径d=25mm,在大小两轴间的8mm长度内以圆弧连接(即L=8mm),求圆角半径R为多少?例4要加工一个正三角形冲模的冲头,三角形边长是30mm,如果用圆形工具钢来加工,问该用多大直径的圆料?例5图2-4中的两孔距离c=80mm,横向距离a=50mm,求算纵向距离b为多少?6一圆锥体底圆直径D=100mm,垂直高h=140mm,问斜高L为多少?例7一截圆锥体上直径d=200mm,下底直径D=320mm,垂直高h=210mm,求算它的斜高L为多少?例8图2-5a所示的工件图形,求算角度图2-3图2-4第5页共33页第4页共33页编号:时间:2021年x月x日书山有路勤为径,学海无涯苦作舟页码:第5页共33页a。图中,C点是R2的中心(图2-5b),D是圆弧和直线切点,联AC得到两个直角三角形ABC和ACD。例9图2-6a所示的工件图形,求算角a时,见图2-6b。图中,A和C是两个圆弧的中心,E和F是切点,作CD//EF计算例10图2-7a所示的工件图形,计算角度a图2-5图形角度计算(一)a)工作图形b)计算图形图2-6图形角度计算(二)a)工作图形b)计算图形第6页共33页第5页共33页编号:时间:2021年x月x日书山有路勤为径,学海无涯苦作舟页码:第6页共33页时,见图2-7b。例11图2-8a所示的工件图形,求算高度h时,见图2-8b。图2-7图形角度计算(三)a)工作图形b)计算图形图2-8图形高度计算a)工作图形b)计算图形第7页共33页第6页共33页编号:时间:2021年x月x日书山有路勤为径,学海无涯苦作舟页码:第7页共33页例12图2-9a所示的工件图形,求算直径d时,见图2-9b。例13图2-10所示的工件图形,要求算出圆弧R30所对的圆心角α时,按对应边互相垂直等角定理。例14图2-11所示的工件图形,求算角度α时,按对应边互相垂直等角定理。三、普通工件结构要素计算图2-9图形直径计算a)工作图形b)计算图形图2-10图弧所对圆心角计算图2-11斜度斜角计算第8页共33页第7页共33页编号:时间:2021年x月x日书山有路勤为径,学海无涯苦作舟页码:第8页共33页例一:1、要求学生理解坐标系的含义,什么是绝对坐标、相对坐标,怎样计算绝对与相对坐标值。围绕上面要求讲授相关数学知识。2、计算1-2-3-4-5-6-1轨迹中各点的相对坐标。3、计算XOY坐标系中,1-6点的绝对坐标。4、将坐标原点移至3点后,要求学生能独立地计算2、3中的各项要求。第9页共33页第8页共33页编号:时间:2021年x月x日书山有路勤为径,学海无涯苦作舟页码:第9页共33页例二:1、要求学生掌握圆弧与直线相切的数学关系。并讲授相关知识。2、计算在XOY坐标系中,1、2、3、4点绝对坐标。3、学生能独立计算类似的几何点坐标。第10页共33页第9页共33页编号:时间:2021年x月x日书山有路勤为径,学海无涯苦作舟页码:第10页共33页例三:1、要求围绕计算六边形各点的坐标值(A、B等),讲解相关的数学知识。2、计算各顶点的绝对...

1、当您付费下载文档后,您只拥有了使用权限,并不意味着购买了版权,文档只能用于自身使用,不得用于其他商业用途(如 [转卖]进行直接盈利或[编辑后售卖]进行间接盈利)。
2、本站所有内容均由合作方或网友上传,本站不对文档的完整性、权威性及其观点立场正确性做任何保证或承诺!文档内容仅供研究参考,付费前请自行鉴别。
3、如文档内容存在违规,或者侵犯商业秘密、侵犯著作权等,请点击“违规举报”。

碎片内容

机械工人常用计算方法示例

确认删除?
VIP
微信客服
  • 扫码咨询
会员Q群
  • 会员专属群点击这里加入QQ群
客服邮箱
回到顶部