电脑桌面
添加小米粒文库到电脑桌面
安装后可以在桌面快捷访问

城市燃气管道防腐施工VIP免费

城市燃气管道防腐施工_第1页
1/15
城市燃气管道防腐施工_第2页
2/15
城市燃气管道防腐施工_第3页
3/15
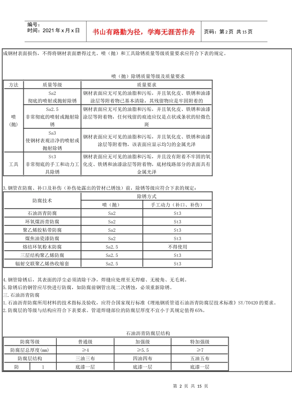
第1页共15页编号:时间:2021年x月x日书山有路勤为径,学海无涯苦作舟页码:第1页共15页第四章城市燃气管道防腐施工第一节城市燃气管道防腐一.一般规定:1.管道防腐层的预制、施工过程中所涉及到的有关工业卫生和环境保护,应符合国家现行标准《工业企业设计卫生标准》TJ36、《涂装作业安全规程涂装前处理工艺安全》GB7692和《涂装作业安全规程涂装前处理工艺通风净化》GB7693的规定。2.管道防腐宜统一在防腐车间(场、站)进行。3.管道及管件防腐前应逐根进行外观检查和测量。(一)钢管弯曲度应小于0.2%钢管长度,椭圆度应小于或等于0.2%钢管外径。(二)应无裂纹、缩孔、夹渣、折叠、皱皮等缺陷。(三)管道表面局部凹凸应小于2mm。(四)管道表面应无疤痕和严重锈蚀等缺陷。4.防腐前应对防腐原材料进行检查,有下列情况之一者,不得使用:(一)无出厂质量证明书或检验证明。(二)出厂质量证明书的数据不全会对数据有怀疑,且未经复验或复验后不合格。(三)无说明书、生产日期和储存有效期。5.做好防腐层的管道在堆放、运输、安装时,必须采取有效措施,以保证防腐层不受损伤。6.经检查合格的防腐管道,应在防腐层上标明管道的规格、防腐等级、执行标准、生产日期和厂名等。7.防腐管应按防腐类型、等级和管道规格分类堆放,需固化的防腐涂层待防腐涂层固化后堆放。8.防腐层未实干的管道,不得回填。二.管道的表面处理1.钢管表面如有许多的油脂和积垢,应按照国家现行标准《涂装前钢材表面处理规范》SY/T0407进行清洗处理。2.管道宜采用喷(抛)除锈。喷(抛)除锈的方法和磨料要求应符合国家现行标准SY/T0407第5章的规定,采用工具除锈时,不应造第2页共15页第1页共15页编号:时间:2021年x月x日书山有路勤为径,学海无涯苦作舟页码:第2页共15页成钢材表面损伤,不得将钢材表面磨得过光。喷(抛)和工具除锈质量等级质量要求应符合下表的规定。喷(抛)除锈质量等级及质量要求方法质量等级质量要求喷(抛)Sa2彻底的喷射或抛射除锈钢材表面应无可见的油脂和污垢,并且氧化皮、铁锈和油漆涂层等附着物已基本清除,其残留物应是牢固附着的Sa2.5非常彻底的喷射或抛射除锈钢材表面应无可见的油脂和污垢,并且氧化皮、铁锈和油漆涂层等附着物,任何残留的痕迹应仅是点状或条状的轻微色斑Sa3使钢材表观洁净的喷射或抛射除锈钢材表面应无可见的油脂和污垢,并且氧化皮、铁锈和油漆涂层等附着物,该表面应显示均匀的金属光泽工具St3非常彻底的手工和动力工具除锈钢材表面应无可见的油脂和污垢,并且没有附着不牢固的氧化皮、铁锈和油漆涂层等附着物,底材线路部分的表面具有金属光泽3.钢管在防腐、补口及补伤(补伤处露出的管材已锈蚀)前,除锈等级应符合下表的规定:防腐技术除锈方式喷(抛)手工动力(补口、补伤)石油沥青防腐Sa2St3环氧煤沥青防腐Sa2St3聚乙烯胶粘带防腐Sa2St3煤焦油瓷漆防腐Sa2St3熔结环氧粉末防腐Sa2.5不得使用三层结构聚乙烯防腐Sa2.5St3辐射交联聚乙烯热收缩套Sa2.5St34.钢管除锈后,其表面的浮尘必须清除干净,焊缝应处理至无焊瘤、无棱角、无毛刺。5.除锈后的钢管应尽快进行防腐,如防腐前钢管出现二次锈蚀,必须重新除锈。三.石油沥青防腐1.石油沥青防腐所用材料的技术指标及验收,应符合国家现行标准《埋地钢质管道石油沥青防腐层技术标准》SY/T0420的要求。2.防腐层的等级与结构应符合下表要求。管道焊缝部位的防腐层厚度不宜小于其规定值得65%。石油沥青防腐层结构防腐等级普通级加强级特加强级防腐层总厚度(mm)≥4≥5.5≥7防腐层结构三油三布四油四布五油五布防1底漆一层底漆一层底漆一层第3页共15页第2页共15页编号:时间:2021年x月x日书山有路勤为径,学海无涯苦作舟页码:第3页共15页腐层排序及厚度(mm)2石油沥青厚≥1.5石油沥青厚≥1.5石油沥青厚≥1.53玻璃布一层玻璃布一层玻璃布一层4石油沥青厚1.0-1.5石油沥青厚1.0-1.5石油沥青厚1.0-1.55玻璃布一层玻璃布一层玻璃布一层6石油沥青厚1.0-1.5石油沥青厚1.0-1.5石油沥青厚1.0-1.57外包保护层玻璃布一层玻璃布一层8-----石油沥青厚1.0-1.5石油沥青厚1.0-1.59-----外包保护层玻璃布一层10------...

1、当您付费下载文档后,您只拥有了使用权限,并不意味着购买了版权,文档只能用于自身使用,不得用于其他商业用途(如 [转卖]进行直接盈利或[编辑后售卖]进行间接盈利)。
2、本站所有内容均由合作方或网友上传,本站不对文档的完整性、权威性及其观点立场正确性做任何保证或承诺!文档内容仅供研究参考,付费前请自行鉴别。
3、如文档内容存在违规,或者侵犯商业秘密、侵犯著作权等,请点击“违规举报”。

碎片内容

城市燃气管道防腐施工

您可能关注的文档

教育精品店+ 关注
实名认证
内容提供者

优良的服务

确认删除?
VIP
微信客服
  • 扫码咨询
会员Q群
  • 会员专属群点击这里加入QQ群
客服邮箱
回到顶部