电脑桌面
添加小米粒文库到电脑桌面
安装后可以在桌面快捷访问

基础工程设计课程VIP免费

基础工程设计课程_第1页
1/20
基础工程设计课程_第2页
2/20
基础工程设计课程_第3页
3/20
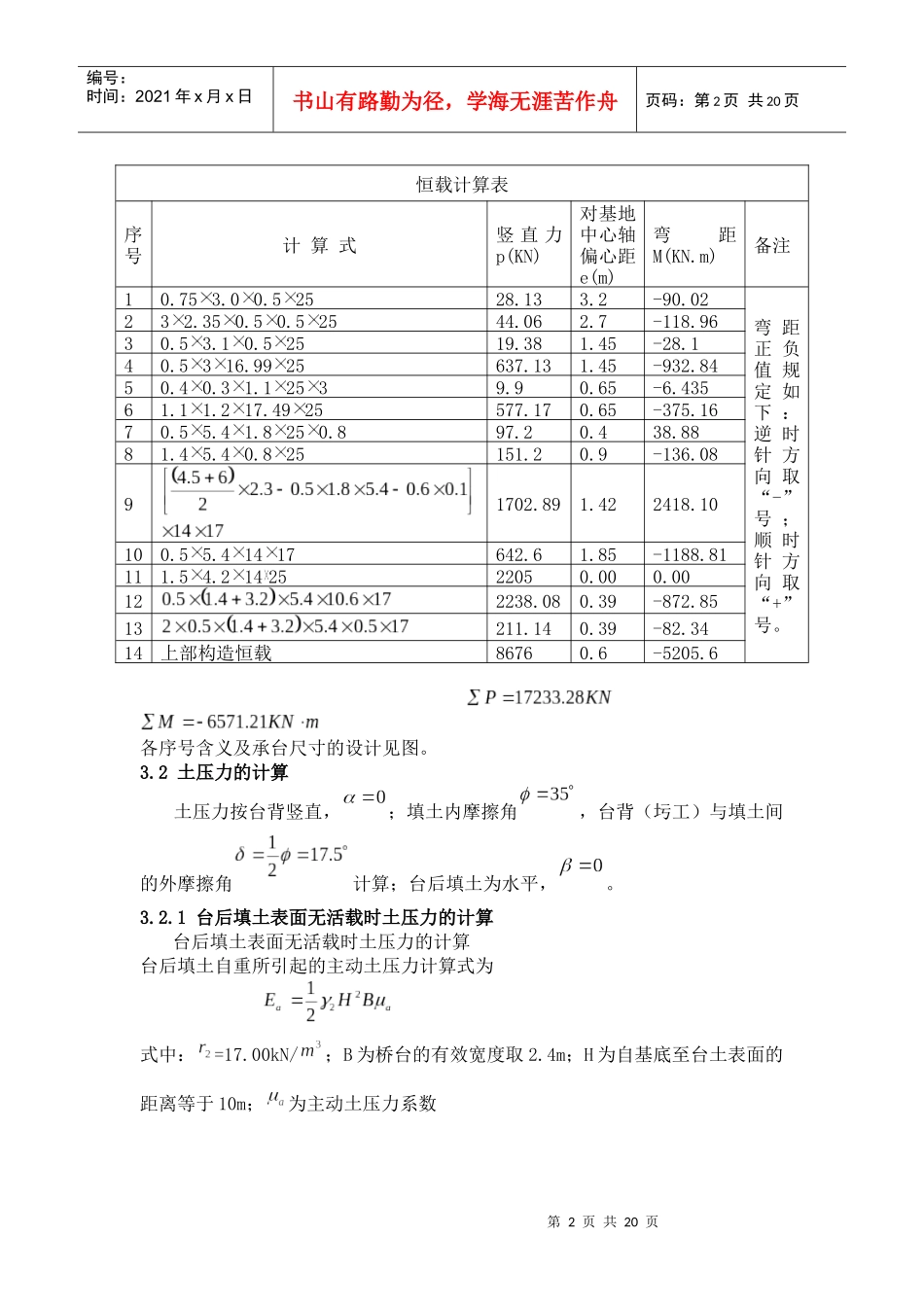
第1页共20页编号:时间:2021年x月x日书山有路勤为径,学海无涯苦作舟页码:第1页共20页基础工程课程设计计算书一设计资料1.1初始条件东莞市常虎高速公路某高架桥梁,上部构造采用装配式钢筋混凝土简支T梁,标准跨径25m,计算跨径24m。桥面宽度为米,参照《公路桥梁地基基础设计规范》进行设计计算。1.2设计荷载汽车—超20级,挂—120,人群荷载3.5。后台填土高度为8.5米。桥台竖直反力为8676KN。1.3材料台帽、耳墙、台身和基础(承台)为20号钢筋混凝土。;后台及溜坡填土的;填土的内摩擦角粘聚力。1.4地质资料,上部尺寸见所附图纸。二基础类型的选择由于采用浅基础的时候,其基础深度不会超过5米,一般在3米左右,但是,此处地形在5米深度内承载力很小,根本不能满足桥台稳定性的要求,故在此处选择桩基础作为承台基础。另外,由于底下土层的极限摩阻力很下,不能满足要求,此外,在距离地层表面13.8米的地方含有承载力很大的持力岩层,故在本地形时,柱桩基础是最好的选择。三荷载计算3.1上部构造恒载反力及桥台台身、基础上的土重计算,其值列表如下:第2页共20页第1页共20页编号:时间:2021年x月x日书山有路勤为径,学海无涯苦作舟页码:第2页共20页各序号含义及承台尺寸的设计见图。3.2土压力的计算土压力按台背竖直,;填土内摩擦角,台背(圬工)与填土间的外摩擦角计算;台后填土为水平,。3.2.1台后填土表面无活载时土压力的计算台后填土表面无活载时土压力的计算台后填土自重所引起的主动土压力计算式为式中:=17.00kN/;B为桥台的有效宽度取2.4m;H为自基底至台土表面的距离等于10m;为主动土压力系数恒载计算表序号计算式竖直力p(KN)对基地中心轴偏心距e(m)弯距M(KN.m)备注10.753.00.52528.133.2-90.02弯距正负值规定如下:逆时针方向取“-”号;顺时针方向取“+”号。232.350.50.52544.062.7-118.9630.53.10.52519.381.45-28.140.5316.9925637.131.45-932.8450.40.31.12539.90.65-6.43561.11.217.4925577.170.65-375.1670.55.41.8250.897.20.438.8881.45.40.825151.20.9-136.0891702.891.422418.10100.55.41417642.61.85-1188.81111.54.2142522050.000.00122238.080.39-872.8513211.140.39-82.3414上部构造恒载86760.6-5205.6第3页共20页第2页共20页编号:时间:2021年x月x日书山有路勤为径,学海无涯苦作舟页码:第3页共20页=0.247所以kN其水平向的分力离基础底面的距离:对基底形心轴的弯距为在竖直方向的分力=503.88作用点离基底形心轴的距离:对基底形心轴的弯距:3.2.2台后填土表面有汽车荷载时由汽车荷载换算的等代均布土层厚度为:式中:为破坏棱体长度,对于台背为竖直时,,而所以有m又因为在破坏棱体内只能放一辆重车,因是4车道,故:第4页共20页第3页共20页编号:时间:2021年x月x日书山有路勤为径,学海无涯苦作舟页码:第4页共20页则台背在填土连同破坏棱体上车辆荷载作用下引起的土压力为KN其水平向的分力离基础底面的距离:对基底形心轴的弯距为在竖直方向的分力=624.81作用点离基底形心轴的距离:对基底形心轴的弯距:3.2.3台后填土表面为挂车荷载时由于,在该长度范围内挂车荷载的轮重为,换算的等代土层厚度为则土压力为KN其水平向的分力离基础底面的距离:对基底形心轴的弯距为在竖直方向的分力第5页共20页第4页共20页编号:时间:2021年x月x日书山有路勤为径,学海无涯苦作舟页码:第5页共20页=570.70作用点离基底形心轴的距离:对基底形心轴的弯距:3.2.4台前溜坡填土自重对桥台前侧面上的主动土压力在计算时,以基础前侧边缘垂线作为假想台背,土表面的倾斜度以溜坡坡度为1:1.5算得,则基础边缘至坡面的垂直距离为m,取为土的内摩擦角35,主动土压力系数为:则主动土压力为:在水平方向的分力作用点离基础底面的距离:对基底形心轴的弯距为竖直方向的分力作用点离基底形心轴的距离对基底形心轴的弯距为3.3支座活载反力计算第6页共20页第5页共20页编号:时间:2021年x月x日书山有路勤为径,学海无涯苦作舟页码:第6页共20页按下列情况进行计算支座反力:第一,桥上有汽车及人群荷载,台后无活载;第二,桥上有汽车及人群荷载,台后也有汽...

1、当您付费下载文档后,您只拥有了使用权限,并不意味着购买了版权,文档只能用于自身使用,不得用于其他商业用途(如 [转卖]进行直接盈利或[编辑后售卖]进行间接盈利)。
2、本站所有内容均由合作方或网友上传,本站不对文档的完整性、权威性及其观点立场正确性做任何保证或承诺!文档内容仅供研究参考,付费前请自行鉴别。
3、如文档内容存在违规,或者侵犯商业秘密、侵犯著作权等,请点击“违规举报”。

碎片内容

基础工程设计课程

确认删除?
VIP
微信客服
  • 扫码咨询
会员Q群
  • 会员专属群点击这里加入QQ群
客服邮箱
回到顶部