电脑桌面
添加小米粒文库到电脑桌面
安装后可以在桌面快捷访问

工程质量回访保修程序(质量记录)VIP免费

工程质量回访保修程序(质量记录)_第1页
1/10
工程质量回访保修程序(质量记录)_第2页
2/10
工程质量回访保修程序(质量记录)_第3页
3/10
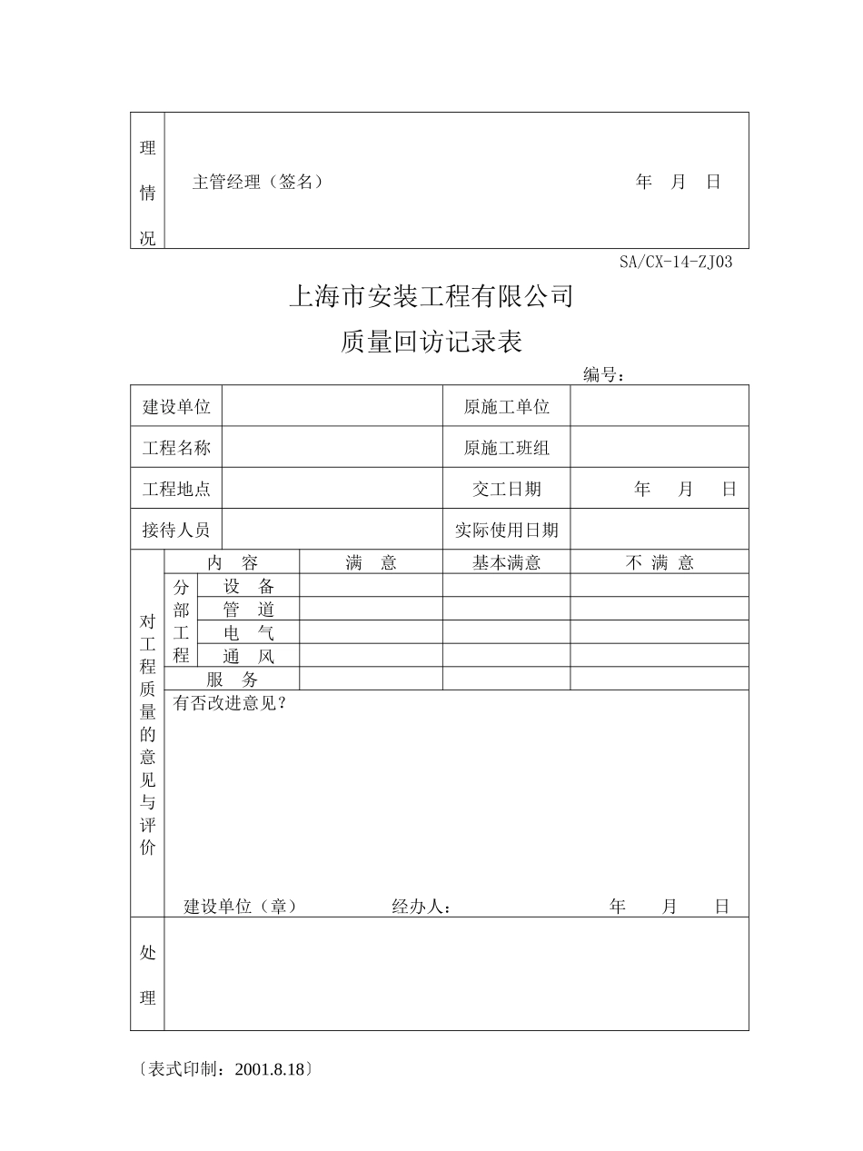
SA/CX-14-ZJ08上海市安装工程有限公司用户来电、来访、来函记录表建设单位项目名称来电(访)人及电话来函单位(部门)用户反映质量问题接待人(签名)年月日处〔表式印制:2001.8.18〕理情况主管经理(签名)年月日SA/CX-14-ZJ03上海市安装工程有限公司质量回访记录表编号:建设单位原施工单位工程名称原施工班组工程地点交工日期年月日接待人员实际使用日期对工程质量的意见与评价内容满意基本满意不满意分部工程设备管道电气通风服务有否改进意见?建设单位(章)经办人:年月日处理〔表式印制:2001.8.18〕情况回访人员(签名)年月日主管领导(签名)年月日SA/CX-14-ZJ05上海市安装工程有限公司工程质量保修服务单单位(盖章)顾客单位单位工程施工员施工班组保修开始日期年月日保修完成日期年月日保修项目及保修情况:施工负责人(签名):〔表式印制:2001.8.18〕顾客单位对保修后的意见:顾客单位(公章)代表人(签名)年月日经营生产部(科)意见:公章经办人(签名)年月日技术监督部(科)意见:公章经办人(签名)年月日注:本保修单一式四份,送顾客单位签署意见后,一份由顾客单位留存,其余三份分别交经营生产科、技术监督科、经营生产部各一份。〔表式印制:2001.8.18〕第5页共10页编号:时间:2021年x月x日书山有路勤为径,学海无涯苦作舟页码:第5页共10页SA/CX-14-ZJ01上海市安装工程有限公司安装工程征求质量意见书你分公司安装的_____________(工程合同编号_________号)经使用发现下列质量问题,请派员予以检查和修复。工程项目及部位存在的质量问题建设单位(公章)联系人(签名)电话:年月日第6页共10页第5页共10页编号:时间:2021年x月x日书山有路勤为径,学海无涯苦作舟页码:第6页共10页SA/CX-14-ZJ02上海市安装工程有限公司年季度质量回访计划表单位:序号建设单位单位工程交工日期计划回访日期参加人数项目部技监部(科)经营生产部(科)12345678910本表一式三份。技监科、经营生产部(科)、技监部各一份。第7页共10页第6页共10页编号:时间:2021年x月x日书山有路勤为径,学海无涯苦作舟页码:第7页共10页总(主任)工程师(签名):经办人(签名):年月日SA/CX-14-ZJ04上海市安装工程有限公司工程质量保修通知单项目部:_________________________工程经质量回访发现下列质量问题请及时落实人员予以修复完善。序号工程项目及部位存在的质量问题第8页共10页第7页共10页编号:时间:2021年x月x日书山有路勤为径,学海无涯苦作舟页码:第8页共10页注:本表一式四份,留底一份,经营生产部(科),技监部(科),项目部各一份。填表部门:(盖章)经办人:填表日期:年月日SA/CX-14-ZJ06上海市安装工程有限公司工程质量回访汇总台帐分公司(盖章)序号顾客单位及工程项目回访情况质量问题落实情况回访日期回访人员接待人员对工程质量的评价或意见施工单位施工员施工班组竣工日期交工日期第9页共10页第8页共10页编号:时间:2021年x月x日书山有路勤为径,学海无涯苦作舟页码:第9页共10页注:本台帐由分公司技监科按季填报一式二份,其中一份于每季初5日前送公司技监部。审核(签名):制表(签名):年月日SA/CX-14-ZJ07工程保修服务情况汇总台帐序号顾客单位工程项目技监科(部)信息反馈经营生产科(部)保修服务单下达及反馈情况备注回访记录表反馈日期保修单下达日期修复反馈日期顾客意见第10页共10页第9页共10页编号:时间:2021年x月x日书山有路勤为径,学海无涯苦作舟页码:第10页共10页审核(签名)制表(签名)年月日

1、当您付费下载文档后,您只拥有了使用权限,并不意味着购买了版权,文档只能用于自身使用,不得用于其他商业用途(如 [转卖]进行直接盈利或[编辑后售卖]进行间接盈利)。
2、本站所有内容均由合作方或网友上传,本站不对文档的完整性、权威性及其观点立场正确性做任何保证或承诺!文档内容仅供研究参考,付费前请自行鉴别。
3、如文档内容存在违规,或者侵犯商业秘密、侵犯著作权等,请点击“违规举报”。

碎片内容

工程质量回访保修程序(质量记录)

您可能关注的文档

确认删除?
VIP
微信客服
  • 扫码咨询
会员Q群
  • 会员专属群点击这里加入QQ群
客服邮箱
回到顶部