电脑桌面
添加小米粒文库到电脑桌面
安装后可以在桌面快捷访问

南安路K0+377空心板中桥施工组织设计(DOC43页)VIP免费

南安路K0+377空心板中桥施工组织设计(DOC43页)_第1页
1/26
南安路K0+377空心板中桥施工组织设计(DOC43页)_第2页
2/26
南安路K0+377空心板中桥施工组织设计(DOC43页)_第3页
3/26
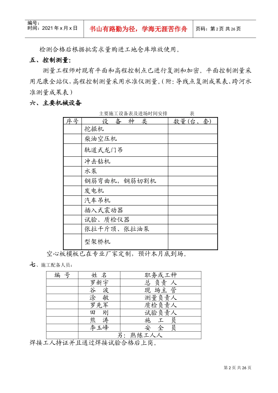
第1页共26页编号:时间:2021年x月x日书山有路勤为径,学海无涯苦作舟页码:第1页共26页南安路空心板中桥施工组织设计一、工程概况及工程特点台山市南区南安路工程位于台山市南区,总规划用地面积平方公里。道路呈南北走向,北起龙盛路,南至台南大道,桩号范围至(含短链),道路设计全长。本路段新建桥梁位于处,桥面纵坡为单向,其中工程范围下部结构为钻孔灌注桩基础、台帽;上部结构为后张预应力混凝土空心板梁,横桥向由片空心板梁组成;桥面系及其附属工程。预期工期为天(日历天),质量目标为合格。该桥位施工现场土地已征用完毕,施工用水、用电将根据施工要求进行现场调节。施工用电采取搭接地方电源与自发电相结合,现场交通及施工条件较为方便,施工区域有线、无线通讯畅通,通讯方便。二、施工工期计划开工日期:年月日计划完工日期:年月日总工期:天三、施工准备:)场地清理:施工准备期间,平整场地,修筑便道,等均已完成,对于各个桩位,必须做好清除场地杂物、淤泥,挖好排水沟等工作。四、材料准备水泥采用台山市白沙镇西村盛丰水泥厂的、普通硅酸盐水泥;碎石采用江门市岩场生产的级配碎石;细骨料、等采用本地的河砂(中砂),原材料均已送检;混凝土拌和用水取本地河水,结构钢材中线材采用湘潭钢铁集团有限公司产品。我部已将原材料碎石、中(粗)砂、水泥等送往台山市试验检测中心检验。钢材的试验待第一批钢材进驻工地后现场取样送检。材料经第2页共26页编号:时间:2021年x月x日书山有路勤为径,学海无涯苦作舟页码:第2页共26页检测合格后根据批需求量购进工地仓库堆放使用。五、控制测量:测量工程师对现有平面和高程控制点已进行复测和加密。平面控制测量采用尼康全站仪,高程控制测量采用水准仪测量。(附:导线点复测成果表、跨河水准测量成果表)六、主要机械设备主要施工设备表及进场时间安排表序号设备种类数量(台、套)挖掘机柴油空压机轨道式龙门吊冲击钻机水泵钢筋弯曲机,钢筋切割机发电机汽车吊机插入式震动器试验、质检仪器张拉千斤顶、张拉油泵型架桥机空心板模板已在专业厂家定制,预计本月底到场。七、施工配备人员:编号姓名职务或工种罗新宇总负责人谷波现场主管涂敏测量负责人罗先军质检负责人田刚试验负责人熊涛施工员李玉峰安全员另:熟练工人人焊接工人持证并且通过焊接试验合格后上岗。第3页共26页编号:时间:2021年x月x日书山有路勤为径,学海无涯苦作舟页码:第3页共26页八、施工方案及施工方法(一)、基础及下部构造、钻孔灌注桩施工方法:)施工准备施工准备包括:桩孔设计文件,包括桩位平面布置图、桩身结构图、钢筋笼设计图,砼标号、单桩设计极限承载力及其他设计要求;场地地下及周边埋设物和其它障碍物情况;供水、供电和污水废浆,钻渣清运等施工条件;泥浆循环系统泥浆循环系统通常包括泥浆池、沉淀池、循环槽等,根据场地条件、桩位分布、桩孔方量、地层情况、成孔工艺、钻渣废浆的清除外运等因素综合考虑布设。泥浆池的容积一般为单桩孔方量的倍,可用砂袋砌筑,或在天然场地挖成。沉淀池的容积一般为10m3,本工程根据现场实际情况,每台钻机设置个泥浆池。泥浆池与桩孔间挖500mm×800mm的循环槽,保证循环系统畅通。泥浆池尽量设置在不占桩位和已施工区域。)钻机的安装与定位安装钻孔机的基础如果不稳定,施工中易产生钻机倾斜、桩倾斜和桩偏心等不良影响,因此要求安装地基稳固。对地层较软和有坡度的地基,可用推土机推平,在垫上钢板或枕木加固。为防止桩位不准,施工中很重要的是定好中心位置和正确的安装钻孔机,对有钻塔的钻孔机,先利用钻机的动力与附近的地笼配合,将钻杆移动大致定位,再用千斤顶将机架顶起,准确定位,使起重滑轮、钻头或固定钻杆的卡孔与护筒中心在一垂线上,以保证钻机的垂直度。钻机位置的偏差不大于。对准桩位后,用枕木垫平钻机横梁,并在塔顶对称于钻机轴线上拉上缆风绳。由于工序交替,钻架临时移开时,应作好标志,以确保复位后的准确位置,必要时应重新对位。钻头采用底部带球弧面的十字型钻头,重量,钻头直径比护筒小5cm,其允许偏差为20mm,钻头上端应设打捞装置。钨金...

1、当您付费下载文档后,您只拥有了使用权限,并不意味着购买了版权,文档只能用于自身使用,不得用于其他商业用途(如 [转卖]进行直接盈利或[编辑后售卖]进行间接盈利)。
2、本站所有内容均由合作方或网友上传,本站不对文档的完整性、权威性及其观点立场正确性做任何保证或承诺!文档内容仅供研究参考,付费前请自行鉴别。
3、如文档内容存在违规,或者侵犯商业秘密、侵犯著作权等,请点击“违规举报”。

碎片内容

南安路K0+377空心板中桥施工组织设计(DOC43页)

您可能关注的文档

确认删除?
VIP
微信客服
  • 扫码咨询
会员Q群
  • 会员专属群点击这里加入QQ群
客服邮箱
回到顶部