电脑桌面
添加小米粒文库到电脑桌面
安装后可以在桌面快捷访问

定位放线记录 机械报验VIP免费

定位放线记录 机械报验_第1页
1/20
定位放线记录 机械报验_第2页
2/20
定位放线记录 机械报验_第3页
3/20
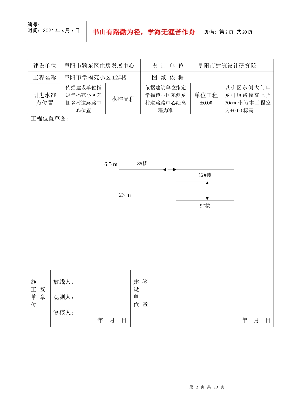
第1页共20页编号:时间:2021年x月x日书山有路勤为径,学海无涯苦作舟页码:第1页共20页施工测量放线报验单编号:工程名称:阜阳市颍东区幸福苑小区10#楼施工单位:阜阳鸿顺建筑安装工程有限公司致:安徽国合工程咨询有限责任公司根据合同要求,我们已完成幸福苑小区10#楼工程的施工放样工作,清单如下,请予查验。附件:测量及放样资料施工单位:项目经理:日期:工程或部位名称放样内容备注定位放线轴线、标高测量查验结果:符合要求测量员:日期:监理工程师的结论:查验合格口纠正差错后合格口纠正差错后再报口监理工程师:日期:本表一式二份,监理单位、施工单位各一份。定位放线验收记录第2页共20页第1页共20页编号:时间:2021年x月x日书山有路勤为径,学海无涯苦作舟页码:第2页共20页建设单位阜阳市颍东区住房发展中心设计单位阜阳市建筑设计研究院工程名称阜阳市幸福苑小区12#楼图纸依据引进水准点位置依据建设单位指定幸福苑小区东侧乡村道路路中心位置水准高程依据建筑单位指定幸福苑小区东侧乡村道路路中心线高程为准单位工程±0.00以小区东侧大门口乡村道路标高上抬30cm作为本工程室内±0.00标高工程位置草图:6.5m23m施工签单章位放线人:观测人:复核人:年月日建签设单位章年月日12#楼9#楼13#楼第3页共20页第2页共20页编号:时间:2021年x月x日书山有路勤为径,学海无涯苦作舟页码:第3页共20页检查意见监签理单位章年月日定位放线验收记录建设单位阜阳市颍东区住房发展中心设计单位阜阳市建筑设计研究院工程名称阜阳市幸福苑小区13#楼图纸依据引进水准点位置依据建设单位指定幸福苑小区东侧乡村道路路中心位置水准高程依据建筑单位指定幸福苑小区东侧乡村道路路中心线高程为准单位工程±0.00以小区东侧大门口乡村道路标高上抬30cm作为本工程室内±0.00标高工程位置草图:6.5m23m12#楼13#楼10#楼第4页共20页第3页共20页编号:时间:2021年x月x日书山有路勤为径,学海无涯苦作舟页码:第4页共20页施工签单章位放线人:观测人:复核人:年月日建签设单位章年月日检查意见监签理单位章年月日定位放线验收记录建设单位阜阳市颍东区住房发展中心设计单位阜阳市建筑设计研究院工程名称阜阳市幸福苑小区15#楼图纸依据引进水准点位置依据建设单位指定幸福苑小区东侧乡村道路路中心位置水准高程依据建筑单位指定幸福苑小区东侧乡村道路路中心线高程为准单位工程±0.00以小区东侧大门口乡村道路标高上抬30cm作为本工程室内±0.00标高第5页共20页第4页共20页编号:时间:2021年x月x日书山有路勤为径,学海无涯苦作舟页码:第5页共20页工程位置草图:23m围墙2.6m施工签单章位放线人:观测人:复核人:年月日建签设单位章年月日检查意见监签理单位章年月日定位放线验收记录建设单位阜阳市颍东区住房发展中心设计单位阜阳市建筑设计研究院工程名称阜阳市幸福苑小区18#楼图纸依据18#楼15#楼第6页共20页第5页共20页编号:时间:2021年x月x日书山有路勤为径,学海无涯苦作舟页码:第6页共20页引进水准点位置依据建设单位指定幸福苑小区东侧乡村道路路中心位置水准高程依据建筑单位指定幸福苑小区东侧乡村道路路中心线高程为准单位工程±0.00以小区东侧大门口乡村道路标高上抬30cm作为本工程室内±0.00标高工程位置草图:围24m墙2.6m2.6m施工签单章位放线人:观测人:复核人:年月日建签设单位章年月日检查意见监签理单位章年月日定位放线验收记录21#楼18#楼第7页共20页第6页共20页编号:时间:2021年x月x日书山有路勤为径,学海无涯苦作舟页码:第7页共20页建设单位阜阳市颍东区住房发展中心设计单位阜阳市建筑设计研究院工程名称阜阳市幸福苑小区21#楼图纸依据引进水准点位置依据建设单位指定幸福苑小区东侧乡村道路路中心位置水准高程依据建筑单位指定幸福苑小区东侧乡村道路路中心线高程为准单位工程±0.00以小区东侧大门口乡村道路标高上抬30cm作为本工程室内±0.00标高工程位置草图:围23m墙2.6m施工签单章位放线人:观测人:复核人:年月日建签设单位章年月日24#楼21#楼第8页共20页第7页共20页编号:时间:2021年x月x日书山有路勤为径,学海无涯苦作舟页码:第8页共20页检查意见监...

1、当您付费下载文档后,您只拥有了使用权限,并不意味着购买了版权,文档只能用于自身使用,不得用于其他商业用途(如 [转卖]进行直接盈利或[编辑后售卖]进行间接盈利)。
2、本站所有内容均由合作方或网友上传,本站不对文档的完整性、权威性及其观点立场正确性做任何保证或承诺!文档内容仅供研究参考,付费前请自行鉴别。
3、如文档内容存在违规,或者侵犯商业秘密、侵犯著作权等,请点击“违规举报”。

碎片内容

定位放线记录 机械报验

您可能关注的文档

确认删除?
VIP
微信客服
  • 扫码咨询
会员Q群
  • 会员专属群点击这里加入QQ群
客服邮箱
回到顶部