电脑桌面
添加小米粒文库到电脑桌面
安装后可以在桌面快捷访问

建筑施工安全检查评分汇总表范例VIP专享VIP免费

建筑施工安全检查评分汇总表范例_第1页
1/44
建筑施工安全检查评分汇总表范例_第2页
2/44
建筑施工安全检查评分汇总表范例_第3页
3/44
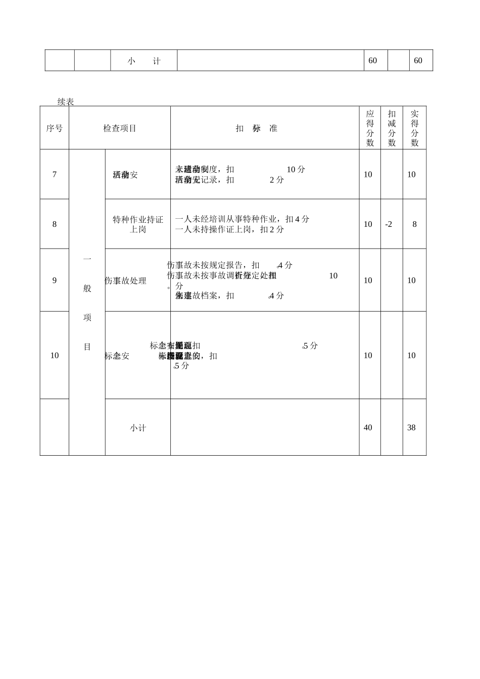
建筑施工安全检查评分汇总表表3.0.1企业名称:江苏兴宇建设有限公司南京分公司经济类型:有限公司资质等级:二级单位工程(施工现场)名称建筑面积(M2)结构类型总计得分(满分分值100分)项目名称及分值安全管理(满分值10分)文明施工(满分分值为20分)脚手架(满分分值为10分)基坑支护与模板工程(满分分值为10分)“三宝”“四口”防护(满分分值为10分施工用电(满分分值为10分)物料提升机与外用电梯(满分分值为10分)塔吊(满分分值为10分起重吊装满分分值为5分)施工机具(满分分值为5分)省军区机关办公司楼扩建改造工程2500框架78.5/85=92.30分9.6018.69.809.609.109.07/9.40/3.30评语:检查单位负责人受检项目负责人项目经理安全管理检查评定表表3.0.2序号检查项目扣分标准应得分数扣减分数实得分数1保证项目安全生产责任制未建立安全责任制的扣10分各级各部门未执行责任制的扣4~6分经济承包中无安全生产指标的扣10分未制定各种安全技术操作规程的扣10分未按规定配备专(兼)职安全员的扣10分管理人员责任制考核不合格的扣5分10102目标管理未制定安全管理目标(伤亡控制指标和安全达标文明施工目标)的扣10分未进行安全责任目标分解的扣10分无责任目标考核规定的扣8分考核办法未落实或落实不好的扣5分10103施工组织设计施工组织设计中无安全措施,扣10分施工组织设计未经审批,扣10分专业性较强的项目,未单独编制专项安全施工组织设计,扣8分安全措施不全面,扣2~4分安全措施无针对性,扣6~8分安全措施未落实,扣8分10-284分部(分项)工程安全技术交底无书面安全技术交底扣10分交底针对性不强扣4~6分交底不全面扣4分交底未履行签字手续扣留2~4分10105安全检查无定期安全检查制度扣5分安全检查无记录扣5分检查出事故隐患整改做不到定人,定时间、定措施扣2~6分对重大事故隐患整改通知书列项目未如期完成扣5分10106安全教育无安全教育制度扣10分新入场工人未进行三级安全教育扣10分无具体安全教育内容扣10分变换工种时未进行安全教育扣10分每有一人不懂本工种安全技术操作规程扣10分施工管理人员未按规定进行年度培训的扣5分专职安全员未按规定进行年度培训或考核不合格的扣5分1010小计6060续表序号检查项目扣分标准应得分数扣减分数实得分数7一般项目班前安全活动未建立班前安全活动制度,扣10分班前安全活动无记录,扣2分10108特种作业持证上岗一人未经培训从事特种作业,扣4分一人未持操作证上岗,扣2分10-289工伤事故处理工伤事故未按规定报告,扣4分。工伤事故未按事故调查分析规定处理,扣10分。未建立工伤事故档案,扣4分。101010安全标志无现场安全标志布置总平面图,扣5分。现场未按安全标志总平面图设置安全标志的,扣5分。1010小计4038检查项目合计10096文明施工检查评定表表3.0.3序号检查项目扣分标准应得分数扣减分数实得分数1保证项目现场围墙在市区主要路段的工地周围未设置高于2.5米的围挡扣10分。一般路段的工地周围未设置高于1.8米的围挡扣10分。围墙材料不坚固、不稳定、不整洁、不美观扣5~7分。围挡没有沿工地四周连续设置的扣3~5分。10102封闭管理施工现场无进出口无大门的扣3分。无门卫和无门卫制度的扣3分。进入施工现场不佩戴工作卡的扣。3分门头未设置企业标志的扣3分。10-373施工场地工地地面未做硬化处理的扣5分。道路不畅通的扣5分。无排水设施、排水不畅。通的扣4分无防水泥浆、污水、废水外流或堵塞下水道和排水河道的扣3分工地有积水的扣2分工地未设置吸烟处、随意吸烟的扣2分温暖季节无绿化布置的扣4分10104材料堆放建筑材料、构件、料具不按总平面布局堆放的扣4分料堆未挂名称、品种等标牌的扣2分未做到工完场地清的的扣3分建筑垃圾堆放不整齐、未标出名称、品种的扣3分易燃易爆物品未分类存放的扣4分10105现场住宿在建工程兼作住宿的扣8分施工作业区与办公、生活区不能明显划分的扣6分宿舍无保暖和防蚊虫叮咬措施的扣3分无床铺、生活用品放置不整齐的扣2分宿舍周围环境不卫生、不安全的3分10106现场防火无消防措施、制度或无灭火器材的,扣10分灭火器材配置不合理的,扣5分无消防水源(高层建筑)或不能满足消防要求的,扣8分阶段无动火手续审批和动火监护的扣5分1010...

1、当您付费下载文档后,您只拥有了使用权限,并不意味着购买了版权,文档只能用于自身使用,不得用于其他商业用途(如 [转卖]进行直接盈利或[编辑后售卖]进行间接盈利)。
2、本站所有内容均由合作方或网友上传,本站不对文档的完整性、权威性及其观点立场正确性做任何保证或承诺!文档内容仅供研究参考,付费前请自行鉴别。
3、如文档内容存在违规,或者侵犯商业秘密、侵犯著作权等,请点击“违规举报”。

碎片内容

建筑施工安全检查评分汇总表范例

确认删除?
VIP
微信客服
  • 扫码咨询
会员Q群
  • 会员专属群点击这里加入QQ群
客服邮箱
回到顶部