电脑桌面
添加小米粒文库到电脑桌面
安装后可以在桌面快捷访问

慈溪财富中心虹吸排水施工方案VIP免费

慈溪财富中心虹吸排水施工方案_第1页
1/38
慈溪财富中心虹吸排水施工方案_第2页
2/38
慈溪财富中心虹吸排水施工方案_第3页
3/38
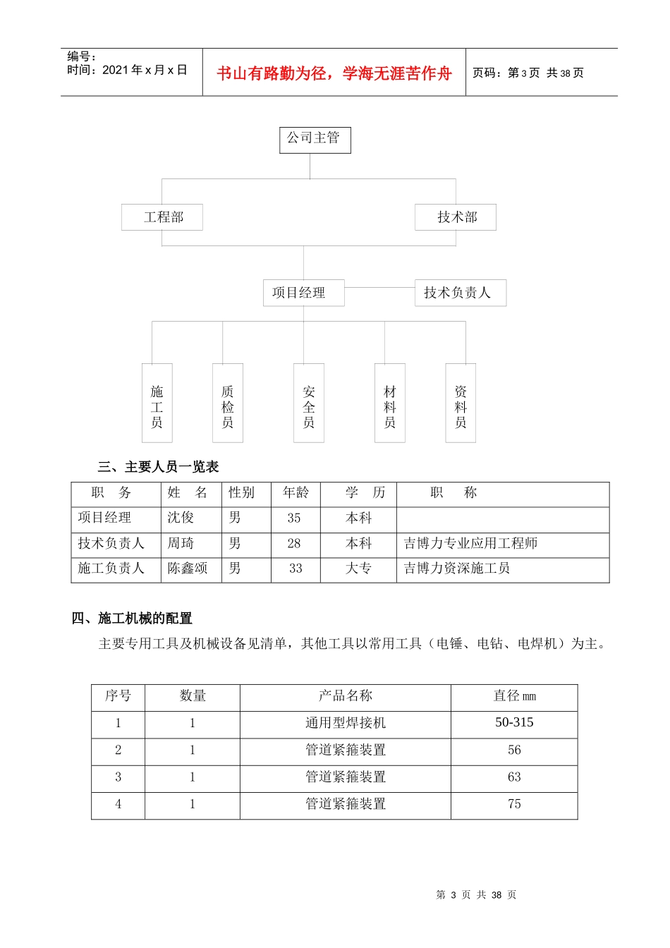
第1页共38页编号:时间:2021年x月x日书山有路勤为径,学海无涯苦作舟页码:第1页共38页慈溪市工业品批发市场二期(慈溪财富中心)虹吸式屋面雨水排放系统工程施工方案编制:审核:审批:编制单位:上海建服建筑工程有限公司日期:2012.5.28第2页共38页第1页共38页编号:时间:2021年x月x日书山有路勤为径,学海无涯苦作舟页码:第2页共38页施工组织方案一、工程概括工程名称:慈溪市工业品批发市场二期(慈溪财富中心);工程地点:慈溪市329国道南,新城大道东规划一号路北,群丰村西;建设单位:慈溪市工业品批发市场经营服务有限公司;设计单位:浙江省建筑设计研究院;监理单位:浙江工正建设监理咨询有限公司;质量目标:确保“钱江杯”优质工程;工程面积:建筑面积约196749m2:其中地上裙房建筑面积59016m2,住宅建筑面积86274m2,地下建筑面积51459m2;建筑高度:地下建筑三层,为汽车库;地上部分公共建筑裙房1~5层;住宅6~30层,建筑高度104米。二、施工前期准备施工图的准备施工前对建筑主体进行仔细勘察,核对虹吸系统施工图,并及时调整系统施工图并交设计院审核。确定溢流口的位置,以便施工。施工人员组织公司将组织一个强有力的管理班子,配备齐全的现场管理人员第3页共38页第2页共38页编号:时间:2021年x月x日书山有路勤为径,学海无涯苦作舟页码:第3页共38页公司主管工程部技术部项目经理技术负责人三、主要人员一览表职务姓名性别年龄学历职称项目经理沈俊男35本科技术负责人周琦男28本科吉博力专业应用工程师施工负责人陈鑫颂男33大专吉博力资深施工员四、施工机械的配置主要专用工具及机械设备见清单,其他工具以常用工具(电锤、电钻、电焊机)为主。序号数量产品名称直径mm11通用型焊接机50-31521管道紧箍装置5631管道紧箍装置6341管道紧箍装置75工程部技术部项目经理技术负责人施工员质检员安全员材料员资料员第4页共38页第3页共38页编号:时间:2021年x月x日书山有路勤为径,学海无涯苦作舟页码:第4页共38页51管道紧箍装置9061管道紧箍装置11071管道紧箍装置12581管道紧箍装置16091管道紧箍装置200103焊接板50-200112焊接板支架121电动操作刨子133电焊包141管道割刀110-160151管道割刀50-110163电焊包转换接头200-315171管道割刀200-315181稳压器2千瓦其它物资配备除了施工机械配备以外,施工用电安全保障,及各劳动保护用品、消防用品也是必不可少的。为此,我们将根据现场的电源配置三相五芯的总配电箱、各种分箱数个。由专职电工统一管理,施工人员配带安全帽及各种劳保用品,在人字梯上操作时将全部采用安全带,以防高空坠落。五、安全教育培训安全文明施工方面服从管理,杜绝重大伤亡事故,一般事故歇工率低于1‰。在工人进场施工前对工人进行三级安全教育并考核,合格者方可上岗。我司配备专业安全员在施工过程中对工人实施全程的安全监督和检查。准确详实的做好安全记录以备检查。及时参加安全例会并定期召开本施工队伍的安全例会。下面是我司制定的安全施工规范并承诺严格履行之:第5页共38页第4页共38页编号:时间:2021年x月x日书山有路勤为径,学海无涯苦作舟页码:第5页共38页安全控制规范1.凡进入现场的人员,必须正确戴好安全帽,高空作业施工佩带安全带。固定点务必牢固可靠,梯子应有防滑措施。2.加强环保意识的宣传。采用有力措施控制人为的施工噪声,严格管理,最大限度地减少噪音扰民。3.对易燃、易爆、油品和化学品的采购、运输、储存、发放和使用后对废弃物的处理制定专项措施,并设置专人管理。4.对施工机械进行全面的检查和维修保养,保证设备始终处于良好状态,避免噪音、泄漏和废油、废弃物造成的污染,杜绝重大安全隐患的存在。5.严禁酒后作业,不得穿拖鞋、高跟鞋或光脚进入现场,上高空作业严禁穿硬底鞋工作,施工现场禁止抽烟。6.生活垃圾与施工垃圾分开,并及时组织清运。7.作好临时用电的安全防护,用电设备的绝缘良好,各种机具应有接地保护,工作零线和保护零线分开,禁止“一闸多用”,所有动力与照明线路不得与金属导体连接缠绕,地下室照明使用安全灯。8.临时用电线路在架空敷设,并定期检查绝缘情况,发现问题...

1、当您付费下载文档后,您只拥有了使用权限,并不意味着购买了版权,文档只能用于自身使用,不得用于其他商业用途(如 [转卖]进行直接盈利或[编辑后售卖]进行间接盈利)。
2、本站所有内容均由合作方或网友上传,本站不对文档的完整性、权威性及其观点立场正确性做任何保证或承诺!文档内容仅供研究参考,付费前请自行鉴别。
3、如文档内容存在违规,或者侵犯商业秘密、侵犯著作权等,请点击“违规举报”。

碎片内容

慈溪财富中心虹吸排水施工方案

确认删除?
VIP
微信客服
  • 扫码咨询
会员Q群
  • 会员专属群点击这里加入QQ群
客服邮箱
回到顶部