电脑桌面
添加小米粒文库到电脑桌面
安装后可以在桌面快捷访问

住宅工程装修质量验收表VIP免费

住宅工程装修质量验收表_第1页
1/9
住宅工程装修质量验收表_第2页
2/9
住宅工程装修质量验收表_第3页
3/9
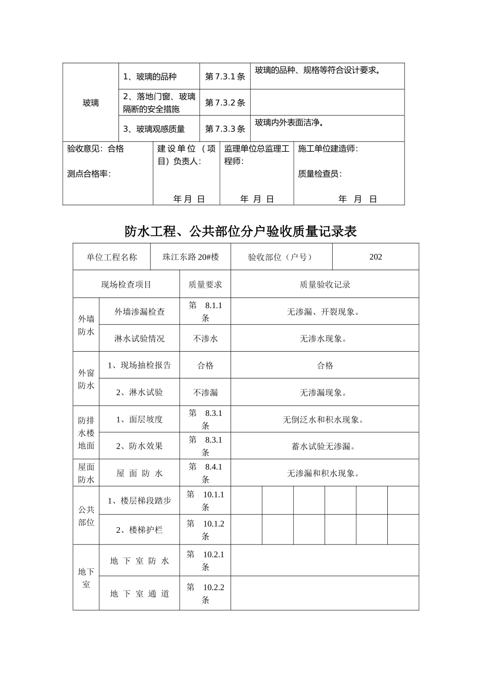
附表一:室内地面、墙面、顶棚抹灰、门窗工程质量分户验收记录表单位工程名称珠江东路20#楼验收部位(户号)202现场检查项目质量要求质量验收记录普通水泥楼地面1、水泥楼地面面层粘结质量第4.1.1条结合牢固,无空鼓现象2、外观质量第4.2.1条表面无裂缝,起砂等现象板块楼地面面层1、外观质量第4.2.1条2、板块楼地面面层粘贴第4.2.2条3、室内楼梯尺寸第4.3.1条室内墙面1、室内墙面第5.1.1条无爆灰、裂缝,阴阳角顺直2、室内墙面面层粘贴第5.1.2条粘结牢固,无脱层、空鼓现象室内顶棚1、顶棚室内粘结第5.2.1条粘结牢固,无脱层现象2、顶棚抹灰观感第5.2.2条光滑洁净,面层无爆灰、裂缝。门窗1、门窗开启性能第7.1.1条开关灵活,关闭严密。门窗2、门窗配件第7.1.2条配件齐全。3、门窗密封第7.1.3条密封条安装完好,无脱槽现象。4、门窗的排水第7.1.4条排水孔畅通。5、进户门质量第7.1.5条符合设计要求。验收意见:合格建设单位(项目)负责人:年月日监理单位总监理工程师:年月日施工单位建造师:质量检查员:年月日室内空间尺寸、护栏、玻璃质量分户验收记录表单位工程名称程平综合楼验收部位(户号)房间编号净高推算值(mm)实测值(mm)计算值(mm)HH1H2H3H4H5L1-1L1-2L2-1L2-2净高净开间最大偏差极差最大偏差极差1278022780327804278052780室内净空尺寸测量示意图套型图贴图区现场检查项目质量要求质量验收记录护栏和扶手护栏和扶手的造型、尺寸、高度、栏杆第7.2.1条护栏高度一致,间距符合规范要求。玻璃1、玻璃的品种第7.3.1条玻璃的品种、规格等符合设计要求。2、落地门窗、玻璃隔断的安全措施第7.3.2条3、玻璃观感质量第7.3.3条玻璃内外表面洁净。验收意见:合格测点合格率:建设单位(项目)负责人:年月日监理单位总监理工程师:年月日施工单位建造师:质量检查员:年月日防水工程、公共部位分户验收质量记录表单位工程名称珠江东路20#楼验收部位(户号)202现场检查项目质量要求质量验收记录外墙防水外墙渗漏检查第8.1.1条无渗漏、开裂现象。淋水试验情况不渗水无渗水现象。外窗防水1、现场抽检报告合格合格2、淋水试验不渗漏无渗漏现象。防排水楼地面1、面层坡度第8.3.1条无倒泛水和积水现象。2、防水效果第8.3.1条蓄水试验无渗漏。屋面防水屋面防水第8.4.1条无渗漏和积水现象。公共部位1、楼层梯段踏步第10.1.1条2、楼梯护栏第10.1.2条地下室地下室防水第10.2.1条地下室通道第10.2.2条其它烟道、透气孔第10.3.1条烟道表面无开裂。通风道第10.3.2条验收意见:合格建设单位(项目)负责人:年月日监理单位总监理工程师:年月日施工单位建造师:质量检查员:年月日安装工程分户验收质量记录表单位工程名称珠江东路20#楼验收部位(户号)202现场检查项目质量要求质量验收记录给水管道系统安装工程1、给水管道及配件安装第9.1.1条安装平稳,牢固。2、功能试验第9.1.2条压力试验合格。排水管道安装工程1、排水管道安装第9.2.1条管道固定位置正确。2、排水管道配件安装第9.2.2条检查口设置符合规范规定。3、功能试验第9.2.3条通球试验合格。室内采暖系统管道及配件第9.3.1条入户装置第9.3.2条分、集水器第9.3.3条散热器第9.3.4条卫生器具1、卫生器具安装第9.4.1条2、功能试验第9.4.2条电气工程1、配电箱安装第9.5.1条规格型号符合设计要求,回路标识齐全正确。2、开关插座安装第9.5.2条面板安装紧贴墙面。3、导线连接第9.5.3条接线可靠。绝缘处理合格。4、等电位联结第9.5.4条符合设计要求。智能建筑多媒体箱安装第9.6.1条信息插座面板安装第9.6.2条访客对讲系统安装第9.6.3条验收意见:合格建设单位(项目)负责人:年月日监理单位总监理工程师:年月日施工单位建造师:质量检查员:年月日附表二:住宅工程质量分户验收汇总表工程名称珠江东路20#楼结构层数框架十二层面积7764.13M2建设单位响水盛都房产公司监理单位盐城恒瑞工程咨询公司总户数38施工单位盐城金涛建筑公司开竣工日期2008年4月1日—2009年7月30日内容验收情况:合格验收时间根据《江苏省住宅工程质量分户验收规则》要求,于2009年8月5日—2009年8月15日对本工程进行了分户验收。验收户数本工程共38户共验收38户验...

1、当您付费下载文档后,您只拥有了使用权限,并不意味着购买了版权,文档只能用于自身使用,不得用于其他商业用途(如 [转卖]进行直接盈利或[编辑后售卖]进行间接盈利)。
2、本站所有内容均由合作方或网友上传,本站不对文档的完整性、权威性及其观点立场正确性做任何保证或承诺!文档内容仅供研究参考,付费前请自行鉴别。
3、如文档内容存在违规,或者侵犯商业秘密、侵犯著作权等,请点击“违规举报”。

碎片内容

住宅工程装修质量验收表

确认删除?
VIP
微信客服
  • 扫码咨询
会员Q群
  • 会员专属群点击这里加入QQ群
客服邮箱
回到顶部