电脑桌面
添加小米粒文库到电脑桌面
安装后可以在桌面快捷访问

手机外表面印刷测试标准VIP免费

手机外表面印刷测试标准_第1页
1/7
手机外表面印刷测试标准_第2页
2/7
手机外表面印刷测试标准_第3页
3/7
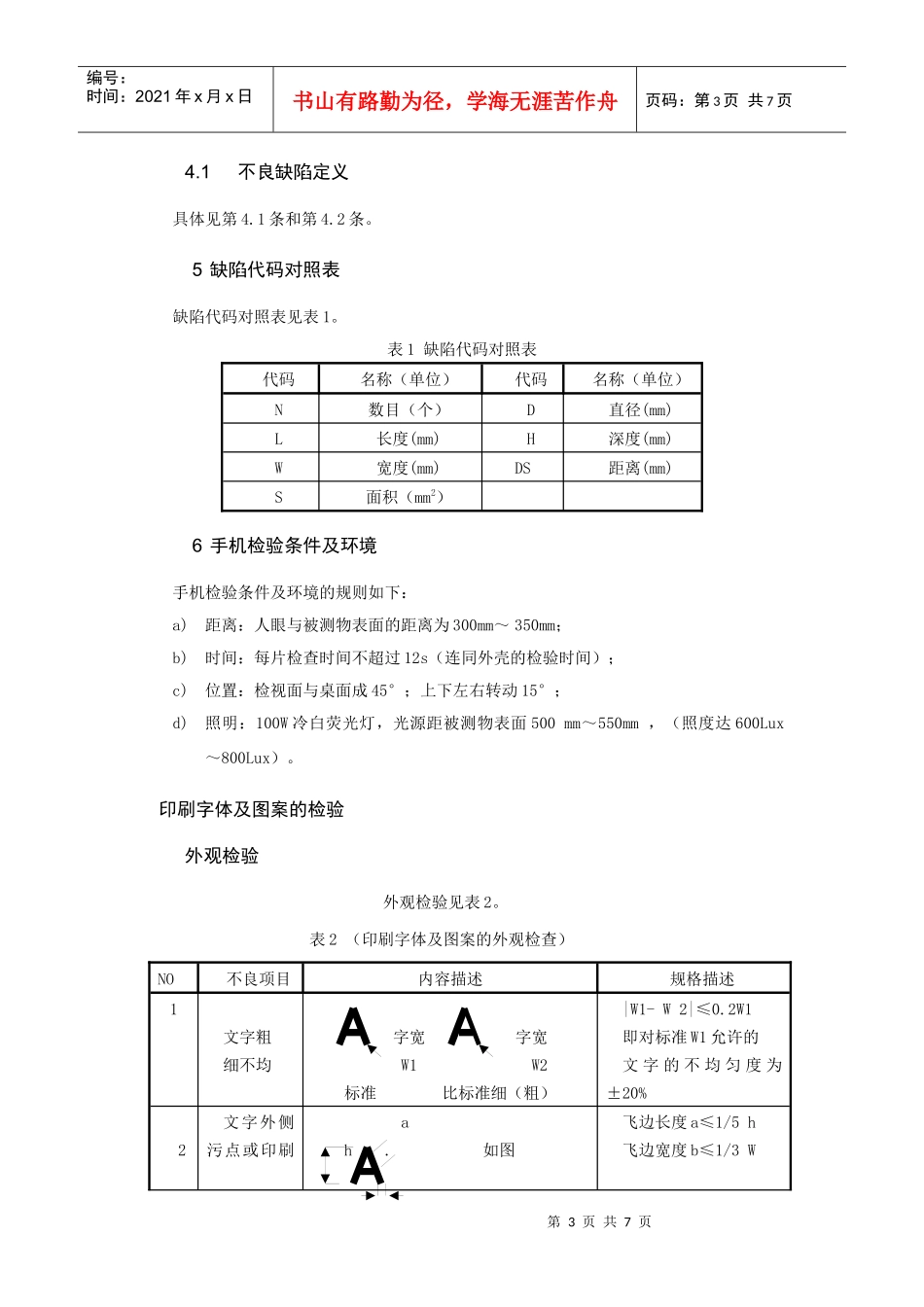
第1页共7页编号:时间:2021年x月x日书山有路勤为径,学海无涯苦作舟页码:第1页共7页手机外表面印刷测试规范第2页共7页第1页共7页编号:时间:2021年x月x日书山有路勤为径,学海无涯苦作舟页码:第2页共7页目录TableofContents1前言42范围43规范性引用文件44术语和定义44.1不良缺陷定义45缺陷代码对照表46手机检验条件及环境47印刷字体及图案的检验57.1外观检验57.2附着力测试67.3耐醇性测试77.4耐磨性测试77.4.1喷漆件表面的印刷77.5高温高湿存储试验71前言制定本标准的目的在于规范生产手机的研发、试生产、批量生产、IQC来料检验、QA增强性试验等各个阶段对结构件表面的印刷内容的检验。2范围本标准规定了手机结构件表面的印刷字体(或图案)的外观检查及性能测试方法。本标准适用于生产的手机的印刷字体(或图案)检验,并且适用于手机的研发、试生产、批量生产、IQC来料检验、QA增强性试验等各个阶段。3规范性引用文件GB/T9286-1998色漆和清漆漆膜的划格试验GB/T2423.3-1993电工电子产品基本环境试验规程试验Ca:恒定湿热试验方法4术语和定义下列术语和定义适用于本标准。第3页共7页第2页共7页编号:时间:2021年x月x日书山有路勤为径,学海无涯苦作舟页码:第3页共7页4.1不良缺陷定义具体见第4.1条和第4.2条。5缺陷代码对照表缺陷代码对照表见表1。表1缺陷代码对照表代码名称(单位)代码名称(单位)N数目(个)D直径(mm)L长度(mm)H深度(mm)W宽度(mm)DS距离(mm)S面积(mm2)6手机检验条件及环境手机检验条件及环境的规则如下:a)距离:人眼与被测物表面的距离为300mm~350mm;b)时间:每片检查时间不超过12s(连同外壳的检验时间);c)位置:检视面与桌面成45°;上下左右转动15°;d)照明:100W冷白荧光灯,光源距被测物表面500mm~550mm,(照度达600Lux~800Lux)。印刷字体及图案的检验外观检验外观检验见表2。表2(印刷字体及图案的外观检查)NO不良项目内容描述规格描述1文字粗细不均字宽字宽W1W2标准比标准细(粗)|W1-W2|≤0.2W1即对标准W1允许的文字的不均匀度为±20%2文字外侧污点或印刷ah.如图飞边长度a≤1/5h飞边宽度b≤1/3W第4页共7页第3页共7页编号:时间:2021年x月x日书山有路勤为径,学海无涯苦作舟页码:第4页共7页NO不良项目内容描述规格描述飞边右侧的油墨飞边(a:长度b:宽度)(h:字高W:字宽)3文字偏离中心Y方向B中心偏移值ΔYX方向ΔX中心偏移值ΔX≤0.20mmΔY≤0.20mm4文字倾斜L偏移线H标准线L:指全部的字长H:指偏离水准线的垂直距离L≤3mm时-0.3mm≤H≤0.3mmL>3mm时-0.5mm≤H≤0.5mm5印刷溅点在应无印刷的区域出现点状油墨溅点的直径D≤0.2,N≤16印刷针孔在应该有印刷的地方出现点状的缺少油墨针孔的直径D≤0.2,N≤17文字断线连续文字发生断线宽度cc≤0.1mm8边角w.第5页共7页第4页共7页编号:时间:2021年x月x日书山有路勤为径,学海无涯苦作舟页码:第5页共7页NO不良项目内容描述规格描述漏印L如图所示边角缺印dd为缺角长L为标准长d≤0.1L9文字残缺残缺部h宽度a深度b字高h字宽Wa≤1/5hb≤1/3W9文字残缺残缺部h宽度a深度b字高h字宽Wa≤1/5hb≤1/3W10印刷重影二次印刷的整体错位不允许11指纹印刷文字留有指纹300mm~350mm目视距离不可分辨时允许12印刷表面异物线屑状异物、印迹等300mm~350mm目视距离不可分辨时允许13色薄文字的颜色偏浅300mm~350mm目视距离不可分辨时允许14印刷文字或颜色错误印刷文字或颜色与图纸规定不符不允许15文字锯齿印刷文字的边呈现锯齿参照限度样品16其它不良缺陷参照限度样品附着力测试参照国标GB/T9286-1999色漆和清漆漆膜的划格试验。WW第6页共7页第5页共7页编号:时间:2021年x月x日书山有路勤为径,学海无涯苦作舟页码:第6页共7页用锋利刀片(刀锋角度为20°~30°)在测试样本表面划10×10个1mm×1mm小网格,每一条划线应深及印刷的底层;用毛刷将测试区域的碎片刷干净;用粘附力350g/cm2~400g/cm2的胶带(3M600号胶纸或等同)牢牢粘住被测试小网格,并用橡皮擦用力擦拭胶带,以加大胶带与被测区域的接触面积及力度;用手抓住胶带一端,在垂直方向(90°)迅速扯下胶纸,同一位置进行2次相同试验。结果判定:要求...

1、当您付费下载文档后,您只拥有了使用权限,并不意味着购买了版权,文档只能用于自身使用,不得用于其他商业用途(如 [转卖]进行直接盈利或[编辑后售卖]进行间接盈利)。
2、本站所有内容均由合作方或网友上传,本站不对文档的完整性、权威性及其观点立场正确性做任何保证或承诺!文档内容仅供研究参考,付费前请自行鉴别。
3、如文档内容存在违规,或者侵犯商业秘密、侵犯著作权等,请点击“违规举报”。

碎片内容

手机外表面印刷测试标准

您可能关注的文档

确认删除?
VIP
微信客服
  • 扫码咨询
会员Q群
  • 会员专属群点击这里加入QQ群
客服邮箱
回到顶部