电脑桌面
添加小米粒文库到电脑桌面
安装后可以在桌面快捷访问

上海银行财务系统增值税改造方案V5_XXXX0509VIP免费

上海银行财务系统增值税改造方案V5_XXXX0509_第1页
1/55
上海银行财务系统增值税改造方案V5_XXXX0509_第2页
2/55
上海银行财务系统增值税改造方案V5_XXXX0509_第3页
3/55
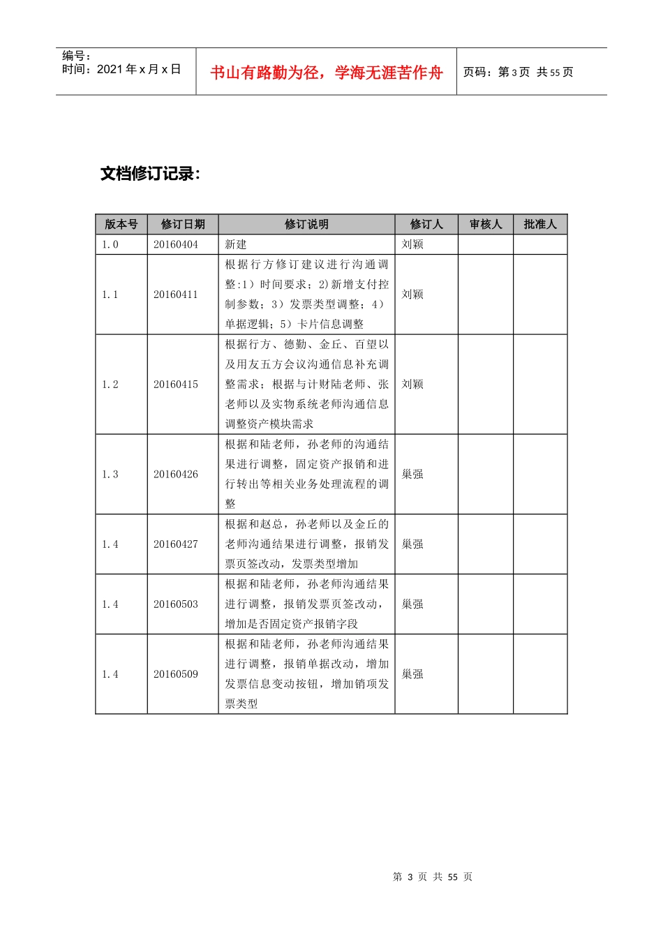
第1页共55页编号:时间:2021年x月x日书山有路勤为径,学海无涯苦作舟页码:第1页共55页上海银行财务管理系统——营改增改造方案用友金融信息技术有限公司2016年4月第2页共55页第1页共55页编号:时间:2021年x月x日书山有路勤为径,学海无涯苦作舟页码:第2页共55页第3页共55页第2页共55页编号:时间:2021年x月x日书山有路勤为径,学海无涯苦作舟页码:第3页共55页文档修订记录:版本号修订日期修订说明修订人审核人批准人1.020160404新建刘颖1.120160411根据行方修订建议进行沟通调整:1)时间要求;2)新增支付控制参数;3)发票类型调整;4)单据逻辑;5)卡片信息调整刘颖1.220160415根据行方、德勤、金丘、百望以及用友五方会议沟通信息补充调整需求;根据与计财陆老师、张老师以及实物系统老师沟通信息调整资产模块需求刘颖1.320160426根据和陆老师,孙老师的沟通结果进行调整,固定资产报销和进行转出等相关业务处理流程的调整巢强1.420160427根据和赵总,孙老师以及金丘的老师沟通结果进行调整,报销发票页签改动,发票类型增加巢强1.420160503根据和陆老师,孙老师沟通结果进行调整,报销发票页签改动,增加是否固定资产报销字段巢强1.420160509根据和陆老师,孙老师沟通结果进行调整,报销单据改动,增加发票信息变动按钮,增加销项发票类型巢强第4页共55页第3页共55页编号:时间:2021年x月x日书山有路勤为径,学海无涯苦作舟页码:第4页共55页目录1引言..............................................................................................................................41.1文档用途......................................................................................................................41.2阅读对象......................................................................................................................51.3参考文档......................................................................................................................52概述..............................................................................................................................62.1编写目的......................................................................................................................62.2业务背景......................................................................................................................62.3基本定义......................................................................................................................62.4时间要求......................................................................................................................73系统建设目标..............................................................................................................84财务系统进项业务改造需求.......................................................................................84.1系统目标......................................................................................................................84.2业务流程......................................................................................................................84.3系统接口......................................................................................................................94.3.1与发票管理系统接口.....................................................................................104.4基础档案....................................................................................................................124.4.1供应商信息.....................................................................................................124....

1、当您付费下载文档后,您只拥有了使用权限,并不意味着购买了版权,文档只能用于自身使用,不得用于其他商业用途(如 [转卖]进行直接盈利或[编辑后售卖]进行间接盈利)。
2、本站所有内容均由合作方或网友上传,本站不对文档的完整性、权威性及其观点立场正确性做任何保证或承诺!文档内容仅供研究参考,付费前请自行鉴别。
3、如文档内容存在违规,或者侵犯商业秘密、侵犯著作权等,请点击“违规举报”。

碎片内容

上海银行财务系统增值税改造方案V5_XXXX0509

您可能关注的文档

教育精品店+ 关注
实名认证
内容提供者

优良的服务

确认删除?
VIP
微信客服
  • 扫码咨询
会员Q群
  • 会员专属群点击这里加入QQ群
客服邮箱
回到顶部