电脑桌面
添加小米粒文库到电脑桌面
安装后可以在桌面快捷访问

船舶内装工艺VIP免费

船舶内装工艺_第1页
1/14
船舶内装工艺_第2页
2/14
船舶内装工艺_第3页
3/14
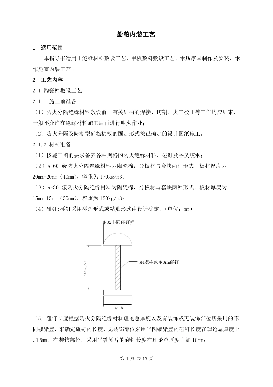
船舶内装工艺1适用范围本指导书适用于绝缘材料敷设工艺、甲板敷料敷设工艺、木质家具制作及安装、木作舱室内装工艺。2工艺内容2.1陶瓷棉敷设工艺2.1.1施工前准备(1)防火分隔绝缘材料敷设前,有关结构的焊接、切割、火工校正等工作均应结束,一般不允许在绝缘材料施工后再进行明火作业;(2)防火分隔及防潮型矿物棉板的固定形式按已确定的设计图纸施工。2.1.2材料准备(1)按施工图的要求备齐各种规格的防火绝缘材料、碰钉及各类胶水;(2)A-60级防火分隔绝缘材料为陶瓷棉,分板材与套块两种形式,板材厚度为20mm+20mm(40mm),容重为170kg/m3;(3)A-30级防火分隔绝缘材料为陶瓷棉,分板材与套块两种形式,板材厚度为15mm+15mm(30mm),容重为120kg/m3;(4)碰钉:碰钉采用碰焊形式或粘贴形式由设计确定。(单位:mm)φ32半圆碰钉帽2545M4螺柱或φ3mm碰钉φ25(5)碰钉长度根据防火分隔绝缘材料理论总厚度以及有装饰或无装饰部位所采用的不同锁紧盖,来确定碰钉的长度,无装饰部位采用半圆锁紧盖的碰钉长度在理论总厚度上加5mm,有装饰部位,采用平锁紧片的碰钉长度在理论总厚度上加10mm;第1页共15页(6)胶水(由防火分隔绝缘材料生产厂配套供应);(7)耐高温碰钉粘结剂,用于碰钉与船体钢结构之间的粘结;(8)MPV-20型粘结剂(单组份),用于绝缘材料与船体钢结构之间的粘结。2.1.3工具准备手提式风动搅拌器或搅拌棒(用于各种胶水的搅拌),切割刀,剪刀,带齿形刮板,油漆刷、尺等。2.1.4环境准备(1)需敷设绝缘的钢板和型材,均应按油漆工艺涂刷或二层底漆。施工时底漆表面应干净无油渍、锈斑。如有不洁必须打磨干净,并补上底漆,然后方可敷设绝缘材料;(2)凡施工现场均应有良好的通风环境,以保证施工的安全性;(3)在施工现场,环境温度低于-10℃时不得施工。2.1.5施工步骤及安全(1)碰钉粘结a.碰钉胶应用搅拌器或搅拌棒搅拌、并按说明书要求进行;b.在需粘碰钉处划好线(纵、横线要求垂直,水平);c.将碰钉底部圆铁片的油污、锈斑清除干净然后蘸上碰钉胶,将其粘贴在所需的部位(胶的厚度不大于2mm)。并且上下错动几次,使碰钉垂直于钢板,最后用手扶住压紧片刻即可;d.碰钉胶按说明书指定的时间完全固化后,尽快进行绝缘材料的敷设,以免碰钉碰弯影响施工。2.1.6陶瓷棉的固定(型材采用套块用粘贴形式)(1)凡有型材的舱壁,应先敷设型材套块,再敷设板材;(2)用搅拌器或搅拌棒将MPV-20胶水搅拌均匀,然后将其均匀地涂满套块的粘贴面上(与型材及钢壁接触的面),最后将其密实地覆贴于相应的型材表面;(3)套块粘贴好后,将调匀的MPV-20胶水用刮板均匀地涂满第一层板材的背面及四周的接缝处,随即将板材穿破碰钉与舱壁紧密贴合。贴合时注意四周尽量不要有缝隙及明显的凹凸不平;(4)第一层板材贴好后,随即敷设第二层板材(不涂胶水),注意第二层板材之间的横、竖缝与第一层板材之间的横、竖缝错开,不允许有重叠的现象;(5)凡遇电缆桁架支脚、管路支脚及其它与钢板连接的支脚和基座处,绝缘材料的切第2页共15页割边缘要整齐,粘贴要密实;(6)套块和板材的胶水用量(湿重)应满足2-2.5kg/㎡;(7)绝缘材料与钢结构的贴合率应不小于95%;(8)绝缘材料敷设完毕后,将碰钉盖帽按在碰钉上,使绝缘材料按紧为止。(外露部位为半圆锁紧盖)2.1.7陶瓷棉的固定(型材采用软化绝缘包扎用碰钉固定形式)(1)凡有型材的舱壁,应先敷设大平面(含曲面板)绝缘,在两相邻型材之间的大平面内,按设计选择适用规格的平板(含曲面板),然后使第一层陶瓷棉穿过碰钉,随即敷设第二层陶瓷棉,注意第二层与第一层之间的横竖缝要叉开,不允许有重叠的现象,装上锁紧盖密实地覆贴于钢结构平面(曲面)上,表面外露的一面应贴有铝箔布,尽力确保相邻接缝处的平整度;(2)后敷设型材(如球扁钢、角钢、T型材面板)绝缘,按设计要求对不同规格的异型材敷设软化过的陶瓷棉,施工步骤与上述相同;(3)平面和型材绝缘敷设完毕后,在表面外露的一面接缝处采用铝箔胶布封闭接缝及接口,粘贴要密实整齐,保证整体的美观;(4)陶瓷棉固定的碰钉,围壁理论用量每...

1、当您付费下载文档后,您只拥有了使用权限,并不意味着购买了版权,文档只能用于自身使用,不得用于其他商业用途(如 [转卖]进行直接盈利或[编辑后售卖]进行间接盈利)。
2、本站所有内容均由合作方或网友上传,本站不对文档的完整性、权威性及其观点立场正确性做任何保证或承诺!文档内容仅供研究参考,付费前请自行鉴别。
3、如文档内容存在违规,或者侵犯商业秘密、侵犯著作权等,请点击“违规举报”。

碎片内容

船舶内装工艺

您可能关注的文档

确认删除?
VIP
微信客服
  • 扫码咨询
会员Q群
  • 会员专属群点击这里加入QQ群
客服邮箱
回到顶部