电脑桌面
添加小米粒文库到电脑桌面
安装后可以在桌面快捷访问

成本会计习题集锦(含答案)VIP免费

成本会计习题集锦(含答案)_第1页
1/23
成本会计习题集锦(含答案)_第2页
2/23
成本会计习题集锦(含答案)_第3页
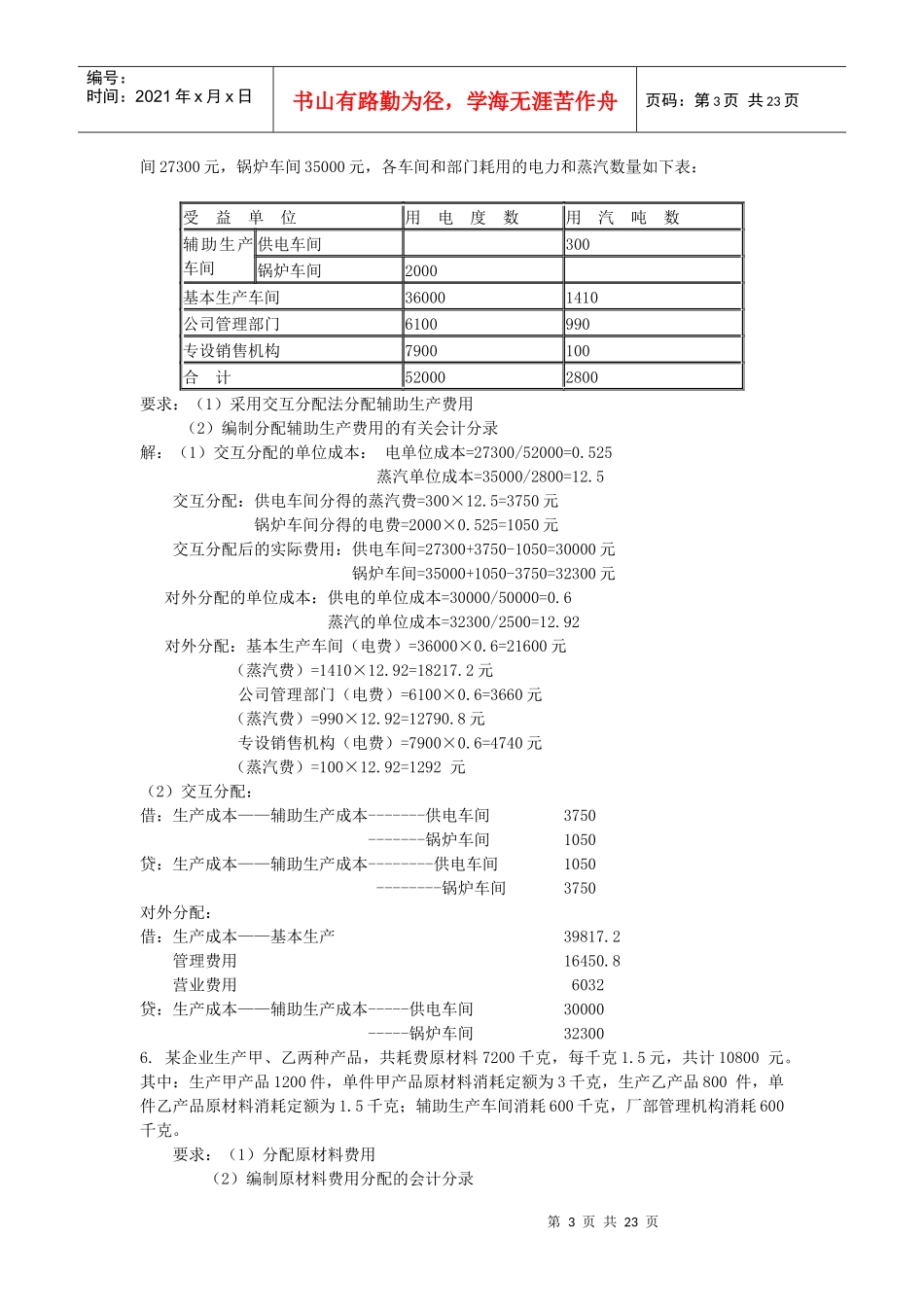
3/23
第1页共23页编号:时间:2021年x月x日书山有路勤为径,学海无涯苦作舟页码:第1页共23页成本会计习题集锦1.甲、乙、丙三种产品共同耗用A原材料28000元,本月甲、乙、丙三种产品产量分别为:100件、500件、300件,单位甲产品A材料的定额耗用量为15公斤,单位乙产品A材料的定额耗用量为10公斤,单位丙产品A材料的定额耗用量为25公斤。要求采用定额消耗量比例法分配材料费用。解:分配率=28000/(100*15+500*10+300*25)=2甲产品分配的原材料费用=100*15*2=3000元乙产品分配的原材料费用=500*10*2=10000元丙产品分配的原材料费用=300*25*2=15000元2.某一车间、二车间两个基本生产车间。一车间生产甲、乙两种产品,二车间生产丙产品,,还设有机修和供电两个辅助生产车间。8月份各辅助车间发生的生产费用和劳务供应量资料如下:辅助生产车间生产费用劳务供应量机修173507020小时供电67030150000度各受益单位耗用劳务情况如下:受益单位耗用劳务数量修理工时(小时)用电度数(度)机修15940供电80第一基本车间甲产品49000乙产品48500一般耗用31002000第二基本车间丙产品30000一般耗用37002500企业管理部门1402060合计7020150000要求:根据上列有关资料,采用直接分配法,计算分配机修、供电费用,并编制相应的会计分录。解:机修费用分配率=17350/(7020-80)=2.5第一车间制造费用=3100*2.5=7750元第二车间制造费用=3700*2.5=9250元管理费用=140*2.5=350元供电费用分配率=67030/(150000-15940)=0.5甲产品应分配供电费用=49000*0.5=24500元乙产品应分配供电费用=48500*0.5=24250元第一车间制造费用=2000*0.5=1000元丙产品应分配供电费用=30000*0.5=15000元第二车间制造费用=2500*0.5=1250元管理费用=2060*0.5=1030元会计分录:第2页共23页第1页共23页编号:时间:2021年x月x日书山有路勤为径,学海无涯苦作舟页码:第2页共23页借:生产成本——甲产品24500——乙产品24250——丙产品15000制造费用——一车间8750——二车间10500管理费用1380贷:生产成本——辅助生产成本——机修17350——供电670303.某企业生产A产品,月初在产品直接材料费用30000元,直接人工费用2500元,制造费用1500元.本月实际发生材料费用194000元,直接人工费25000元,制造费用15000元.完工产品5000件,单件原材料费用定额30元,单件工时定额3.8小时.月末在产品400件,单件原材料费用定额25元,工时定额2.5小时。要求:采用定额比例法,计算完工产品成本与月末在产品成本。解:(1)分配材料费完工产品材料定额费用=5000*30=150000(元)月末在产品材料定额费用=400*25=10000(元)原材料费用分配率=(30000+194000)/(150000+10000)=1.4完工产品应分配的材料费用=150000*1.4=210000(元)在产品应分配的材料费用=10000*1.4=14000(元)(2)分配人工费用完工产品定额工时=5000*3.8=19000(小时)月末在产品定额工时=400*2.5=1000(小时)人工费用分配率=(2500+25000)/(19000+1000)=1.375完工产品应分配的人工费用=19000*1.375=26125(元)在产品应分配的人工费用=1000*1.375=1375(元)(3)制造费用分配分配率=(1500+15000)/19000+1000)=0.825完工产品应分配的制造费用=19000*0.825=15675(元)在产品应分配的制造费用=1000*0.825=825(元)(4)完工产品总成本=210000+26125+15675=251800(元)在产品总成本=14000+1375+825=16200(元)4.某企业生产的甲产品分三道工序制成,各工序的原材料消耗定额为:第一道工序100公斤,第二道工序60公斤,第三道工序40公斤。月末在产品数量:第一道工序为150件,第二道工序为200件,第三道工序为250件。假设原材料于每道工序开始后随生产进度陆续投入,各工序在产的工时定额按本工序工时定额的50%计算。要求:计算各工序在产品的投料率和约当产量。解:(1)第一道工序的投料率=100×50%/200=25%第二道工序的投料率=(100+60×50%)/200=65%第三道工序的投料率=(100+60+40×50%)/200=90%(2)约当产量分别为:第一道工序=150×25%=37.5件第二道工序=200×65%=130件第三道工序=250×90%=225件5.申达公司有供电、锅炉两个辅助生产车间,2001年7月发生的辅助生产费用是:供电车第3页共23页第2页共23页编号:时间:20...

1、当您付费下载文档后,您只拥有了使用权限,并不意味着购买了版权,文档只能用于自身使用,不得用于其他商业用途(如 [转卖]进行直接盈利或[编辑后售卖]进行间接盈利)。
2、本站所有内容均由合作方或网友上传,本站不对文档的完整性、权威性及其观点立场正确性做任何保证或承诺!文档内容仅供研究参考,付费前请自行鉴别。
3、如文档内容存在违规,或者侵犯商业秘密、侵犯著作权等,请点击“违规举报”。

碎片内容

成本会计习题集锦(含答案)

您可能关注的文档

确认删除?
VIP
微信客服
  • 扫码咨询
会员Q群
  • 会员专属群点击这里加入QQ群
客服邮箱
回到顶部