电脑桌面
添加小米粒文库到电脑桌面
安装后可以在桌面快捷访问

中石油宁夏销售公司施工现场安全、质量检查表VIP免费

中石油宁夏销售公司施工现场安全、质量检查表_第1页
1/42
中石油宁夏销售公司施工现场安全、质量检查表_第2页
2/42
中石油宁夏销售公司施工现场安全、质量检查表_第3页
3/42
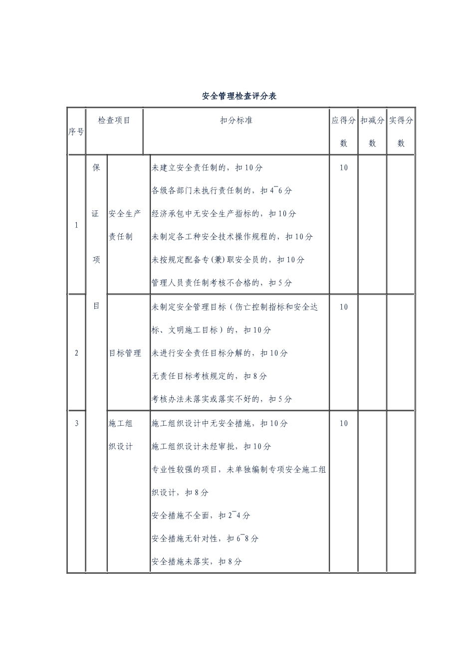
安全管理检查评分表序号检查项目扣分标准应得分数扣减分数实得分数1保证项目安全生产责任制未建立安全责任制的,扣10分各级各部门未执行责任制的,扣4~6分经济承包中无安全生产指标的,扣10分未制定各工种安全技术操作规程的,扣10分未按规定配备专(兼)职安全员的,扣10分管理人员责任制考核不合格的,扣5分102目标管理未制定安全管理目标(伤亡控制指标和安全达标、文明施工目标)的,扣10分未进行安全责任目标分解的,扣10分无责任目标考核规定的,扣8分考核办法未落实或落实不好的,扣5分103施工组织设计施工组织设计中无安全措施,扣10分施工组织设计未经审批,扣10分专业性较强的项目,未单独编制专项安全施工组织设计,扣8分安全措施不全面,扣2~4分安全措施无针对性,扣6~8分安全措施未落实,扣8分104分部(分项)工程安全技术交底无书面安全技术交底,扣10分交底针对性不强,扣4~6分交底不全面,扣4分交底未履行签字手续,扣2~4分105安全检查无定期安全检查制度,扣5分安全检查无记录,扣5分检查出事故隐患整改做不到定人、定时间、定措施,扣2~6分对重大事故隐患改通知书所列项目未如期完成,扣5分106安全教育无安全教育制度,扣10分新入厂工人未进行三级安全教育,扣10分无具体安全教育内容,扣6~8分变换工种时未进行安全教育,扣10分每有一人不懂本工种安全技术操作规程,扣2分施工管理人员未按规定进行年度培训的,扣5分专职安全员未按规定进行年度培训考核或考核不合格的,扣5分10小计607一般项目班前安全活动未建立班前安全活动制度,扣10分班前安全活动无记录,扣2分108特种作业持证上岗一人未经培训从事特种作业,扣4分一人未持操作证上岗,扣2分109工伤事故处理工伤事故未按规定报告,扣3~5分工伤事故未按事故调查分析规定处理,扣10分未建立工伤事故档案,扣4分1010安全标志无现场安全标志布置总平面图,扣5分现场未按安全标志总平面图设置安全标志的,扣5分10小计40检查项目合计100文明施工检查评分表序号检查项目扣分标准应得分数扣减分数实得分数1保证项目现场围挡在市区主要路段的工地周围未设置高于2.5m的围挡,扣10分一般路段的工地周围未设置高于1.8m的围挡,扣10分围挡材料不坚固、不稳定、不整洁、不美观扣105~7分围挡没有沿工地四周连续设置的,扣3~5分2封闭管理施工现场进出口无大门的,扣3分无门卫和无门卫制度的,扣3分进入施工现场不佩戴工作卡的,扣3分门头未设置企业标志的,扣3分103施工场地工地地面未做硬化处理的,扣5分道路不畅通的,扣5分无排水设施,排水不通畅的,扣4分无防止泥浆、污水、废水外流或堵塞下水道和排水河道措施的,扣3分工地有积水的,扣2分工地未设置吸烟处、随意吸烟的,扣2分温暖季节无绿化布置的,扣4分104材料堆放建筑材料、构件、料具不按总平面布局堆放的,扣4分料堆未挂名称、品种、规格等标牌的,扣2分堆放不整齐的,扣3分建筑垃圾堆放不整齐、未标出名称、品种的,扣3分易燃易爆物品未分类存放的,扣4分105现场住宿在建工程兼作住宿的,扣8分施工作业区与办公、生活区不能明显划分的,扣6分宿舍无保暖和防煤气中毒措施的,扣5分宿舍无消暑和防蚊虫叮咬措施的,扣3分无床铺、生活用品放置不整齐的,扣2分宿舍周围环境不卫生、不安全的,扣3分106现场防火无消防措施、制度或无灭火器材的,扣10分灭火器材配置不合理的,扣5分无消防水源(高层建筑)或不能满足消防要求的,扣8分无动火审批手续和动火监护的,扣5分10小计60一般项目7治安综合治理生活区未给工人设置学习和娱乐场所的,扣4分未建立治安保卫制度的、责任未分解到人的,扣3~5分治安防范措施不利,常发生失盗事件的,扣3~5分88施工现大门口处挂的五牌一图内容不全,缺一项,扣8场标牌2分标牌不规范、不整齐的,扣3分无安全标语,扣5分无宣传栏、读报栏、黑板报等,扣5分9生活设施厕所不符合卫生要求,扣4分无厕所,随地大小便,扣8分食堂不符合卫生要求,扣8分无卫生责任制,扣5分不能保证供应卫生饮水的,扣8分无淋浴室或淋浴室不符合要求,扣5分生活垃圾未及时清理,未装容器,无专人管理的,扣3~5分810保健急救无保健医药箱的,扣5分无急救措施和急救...

1、当您付费下载文档后,您只拥有了使用权限,并不意味着购买了版权,文档只能用于自身使用,不得用于其他商业用途(如 [转卖]进行直接盈利或[编辑后售卖]进行间接盈利)。
2、本站所有内容均由合作方或网友上传,本站不对文档的完整性、权威性及其观点立场正确性做任何保证或承诺!文档内容仅供研究参考,付费前请自行鉴别。
3、如文档内容存在违规,或者侵犯商业秘密、侵犯著作权等,请点击“违规举报”。

碎片内容

中石油宁夏销售公司施工现场安全、质量检查表

确认删除?
VIP
微信客服
  • 扫码咨询
会员Q群
  • 会员专属群点击这里加入QQ群
客服邮箱
回到顶部