电脑桌面
添加小米粒文库到电脑桌面
安装后可以在桌面快捷访问

固定资产审计底稿(含报告)VIP免费

固定资产审计底稿(含报告)_第1页
1/8
固定资产审计底稿(含报告)_第2页
2/8
固定资产审计底稿(含报告)_第3页
3/8
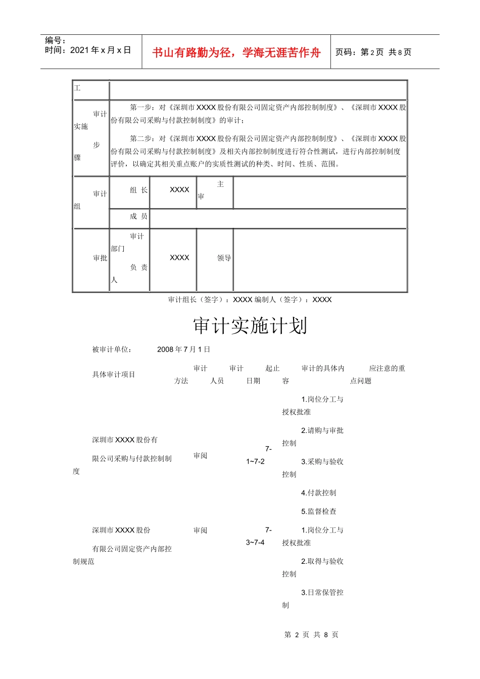
第1页共8页编号:时间:2021年x月x日书山有路勤为径,学海无涯苦作舟页码:第1页共8页审计工作方案审计项目购买资产的业务活动被审计单位名称深圳市XXXX股份有限公司审计期间截止日期:2008年6月30日计划工作时间2008年7月1日至7月15日审计方式审阅、抽查编制依据深圳市XXXX股份有限公司固定资产的内部控制制度审计目的目的在于掌握的固定资产的管理情况、内部控制制度执行情况,以便进行分析,从中评价出在固定资产管理中存在的差距及揭示主要问题,针对重大缺陷提出审计意见。审计内容和范围一、深圳市XXXX股份有限公司固定资产内部控制制度1.岗位分工与授权批准2.取得与验收控制3.日常保管控制4.处置与转移控制5.监督检查二、深圳市XXXX股份有限公司采购与付款控制制度1.岗位分工与授权批准2.请购与审批控制3.采购与验收控制4.付款控制5.监督检查审计人员分第2页共8页第1页共8页编号:时间:2021年x月x日书山有路勤为径,学海无涯苦作舟页码:第2页共8页工审计实施步骤第一步:对《深圳市XXXX股份有限公司固定资产内部控制制度》、《深圳市XXXX股份有限公司采购与付款控制制度》的审计;第二步:对《深圳市XXXX股份有限公司固定资产内部控制制度》、《深圳市XXXX股份有限公司采购与付款控制制度》及相关内部控制制度进行符合性测试,进行内部控制制度评价,以确定其相关重点账户的实质性测试的种类、时间、性质、范围。审计组组长XXXX主审成员审批审计部门负责人XXXX领导审计组长(签字):XXXX编制人(签字):XXXX审计实施计划被审计单位:2008年7月1日具体审计项目审计方法审计人员起止日期审计的具体内容应注意的重点问题深圳市XXXX股份有限公司采购与付款控制制度审阅7-1~7-21.岗位分工与授权批准2.请购与审批控制3.采购与验收控制4.付款控制5.监督检查深圳市XXXX股份有限公司固定资产内部控制规范审阅7-3~7-41.岗位分工与授权批准2.取得与验收控制3.日常保管控制第3页共8页第2页共8页编号:时间:2021年x月x日书山有路勤为径,学海无涯苦作舟页码:第3页共8页4.处置与转移控制5.监督检查深圳市XXXX股份有限公司存货内部会计控制制度查询7-5购货与付款、盘点深圳市XXXX股份有限公司财产清查制度查询7-6固定资产的盘点深圳市XXXX股份有限公司信息披露制度查询7-7深圳市XXXX股份有限公司债券持有人明细资料保管制度查询7-10深圳市XXXX股份有限公司章程查询7-12凭证账的核查抽查7-13~14备注审计部门:XXXXXXX审计组长(主审):XXXX编制人:XXXX审计通知书被审计单位审计项目购买资产业务管理审计目的目的在于掌握的固定资产的管理情况、内部控制制度执行情况,以便进行分析,从中评价出在固定资产管理中存在的差距及揭示主要问题,针对重大缺陷提出审计意见。审计时间2008年7月1日至7月15日被审计单位应提供的资料及其1.固定资产投资预算表及批准书第4页共8页第3页共8页编号:时间:2021年x月x日书山有路勤为径,学海无涯苦作舟页码:第4页共8页他它必要的协助2.请购单3.订货单4.购货合同5.发票6.供应商的发货单7.产品说明书及其相关说明书8.验收单审计小组名单内审组批准意见内审负责人签单签发日期审计工作底稿被审计单位名称编制人XXXX日期2008年7月12日复核人XXXXXX日期2008年7月15日审计期间或截至日2008年06月30日审计方法审阅抽查审计事项深圳市XXXX股份有限公司购买资产业务内部控制制度审计情况记录:结论及说明被审单位意见审计组长第5页共8页第4页共8页编号:时间:2021年x月x日书山有路勤为径,学海无涯苦作舟页码:第5页共8页审计工作底稿(主审)意见附件凭证制度核查记录被审计单位:2008年月日制度摘要起效时间目前现状审计结论深圳市XXXX股份有限公司信息披露制度1.是否有完善的规定和流程控制:2.现实中执行和运用的程度:深圳市XXXX股份有限公司债券持有人明细资料保管制度1.是否有完善的规定和流程控制:2.现实中执行和运用的程度:深圳市XXXX股份有限公司章程1.是否有完善的规定和流程控制:2.现实中执行和运用的程度:深圳市XXXX股份有限公司存货内部会计控制制度1.是否有完善的规定和流程控制:2.现实中执行和运用的程度:深圳市XXXX股份有限公司财产...

1、当您付费下载文档后,您只拥有了使用权限,并不意味着购买了版权,文档只能用于自身使用,不得用于其他商业用途(如 [转卖]进行直接盈利或[编辑后售卖]进行间接盈利)。
2、本站所有内容均由合作方或网友上传,本站不对文档的完整性、权威性及其观点立场正确性做任何保证或承诺!文档内容仅供研究参考,付费前请自行鉴别。
3、如文档内容存在违规,或者侵犯商业秘密、侵犯著作权等,请点击“违规举报”。

碎片内容

固定资产审计底稿(含报告)

确认删除?
VIP
微信客服
  • 扫码咨询
会员Q群
  • 会员专属群点击这里加入QQ群
客服邮箱
回到顶部