电脑桌面
添加小米粒文库到电脑桌面
安装后可以在桌面快捷访问

住宅小区用电负荷计算方法VIP免费

住宅小区用电负荷计算方法_第1页
1/6
住宅小区用电负荷计算方法_第2页
2/6
住宅小区用电负荷计算方法_第3页
3/6
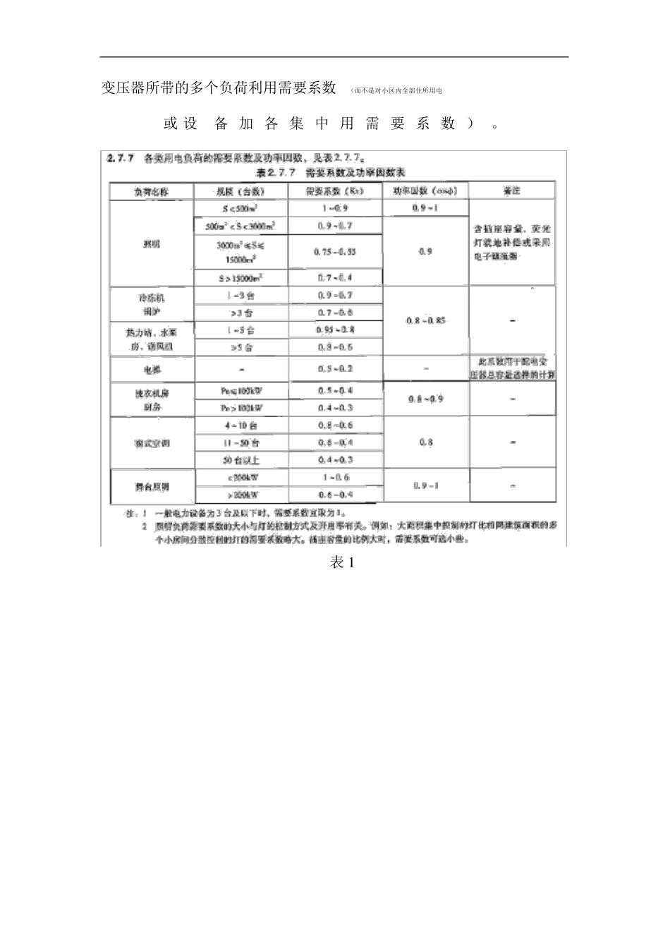
住所小区用电负荷计算方法(原创)一、负荷等级看法:1.一类建筑用一级负荷双电源、二类建筑二级负荷双回路、三类建筑三级负荷。2.关于住所类按层数分几类几级负荷比较适用,19层以上一类建筑一级负荷、11~18层二类建筑二级负荷、其余为三类建筑三级负荷。3.一二类负荷中消防、电梯、应急照明、污水泵、送排风机、监控室、电话网络机房等为一二级负荷而其余负荷为三类负荷。二、关于上述一二类负荷(小区内公共负荷也集中由专用变取)应由专用变压器带而不是与住所负荷变压器合用,并设置两台变压器互切备用,按规定这样备用的两台变压器中间每一台都应能带全部的一二类负荷,可是实质中间没有必需,每台变压器稍多留(甚至就正常计算)出来一些就能够了。如二类负荷总功率是900KW,那设两台专用变压器每台就带450KW(这里不考虑功率因数,需要系数,就是举个例子)假如是一般负荷我能够选两台500KVA的变压器,但此刻我要多留出一些,我选两台630KVA变压器,而每台多留出来的180就能够达到部分二类负荷故障时备用的目的(由于不可以能全部的二类负荷所在线路同时出现故障,再者消防设施基本不用而用的时候能够强切非消防应急设施负荷。此看法假如前辈们对此看法有不一样建议,希望一同议论。三、两种计算方法:1)单位面积指标法;2)需要系数法;四、两种方法的出处:《全公民用建筑工程设计技术举措.电气2009版》《全公民用建筑工程设计技术举措节能专篇.电气2003版》《民用建筑电气设计规范》、五、两种方法应用的前提:是不走配套费,而是按实结算(回迁、经济合用房、棚改区、别墅类项目等),假如走配套费,电业局爱算多大算多大,反正都是80~90元每平的花费里出!六、两种方法的看法:1.单位面积指标法:依照建筑不一样用电类型、用途而在经验表格中查相应的单位面积用电指标而后*建筑的面积。S=用电指标*建筑面积。住所类、办公类、商业类等由下表可估量出变压器的容量及小区的负荷强度,此法用于估量,如关于需要进行二次装饰设计而现无正确的设施容量的大型售楼处、商场等向电业局电力报装估量时用。2.需要系数法:用在初步设1,多台设施时需要系数就会计或施工图阶段,单台设施需要系数为小于1,这样就能够把带多台设施的开关或电缆规格降低等级,进而节俭资源。各楼号用电负荷、公共设施用电负荷都已经有了。这时可以累加各负荷额定功率再与需要系数表中对应负荷的系数相乘而得到相应的容量。但注意应用时要注意范围:是对同一线路、配电箱、变压器所带的多个负荷利用需要系数(而不是对小区内全部住所用电或设备加各集中用需要系数)。表1表21)计算方法实例:一个住所小区,10栋18层,总户数780户,设计每户6KW(注意要看当地电业局要求是否是这个标准,假如就不可以再用4KW/户来报),地下车库22000平,风机16台、电梯20台、污水泵30台、各楼公共照明电5KW每栋、消防98KW、给水30KW、换热站60KW等。*将每栋楼里的公共用电都核算到公共亭里,住所负荷用住所变,公共用电由公共变压器。18层为二级负荷,关于此中的消防应急设施如:电梯、风机、消防间、污水泵、公共照明电中有线电视可视对讲电源各楼应急照明等、换热、给水、地下车库中的应急照明、卷帘门(功率小也可不计)需双回路供电尾端互投,双回路能够这样实现,简单说,三类负荷中由一个开关箱带一台设施,此刻给两个开关箱设置两条回路来带这台设施,这样就能够了。先算公共亭设施额定功率P1=P车库电*需要系数+P电梯*需要系数+风机*需要系数+污水*需要系数+各楼公共照明*需要系数+消防*需要系数+给水*需要系数+换热*需要系数=22000平*20W/米2/1000*+20台*15KW/台*+16**+30*4*+10*5*+70*+30*+60*=638KW。公共亭容量S=P1/功率因数=。那么你报两台400的行不可以。(实质使用时容量也够用,由于消防电基本不用,而用的时候能够切掉非消防应急设施的电力)但答案是不可以。由于这样满负荷,关于电业局来说一是变压器消耗比较大(这个要素在住所电时要考虑这里由于电费是由物业费出因此不考虑也行),二是考虑未来安全稳固运转,因此需要考虑经济负荷系数~。这样估量下来基本是超出800KVA了,此刻就需要考虑1000K...

1、当您付费下载文档后,您只拥有了使用权限,并不意味着购买了版权,文档只能用于自身使用,不得用于其他商业用途(如 [转卖]进行直接盈利或[编辑后售卖]进行间接盈利)。
2、本站所有内容均由合作方或网友上传,本站不对文档的完整性、权威性及其观点立场正确性做任何保证或承诺!文档内容仅供研究参考,付费前请自行鉴别。
3、如文档内容存在违规,或者侵犯商业秘密、侵犯著作权等,请点击“违规举报”。

碎片内容

住宅小区用电负荷计算方法

爱的疯狂+ 关注
实名认证
内容提供者

该用户很懒,什么也没介绍

相关文档

确认删除?
VIP
微信客服
  • 扫码咨询
会员Q群
  • 会员专属群点击这里加入QQ群
客服邮箱
回到顶部