电脑桌面
添加小米粒文库到电脑桌面
安装后可以在桌面快捷访问

WHVK-QP-07-01工程勘察控制程序VIP免费

WHVK-QP-07-01工程勘察控制程序_第1页
1/3
WHVK-QP-07-01工程勘察控制程序_第2页
2/3
WHVK-QP-07-01工程勘察控制程序_第3页
3/3
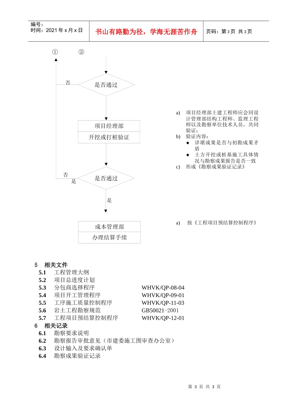
武汉市万科房地产有限公司程序文件工程勘察控制程序编号:WHVK/QP-07-01版号/修改状态:A/2生效日期:2005-5-301目的确保有关勘察工作的各步骤处于受控状态,保证其工作成果符合设计和施工的需要。2适用范围本程序适用于所有开发项目的可行性研究、初步设计、施工图设计阶段中要求的工程勘察工作。3职责3.1项目经理部工程主管全面负责工程勘察工作的管理与控制。3.2项目经理部土建工程师参与具体工程勘察工作的管理与控制。3.3设计管理部负责提供经设计院认可的规划总平面图,作为勘察设计布孔图的依据。3.4成本管理部负责合同中的经济条款,并负责审查付款条件。3.5设计管理部负责合同中的技术条款。4工作程序第1页共3页设计管理部结构工程师确认勘察方案a)勘察方案包括勘察布孔图和勘察要求b)由扩初或施工图设计单位提供《勘察要求说明》,勘察单位按GB50021-2001《岩土工程勘察规范》提出勘察方案,并经过设计管理部结构工程师签字认可c)设计出现重大改变,由设计院提出新的补勘方案,经设计管理部结构工程师认可项目经理部/合约工程部确定勘察单位a)依据《工程管理大纲》、《项目总进度计划》b)勘察单位的确定按《分包商选择程序》执行a)设计管理部负责拟定合同中技术条款,明确规定勘察要求、成果报告的深度、内容、准确性以及提出建议等要求补勘否是第2页共3页编号:时间:2021年x月x日书山有路勤为径,学海无涯苦作舟页码:第2页共3页①②a)第一次正式勘察成果文件报送市建委施工图审查办公室审核b)初勘、补勘不需送审c)《勘察报告审批意见》a)按《工序施工质量控制程序》进行并采用相关表格;b)《岩土工程勘察规范》GB50021-2001c)是否满足合同中有关技术条款的要求设计管理部结构工程师将勘察成果报告送设计院a)应要求设计单位确认是否符合设计需要,是否符合《勘察要求说明》b)《设计输入及要求确认单》项目经理部土建工程师检查勘察单位的野外作业施工项目经理部送审勘察成果报告是否通过否是第3页共3页第2页共3页编号:时间:2021年x月x日书山有路勤为径,学海无涯苦作舟页码:第3页共3页①②否是5相关文件5.1工程管理大纲5.2项目总进度计划5.3分包商选择程序WHVK/QP-08-045.4项目开工管理程序WHVK/QP-09-015.5工序施工质量控制程序WHVK/QP-11-035.6岩土工程勘察规范GB50021-20015.7工程项目预结算控制程序WHVK/QP-12-016相关记录6.1勘察要求说明6.2勘察报告审批意见(市建委施工图审查办公室)6.3设计输入及要求确认单6.4勘察成果验证记录成本管理部办理结算手续a)按《工程项目预结算控制程序》是否通过项目经理部开挖或打桩验证a)项目经理部土建工程师应会同设计管理部结构工程师、监理工程师以及勘察单位技术人员,共同验证;b)验证内容:详堪成果是否与初勘成果矛盾土方开挖或桩基施工具体情况与勘察成果报告是否一致c)形成《勘察成果验证记录》是否通过

1、当您付费下载文档后,您只拥有了使用权限,并不意味着购买了版权,文档只能用于自身使用,不得用于其他商业用途(如 [转卖]进行直接盈利或[编辑后售卖]进行间接盈利)。
2、本站所有内容均由合作方或网友上传,本站不对文档的完整性、权威性及其观点立场正确性做任何保证或承诺!文档内容仅供研究参考,付费前请自行鉴别。
3、如文档内容存在违规,或者侵犯商业秘密、侵犯著作权等,请点击“违规举报”。

碎片内容

WHVK-QP-07-01工程勘察控制程序

您可能关注的文档

确认删除?
VIP
微信客服
  • 扫码咨询
会员Q群
  • 会员专属群点击这里加入QQ群
客服邮箱
回到顶部