电脑桌面
添加小米粒文库到电脑桌面
安装后可以在桌面快捷访问

某IT设备制造项目财务分析VIP免费

某IT设备制造项目财务分析_第1页
1/2
某IT设备制造项目财务分析_第2页
2/2
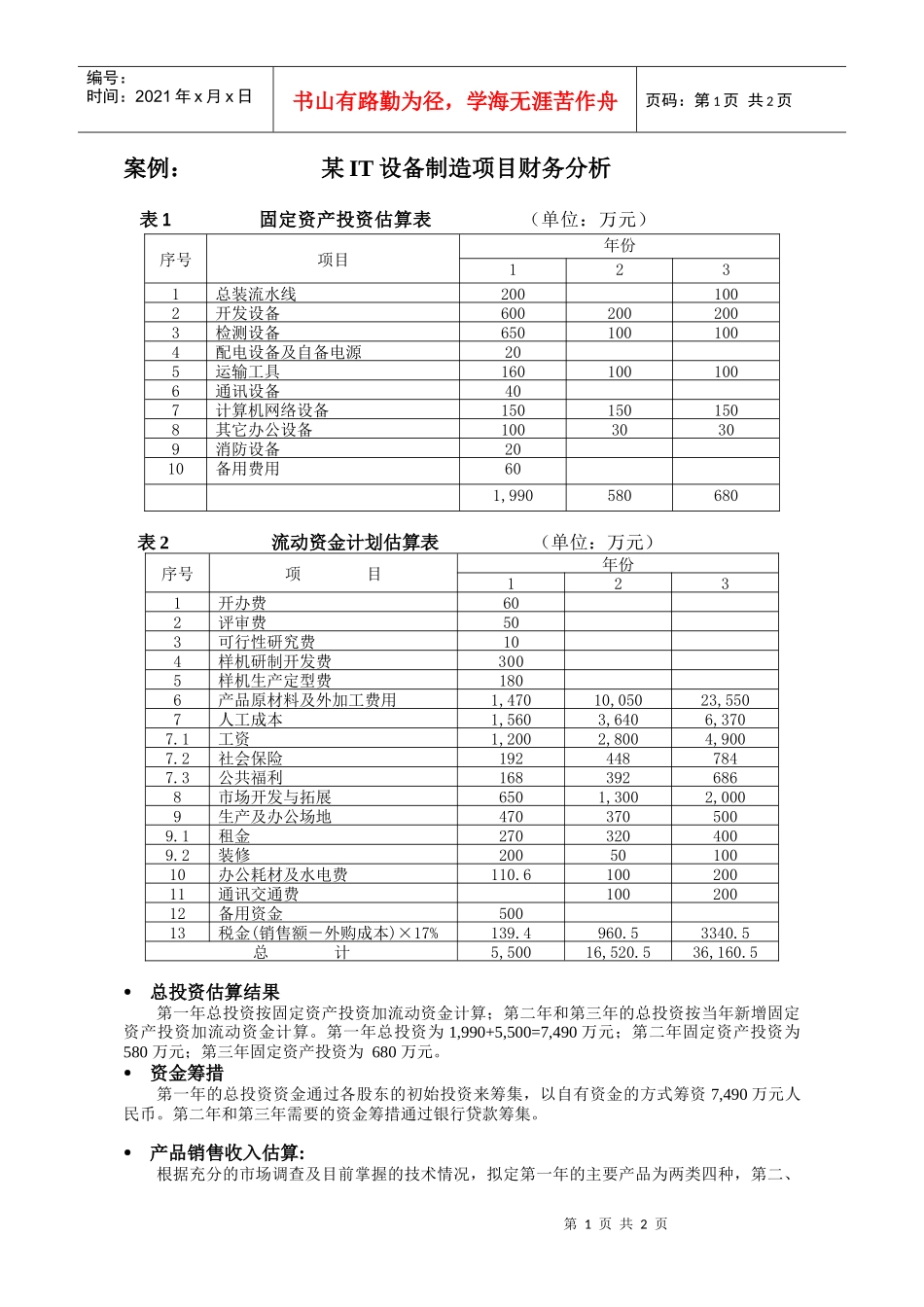
第1页共2页编号:时间:2021年x月x日书山有路勤为径,学海无涯苦作舟页码:第1页共2页案例:某IT设备制造项目财务分析表1固定资产投资估算表(单位:万元)序号项目年份1231总装流水线2001002开发设备6002002003检测设备6501001004配电设备及自备电源205运输工具1601001006通讯设备407计算机网络设备1501501508其它办公设备10030309消防设备2010备用费用601,990580680表2流动资金计划估算表(单位:万元)序号项目年份1231开办费602评审费503可行性研究费104样机研制开发费3005样机生产定型费1806产品原材料及外加工费用1,47010,05023,5507人工成本1,5603,6406,3707.1工资1,2002,8004,9007.2社会保险1924487847.3公共福利1683926868市场开发与拓展6501,3002,0009生产及办公场地4703705009.1租金2703204009.2装修2005010010办公耗材及水电费110.610020011通讯交通费10020012备用资金50013税金(销售额-外购成本)×17%139.4960.53340.5总计5,50016,520.536,160.5总投资估算结果第一年总投资按固定资产投资加流动资金计算;第二年和第三年的总投资按当年新增固定资产投资加流动资金计算。第一年总投资为1,990+5,500=7,490万元;第二年固定资产投资为580万元;第三年固定资产投资为680万元。资金筹措第一年的总投资资金通过各股东的初始投资来筹集,以自有资金的方式筹资7,490万元人民币。第二年和第三年需要的资金筹措通过银行贷款筹集。产品销售收入估算:根据充分的市场调查及目前掌握的技术情况,拟定第一年的主要产品为两类四种,第二、第2页共2页第1页共2页编号:时间:2021年x月x日书山有路勤为径,学海无涯苦作舟页码:第2页共2页第三年至少扩展为六种。五年的产量及预测销售额见下表:表3五年产品产量及预测的销售额(万元)产品年份12345产量单价销售额产量单价销售额产量单价销售额产量单价销售额产量单价销售额产品15001.155030001.03,00060000.84,80060000.74,20060000.63,600产品22001.530015001.21,80035001.03,50035000.93,15035000.82,800产品38000.864040000.62,40080000.54,00080000.43,20080000.32,400产品41008.080010005.45,40025005.012,50025004.511,25025004.010,000产品550321,6004002811,2005002512,5006002313,800产品620751,500120607,200180509,0002404510,800合计2,29015,70043,20043,30043,400折旧及摊销估算按已知数据,将固定资产按财务制度规定年限计提折旧。待摊费用按5年摊销,递延资产取表2中1-5项共计600万元,每年摊销120万元。表4各年固定资产折旧表固定资产序号折旧年限第一年第二年第三年资产原值年折旧额资产原值年折旧额资产原值年折旧额1-456-101075147016037014722.9743001001803014.3364001001804014.2936合计1990243.958080.368090.3累计2570324.23250414.5表5五年现金流量表(单位:万元)序号项目年度012345(1)销售收入229015700432004330043400(2)付现成本4880*16520.536160.53669036780(3)折旧243.9324.2414.5414.5414.5(4)递延资产摊销120120120120120(5)税前利润(5)=(1)-(2)-(3)-(4)-2953.9-1264.765056075.56085.5(6)所得税2146.72004.92008.2(7)税后利润-2953.9-1264.74358.34070.64077.3(8)营业现金流量(8)=(7)+(3)+(4)-2590-820.54892.84605.14611.8(9)投资额7,490580680(10)净现金流量-7,490-2590-1400.54212.84605.14611.8*4880=300+180+1470+1560+650+470+110.6+139.4五年平均收益率=平均净利原始投资额=(-2953.9-1264.7+4358.3+4070.6+4077.3)/57,490=22.1%要求:自由分组讨论(每组不超过5人),看懂分析者的思路,找出以上分析中的问题,利用所给出的数据,在合理假定下,作出正确的财务分析。

1、当您付费下载文档后,您只拥有了使用权限,并不意味着购买了版权,文档只能用于自身使用,不得用于其他商业用途(如 [转卖]进行直接盈利或[编辑后售卖]进行间接盈利)。
2、本站所有内容均由合作方或网友上传,本站不对文档的完整性、权威性及其观点立场正确性做任何保证或承诺!文档内容仅供研究参考,付费前请自行鉴别。
3、如文档内容存在违规,或者侵犯商业秘密、侵犯著作权等,请点击“违规举报”。

碎片内容

某IT设备制造项目财务分析

确认删除?
VIP
微信客服
  • 扫码咨询
会员Q群
  • 会员专属群点击这里加入QQ群
客服邮箱
回到顶部