电脑桌面
添加小米粒文库到电脑桌面
安装后可以在桌面快捷访问

嘉兴市医疗器械经营企业安全信用检查细则(试行)VIP免费

嘉兴市医疗器械经营企业安全信用检查细则(试行)_第1页
1/10
嘉兴市医疗器械经营企业安全信用检查细则(试行)_第2页
2/10
嘉兴市医疗器械经营企业安全信用检查细则(试行)_第3页
3/10
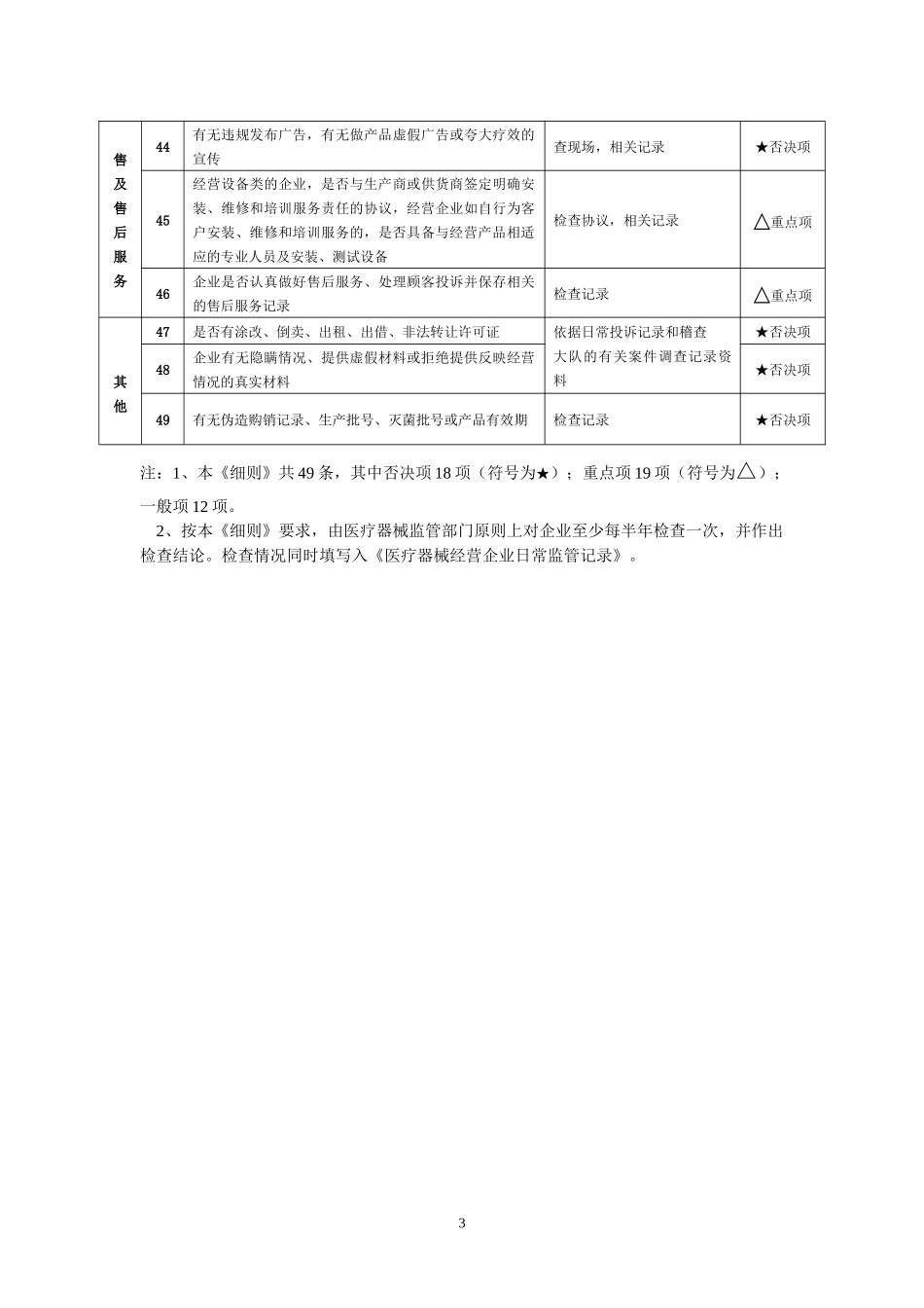
嘉兴市医疗器械经营企业安全信用检查细则(试行)项目序号检查内容检查方法级别安全信用制度规范及管理1有无建立安全信用领导小组检查文件△重点项2部门有无签订安全信用责任书或安全信用承诺书检查责任书或承诺书△重点项3企业员工有无安全信用承诺书检查承诺书△重点项4企业有无建立安全信用制度、规范及内部管理系统检查安全信用制度文本及运行现状△重点项5企业有无制定安全信用管理方案和计划检查方案和计划△重点项6企业有无建立安全信用档案检查档案△重点项7企业有无定期对各部门进行安全信用自查和评定检查记录△重点项8企业有无建立安全信用奖惩措施检查制度和实施的记录△重点项证件9企业有无擅自变更企业名称检查经营许可证及营业执照★否决项10企业有无擅自变更法定代表人或企业负责人检查经营许可证、营业执照及任命书★否决项11企业有无擅自变更质量管理人检查经营许可证及任命书★否决项12企业经营的产品有无超越经营范围检查产品及经营许可证★否决项13企业经营许可证是否在有效期内检查经营许可证★否决项14企业经营的产品是否持有有效的产品注册证检查经营的产品及注册证★否决项15企业经营的产品是否有产品合格证检查经营的产品及合格证★否决项部门设置16企业是否具有健全的质量管理机构(部门)及专职质量管理人员,职能部门是否设置合理并职能清晰。兼营企业是否具有独立的医疗器械部门或质量管理组织检查组织机构图、职能分配一般项17企业的质量管理机构或部门是否明确专职质量负责人及职责检查任命书及相关文件△重点项人力资源18企业主要负责人是否熟悉国家有关医疗器械的法律法规现场提问一般项19质量管理部门负责人或专职质量管理人员是否熟悉国家有关医疗器械的法律法规及所经营的产品的技术标准现场提问△重点项20质量管理人是否履行岗位职责查职能规定和相关文件记录△重点项21企业是否具备与经营规模相适应的技术人员查人事档案及相关文件记录△重点项22从事医疗器械质量管理、销售、维修、仓管的人员是否经过相关的法规及专业培训检查培训计划、培训记录一般项123直接接触无菌医疗器械产品人员有无按时体检,有无体检不合格上岗情况查相关人员的体检表、健康证一般项基础设施24注册地址和仓库地址是否与许可证相符查经营许可证★否决项25经营场所是否与经营的规模相适应,是否宽敞、卫生、整洁检查经营场所一般项26仓库面积是否与经营规模相适应核查仓库面积△重点项27仓库是否具有干燥、通风、避光和防潮、防霉、防污染、防鼠、照明和消防等常规性设施检查仓库的条件及设施一般项28经营特殊贮存要求产品的,是否配备相应的专用仓库或专用贮存设施检查仓库的条件及设施★否决项29经营有特殊验配要求的产品是否具备必需的验配设备和仪器,并按规定进行检定、维护和维修检查相应的设施设备★否决项30仓库是否有明确的功能分区,并标识清楚;产品摆放是否整齐检查仓库的分区及产品摆放情况一般项管理制度及执行情况31企业是否建立质量管理制度检查质量管理制度★否决项32企业是否保存有关医疗器械监督管理方面的法规、规章和规范性文件,是否制定法规培训的计划并有记录检查文件和培训计划、培训记录一般项33企业是否及时浏览国家、省、市药监部门的网站,了解、收集最新的规定、要求及通知,并自觉执行最新法规要求检查文件和下载记录及执行情况一般项34企业是否建立了产品采购索证制度和首营品种质量审核制度,是否建立了供货商档案并保留产品注册证检查供货商资质档案△重点项35企业是否建立了所经营产品的档案,按规定索证并保留产品说明书和标签检查产品资质档案一般项36企业有无从非法渠道采购医疗器械;有无过期、失效或淘汰的医疗器械检查产品和记录★否决项37企业是否建立了完整的进货验收制度,有无对产品的包装、标签、说明书进行检查,并将有关记录建档保存检查记录★否决项38企业是否建立了仓库保管制度,并将有关保管、养护记录建档保存检查记录一般项39企业是否建立了完整、具有可追溯性的产品出库复核记录,并将有关记录建档保存检查记录△重点项40企业是否建立了完整的产品质量信息反馈记录,并将有关记录建档保存检查记录一般项41...

1、当您付费下载文档后,您只拥有了使用权限,并不意味着购买了版权,文档只能用于自身使用,不得用于其他商业用途(如 [转卖]进行直接盈利或[编辑后售卖]进行间接盈利)。
2、本站所有内容均由合作方或网友上传,本站不对文档的完整性、权威性及其观点立场正确性做任何保证或承诺!文档内容仅供研究参考,付费前请自行鉴别。
3、如文档内容存在违规,或者侵犯商业秘密、侵犯著作权等,请点击“违规举报”。

碎片内容

嘉兴市医疗器械经营企业安全信用检查细则(试行)

您可能关注的文档

教育精品店+ 关注
实名认证
内容提供者

优良的服务

确认删除?
VIP
微信客服
  • 扫码咨询
会员Q群
  • 会员专属群点击这里加入QQ群
客服邮箱
回到顶部