电脑桌面
添加小米粒文库到电脑桌面
安装后可以在桌面快捷访问

成本会计要素费用的归集与分配(各章节陆续更新交流请留言百度)1docVIP免费

成本会计要素费用的归集与分配(各章节陆续更新交流请留言百度)1doc_第1页
1/61
成本会计要素费用的归集与分配(各章节陆续更新交流请留言百度)1doc_第2页
2/61
成本会计要素费用的归集与分配(各章节陆续更新交流请留言百度)1doc_第3页
3/61
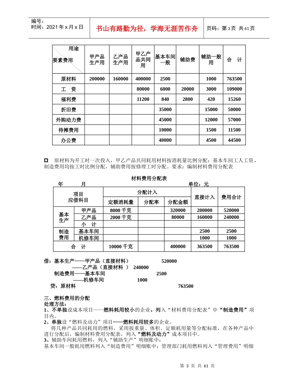
第1页共61页编号:时间:2021年x月x日书山有路勤为径,学海无涯苦作舟页码:第1页共61页第5章要素费用的归集与分配重点、难点:1、生产费用按经济内容分类;2、生产费用要素分配原则3、材料费用分配方法,适用范围和计算公式;4、计件工资、计时工资的计算与分配第一节生产费用概述(一)生产费用:在生产过程中发生的各种耗费。按经济内容(性质)分类:在会计上称为费用要素,包括劳动对象,劳动手段和活劳动中必要劳动消耗的三大类要素费用,具体划分为六个费用要素。按经济用途分类:将生产费用按其经济用途分为不同项目,会计上称为“产品成本项目”,它是企业计算产品成本时进行费用分类的依据。(二)生产费用要素分配的一般原则凡属于直接费用应直接计入产品成本,属间接费用则先归集,再分配计入产品成本。(三)要素费用分配内容:材料费用分配、人工费用分配、折旧费用分配、外购动力费用分配待摊费用分配、辅助生产费用分配、制造费用分配。第二节材料费用的归集与分配一、材料费用的归集(一)材料归集的基础工作入库材料成本的确定:按实际或计划领料单或领料单汇总:通过凭证进行归集,月终按车间、部门汇总,计算出所消耗材料的数量和金额。(二)消耗材料计量采用永续盘存制、实地盘存制(三)发出材料成本的计算分实际成本和计划成本进行,采用先进先出、后进先出,移动平均、加权平均等二、材料费用的分配通过编制“材料费用分配表”进行(一)分配原则:同要素费用分配(二)材料费用的分配方法和标准分配方法:定额耗用量比例分配法、产品重量比例分配法、产品产量比例分配法和材料定额成本分配法。分配标准:成果类标准(重量、产量、产值)消耗类标准(原材料消耗量、工时、原材料费用)定额类标准(定额消耗量、定额费用)定额消耗量法分配标准:原材料定额消耗量。(1)计算各产品材料定额耗用量某产品原材料定额消耗量=该产品的实际产量×单位产品原材料消耗(2)计算材料定额耗用量分配率第2页共61页第1页共61页编号:时间:2021年x月x日书山有路勤为径,学海无涯苦作舟页码:第2页共61页材料定额耗用量分配率=原材料实际耗用总量÷各产品材料定额消耗量之和(3)计算某产品应分配的材料实际耗用量某产品应分配的材料实际耗用量=该产品材料定额耗用量×分配率(4)计算出应分配的材料费用某产品应分配的材料费用=该产品应分配的材料实际数量×单价例子:(一)材料总分核算(归集)发出材料汇总表年月单位:元应贷应借原材料合计原材料辅助材料修理用备件燃料基本生产450001500150048000辅助生产400060040010006000制造费用15004002002100管理费用5002003001000销售费用30003000合计5400027002100130060100月末根据“发出材料汇总表”进行总分类核算、编记帐凭证。借:基本生产48000辅助生产6000制造费用2100管理费用1000销售费用3000贷:原材料60100(二)材料费用分配资料例1:某企业设有一个基本车间,大量生产甲、乙产品,另设一个机修车间,有关材料分配资料如下:1)材料消耗定额记录材料消耗定额生产工时修理工时基本生产车间甲产品8000千克2500小时乙产品2000千克1500小时一般12000小时行管部门10000小时2)本月生产费用资料单位:元第3页共61页第2页共61页编号:时间:2021年x月x日书山有路勤为径,学海无涯苦作舟页码:第3页共61页用途要素费用甲产品生产用乙产品生产用甲乙产品共同用基本车间一般辅助费辅助一般用合计原材料20000016000040000025001000763500工资800006000200003000109000福利费11200840280042015260折旧费350001500050000外购动力费450001200057000待摊费用10000150011500办公费40000450044500原材料为开工时一次投入,甲乙产品共同耗用材料按消耗量比例分配:基本车间工人工资,制造费用均按工时比例分配,辅助费用按修理工时分配。要求:编制材料费用分配表材料费用分配表年月单位:元项目应借科目分配计入直接计入费用合计定额消耗量分配率分配金额基本生产甲产品8000千克320000200000520000乙产品2000千克80000160000240000小计制造费用基本车间25002500机修车间10001000合计10000千克4...

1、当您付费下载文档后,您只拥有了使用权限,并不意味着购买了版权,文档只能用于自身使用,不得用于其他商业用途(如 [转卖]进行直接盈利或[编辑后售卖]进行间接盈利)。
2、本站所有内容均由合作方或网友上传,本站不对文档的完整性、权威性及其观点立场正确性做任何保证或承诺!文档内容仅供研究参考,付费前请自行鉴别。
3、如文档内容存在违规,或者侵犯商业秘密、侵犯著作权等,请点击“违规举报”。

碎片内容

成本会计要素费用的归集与分配(各章节陆续更新交流请留言百度)1doc

您可能关注的文档

确认删除?
VIP
微信客服
  • 扫码咨询
会员Q群
  • 会员专属群点击这里加入QQ群
客服邮箱
回到顶部