电脑桌面
添加小米粒文库到电脑桌面
安装后可以在桌面快捷访问

重庆市煤矿安全质量标准化标准及考核评级办法VIP免费

重庆市煤矿安全质量标准化标准及考核评级办法_第1页
1/46
重庆市煤矿安全质量标准化标准及考核评级办法_第2页
2/46
重庆市煤矿安全质量标准化标准及考核评级办法_第3页
3/46
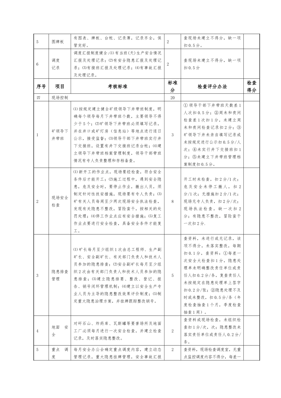
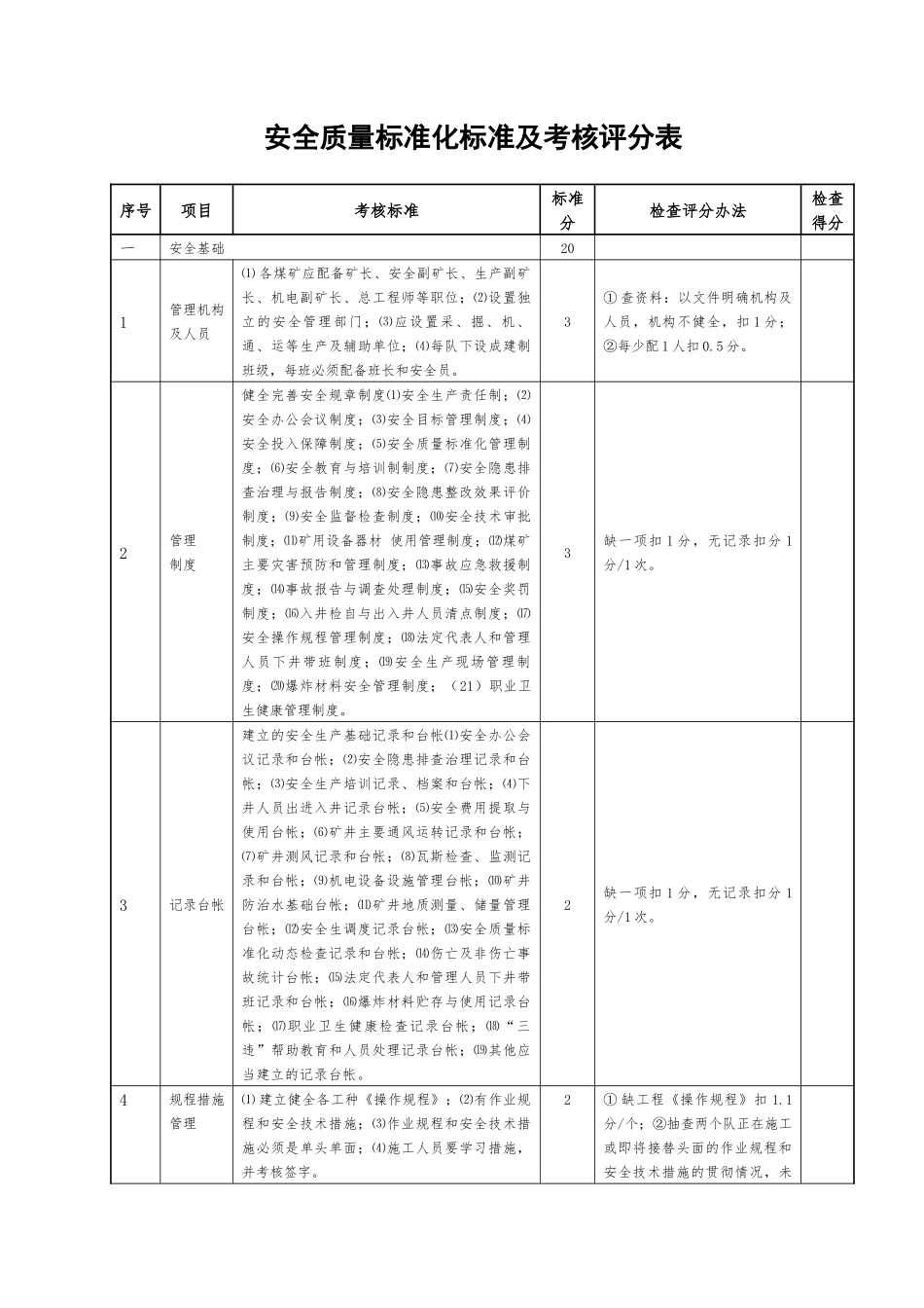
安全质量标准化标准及考核评分表序号项目考核标准标准分检查评分办法检查得分一安全基础201管理机构及人员⑴各煤矿应配备矿长、安全副矿长、生产副矿长、机电副矿长、总工程师等职位;⑵设置独立的安全管理部门;⑶应设置采、掘、机、通、运等生产及辅助单位;⑷每队下设成建制班级,每班必须配备班长和安全员。3①查资料:以文件明确机构及人员,机构不健全,扣1分;②每少配1人扣0.5分。2管理制度健全完善安全规章制度⑴安全生产责任制;⑵安全办公会议制度;⑶安全目标管理制度;⑷安全投入保障制度;⑸安全质量标准化管理制度;⑹安全教育与培训制制度;⑺安全隐患排查治理与报告制度;⑻安全隐患整改效果评价制度;⑼安全监督检查制度;⑽安全技术审批制度;⑾矿用设备器材使用管理制度;⑿煤矿主要灾害预防和管理制度;⒀事故应急救援制度;⒁事故报告与调查处理制度;⒂安全奖罚制度;⒃入井检自与出入井人员清点制度;⒄安全操作规程管理制度;⒅法定代表人和管理人员下井带班制度;⒆安全生产现场管理制度;⒇爆炸材料安全管理制度;(21)职业卫生健康管理制度。3缺一项扣1分,无记录扣分1分/1次。3记录台帐建立的安全生产基础记录和台帐⑴安全办公会议记录和台帐;⑵安全隐患排查治理记录和台帐;⑶安全生产培训记录、档案和台帐;⑷下井人员出进入井记录台帐;⑸安全费用提取与使用台帐;⑹矿井主要通风运转记录和台帐;⑺矿井测风记录和台帐;⑻瓦斯检查、监测记录和台帐;⑼机电设备设施管理台帐;⑽矿井防治水基础台帐;⑾矿井地质测量、储量管理台帐;⑿安全生调度记录台帐;⒀安全质量标准化动态检查记录和台帐;⒁伤亡及非伤亡事故统计台帐;⒂法定代表人和管理人员下井带班记录和台帐;⒃爆炸材料贮存与使用记录台帐;⒄职业卫生健康检查记录台帐;⒅“三违”帮助教育和人员处理记录台帐;⒆其他应当建立的记录台帐。2缺一项扣1分,无记录扣分1分/1次。4规程措施管理⑴建立健全各工种《操作规程》;⑵有作业规程和安全技术措施;⑶作业规程和安全技术措施必须是单头单面;⑷施工人员要学习措施,并考核签字。2①缺工程《操作规程》扣1.1分/个;②抽查两个队正在施工或即将接替头面的作业规程和安全技术措施的贯彻情况,未贯彻,扣1分/个,缺学习和考试(考核)签字记录,扣0.1分/人。序号项目考核标准标准分检查评分办法检查得分5安全会议和安全生产预警预报⑴编制安全工作年度、月度计划;⑵及时进行月度安全生产工作总结。①矿长每月至少持召开1次安全办公会和防重办公会,并形成会议记录,按“五定”原则(定项目、定措施、定资金、定责任人、定时间)认真落实整改安全方面的问题;②建立完善安全生产动态监控及预警预报体系,每月进行一次安全生产风险分析;③能对事故征兆及时发布预警信息,迅速落实防范和处置措施。3①未按月召开扣1分/次;非矿长主持召开扣0.5分/次;②未按“五定”原则整改落实安全方面的问题,1次扣1分;③无预警预报体系不得分;④在次月5日前,未进行月度安全生产风险分析,每缺一次扣0.5分。6安全例会矿长每周至少主持召开1次矿长安全办公会和防重办公会,研究与部署安全工作,形成会议纪要。1查资料(相关文件),未按周召开扣1分/次,非矿长主持召开扣0.5分/次。7贯彻落实对上级相关部门的监察监管指令和规定、安全会议决定、安全隐患整改通知书、事故通报、调度指令、规程措施等认真贯彻落实。2查资料,未贯彻或无记录可查,扣1分/次,应贯彻范围每差1人次扣0.1分,查资料,现场检查,规程措施未落实扣0.1分/项。8安全信息建立安全管理信息系统,安全隐患记录、查询、跟踪处理,结果反馈等过程跟踪管理计算机化、网络化。1现场检查,未建立信息系统不得分,信息系统不能正常运行扣0.5分,安全隐患登录时间延迟1个班,扣0.2分/次。9三违管理⑴建立“三违”人员处理登记台帐;⑵建立“三违”人员帮教记录台帐.3①缺“三违”人员处理登记如帐,不得分,漏登记扣0.1分/人次;②“三违”人员帮教记录扣1分,未进行帮教扣0.1分/人次二安全投入5⑴按规定提取安全费用,并专款专用;⑵煤矿每年用于安全的投入不得小于10~15元/吨。检查...

1、当您付费下载文档后,您只拥有了使用权限,并不意味着购买了版权,文档只能用于自身使用,不得用于其他商业用途(如 [转卖]进行直接盈利或[编辑后售卖]进行间接盈利)。
2、本站所有内容均由合作方或网友上传,本站不对文档的完整性、权威性及其观点立场正确性做任何保证或承诺!文档内容仅供研究参考,付费前请自行鉴别。
3、如文档内容存在违规,或者侵犯商业秘密、侵犯著作权等,请点击“违规举报”。

碎片内容

重庆市煤矿安全质量标准化标准及考核评级办法

确认删除?
VIP
微信客服
  • 扫码咨询
会员Q群
  • 会员专属群点击这里加入QQ群
客服邮箱
回到顶部