电脑桌面
添加小米粒文库到电脑桌面
安装后可以在桌面快捷访问

郑州市人防工程质量验收与评价标准--五类附表VIP免费

郑州市人防工程质量验收与评价标准--五类附表_第1页
1/84
郑州市人防工程质量验收与评价标准--五类附表_第2页
2/84
郑州市人防工程质量验收与评价标准--五类附表_第3页
3/84
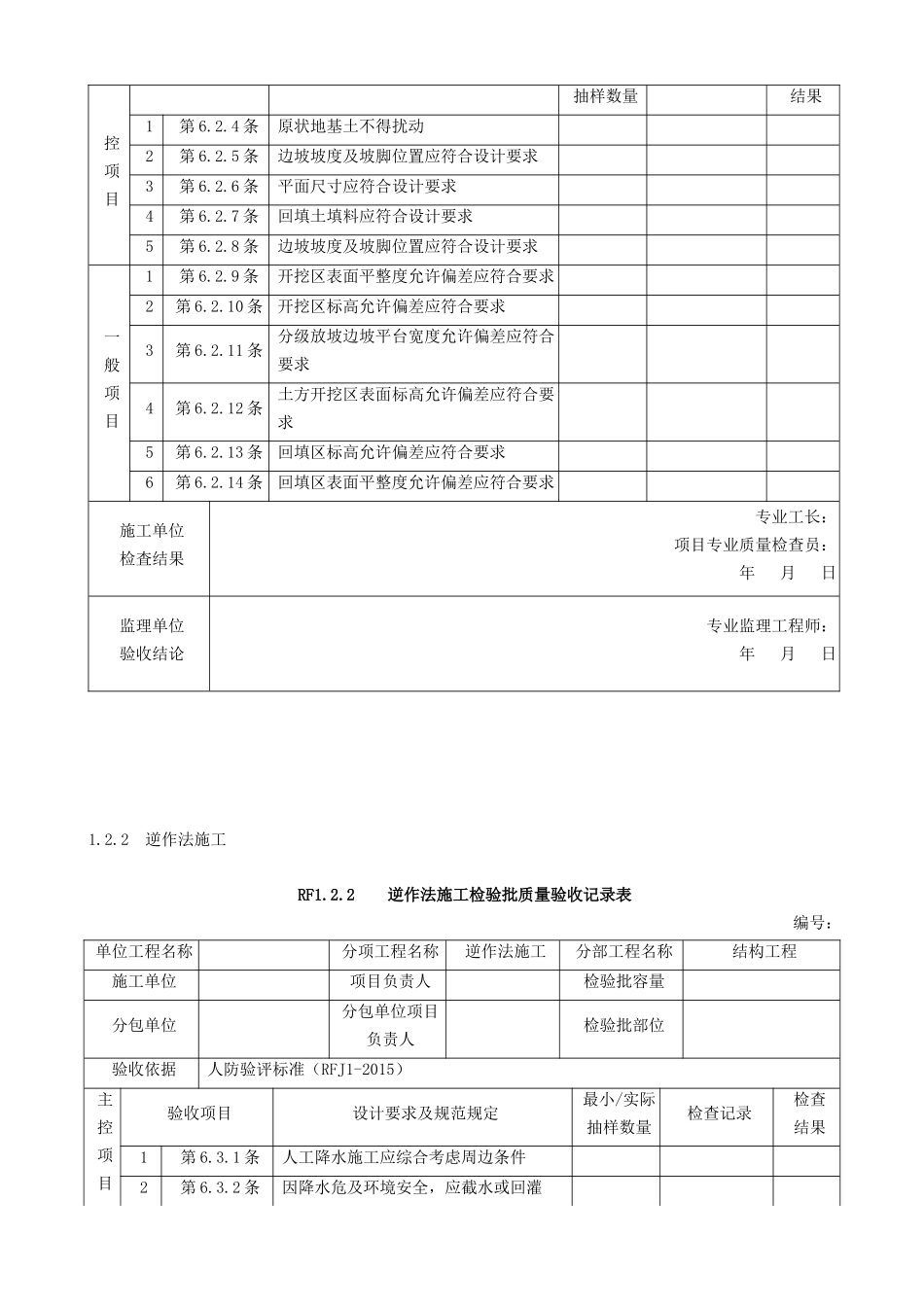
《人民防空工程质量验收与评价标准》(RFJ01-2015)人防工程质量验收与评价记录表第一章工程质量验收1.1施工现场质量管理检查记录1.1.1施工现场质量管理检查记录RF1.1.1施工现场质量管理检查记录表开工日期:工程名称施工许可证(开工证)建设单位项目负责人设计单位项目负责人监理单位总监理工程师施工单位项目负责人项目技术负责人序号项目主要内容1项目部质量管理体系2现场质量责任制3主要专业工种操作岗位证书4分包单位管理制度5图纸会审记录6地质勘察资料7施工组织设计、施工方案编制及审批8施工技术标准9物资采购管理制度10施工设施和机械设备管理制度11计量设备配置12检测试验管理制度13工程质量检查验收制度14自检结果:施工单位项目负责人:年月日检查结论:总监理工程师:年月日1.2结构工程检验批验收记录1.2.1土方工程RF1.2.1土方工程检验批质量验收记录表编号:单位工程名称分项工程名称土方工程分部工程名称结构工程施工单位项目负责人检验批容量分包单位分包单位项目负责人检验批部位验收依据人防验评标准(RFJ1-2015)主验收项目设计要求及规范规定最小/实际检查记录检查控项目抽样数量结果1第6.2.4条原状地基土不得扰动2第6.2.5条边坡坡度及坡脚位置应符合设计要求3第6.2.6条平面尺寸应符合设计要求4第6.2.7条回填土填料应符合设计要求5第6.2.8条边坡坡度及坡脚位置应符合设计要求一般项目1第6.2.9条开挖区表面平整度允许偏差应符合要求2第6.2.10条开挖区标高允许偏差应符合要求3第6.2.11条分级放坡边坡平台宽度允许偏差应符合要求4第6.2.12条土方开挖区表面标高允许偏差应符合要求5第6.2.13条回填区标高允许偏差应符合要求6第6.2.14条回填区表面平整度允许偏差应符合要求施工单位检査结果专业工长:项目专业质量检查员:年月日监理单位验收结论专业监理工程师:年月日1.2.2逆作法施工RF1.2.2逆作法施工检验批质量验收记录表编号:单位工程名称分项工程名称逆作法施工分部工程名称结构工程施工单位项目负责人检验批容量分包单位分包单位项目负责人检验批部位验收依据人防验评标准(RFJ1-2015)主控项目验收项目设计要求及规范规定最小/实际抽样数量检查记录检查结果1第6.3.1条人工降水施工应综合考虑周边条件2第6.3.2条因降水危及环境安全,应截水或回灌3第6.3.3条编制土方开挖的施工方案4第6.3.4条根据工程量计算确定竖井数量5第6.3.5条根据实际情况设置足够的通风口及相关设备6第6.3.6条梁、板下挖出的土不得堆放在顶板上和基坑周边7第6.3.7条地下水位应降至开挖面0.5m以下8第6.3.8条土方运输规定一般项目1第6.3.9条土方开挖、土方运输应符合相关规定2第6.3.10条土方开挖应符合规定3第6.3.11条地下连续墙单元槽段长度控制在4m~8m4第6.3.12条确定施工工艺流程和槽段长度等技术参数5第6.3.13条排桩宜采取间隔法施工6第6.3.14条混凝土灌注不得出现混凝土离析现象7第6.3.15条钢筋骨架的吊装就位宜利用钻机的起重设备进行8第6.3.16条刹肩设置及刹肩混凝土浇筑应符合要求9第6.3.17条通长过梁设置及安装应符合相关规定10第6.3.18条灌注砂层应符合规定11第6.3.19条逆作法施工现场监测主要对象12第6.3.20条现场监测主要内容施工单位检査结果专业工长:项目专业质量检查员:年月日监理单位验收结论专业监理工程师:年月日1.2.3模板工程RF1.2.3模板工程检验批质量验收记录表编号:单位工程名称分项工程名称模板工程分部工程名称结构工程施工单位项目负责人检验批容量分包单位分包单位项目负责人检验批部位验收依据人防验评标准(RFJ1-2015)主控项目验收项目设计要求及规范规定最小/实际抽样数量检查记录检查结果1第6.4.1条模板及其支架应有足够的强度、刚度和稳定性2第6.4.2条固定模板的对拉螺栓上严禁采用套管、混凝土预制件等3第6.4.3条混凝土强度应符合设计要求及相关规定一般项目1第6.4.4条模板安装应符合规定2第6.4.5条预埋件、预留孔和预留洞安装及允许偏差应符合规定3第6.4.6条现浇结构模板安装允许偏差应符合规定施工单位检査结果专业工长:项目专业质量检查员:年月日监理单位验收结论专业监理工程师:年月日1.2.4钢筋工程RF1.2.4钢筋工程检验批质量验收记录表编号...

1、当您付费下载文档后,您只拥有了使用权限,并不意味着购买了版权,文档只能用于自身使用,不得用于其他商业用途(如 [转卖]进行直接盈利或[编辑后售卖]进行间接盈利)。
2、本站所有内容均由合作方或网友上传,本站不对文档的完整性、权威性及其观点立场正确性做任何保证或承诺!文档内容仅供研究参考,付费前请自行鉴别。
3、如文档内容存在违规,或者侵犯商业秘密、侵犯著作权等,请点击“违规举报”。

碎片内容

郑州市人防工程质量验收与评价标准--五类附表

您可能关注的文档

书海行舟+ 关注
实名认证
内容提供者

热爱教学事业,对互联网知识分享很感兴趣

确认删除?
VIP
微信客服
  • 扫码咨询
会员Q群
  • 会员专属群点击这里加入QQ群
客服邮箱
回到顶部