电脑桌面
添加小米粒文库到电脑桌面
安装后可以在桌面快捷访问

福建省XXXX年高职单招第一轮质检会计试卷答案VIP免费

福建省XXXX年高职单招第一轮质检会计试卷答案_第1页
1/6
福建省XXXX年高职单招第一轮质检会计试卷答案_第2页
2/6
福建省XXXX年高职单招第一轮质检会计试卷答案_第3页
3/6
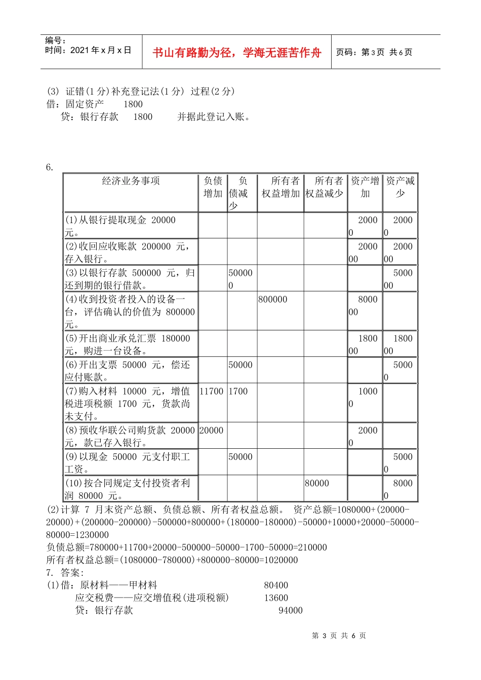
第1页共6页编号:时间:2021年x月x日书山有路勤为径,学海无涯苦作舟页码:第1页共6页模拟试卷答案一、单项选择题(下列各题,只有一个符合题意的正确答案,本类题共60分,每小题2分。不选、错选或多选,本小题均不得分)1.A2.B3.D4.B5.A6.B7.A8.B9.A10、C11.D12.A13.A14.A15.A16.A17.C18.D19.A20、B21.A22.A23.C24.D25.B26.27.C28.A29.A30.C二、多项选择题(下列各题,有两个或两个以上符合题意的正确答案,本类题共42分,每小题2分。不选、错选或多选,本小题均不得分;少选,每选对一个正确答案得0、5分,但本小题最多得1.5分。)1.ABC2.BCD3.AC4.ABC5.ABC6.ABD7.AB8.ABD9.BD10、AC11.ABC12.BD13.BCD14.ABCD15.AB16.ABCD17.AC18.ABCD19.ABD20、BCD21.AB22.23.24.25.26.27.28.29.30、三、判断题(在每小题的括号里填入判断结果,你认为正确的“√”表示,错误的用“×”表示。本类题共48分,每小题2分。判断正确的得分,判断错误及不作判断的,不得分也不扣分。)1.√2.×3.×4.√5.×6.×7.×8.×9.×10、×11.×12.×13.×14.×15.×16.√17.×18.×19.×20、×21.√22.×23.×24.×四、实务题(有计算要求的,均须列出计算过程。本类题共150分,第1.2.3小题每小题6分,第4小题10分,第5小题12分,第6小题14分,第7小题70分,第8小题8分,第9小题4分,第10小题14分。)1.(1)运杂费的分配率=550/11000=0.05甲材料承担的运杂费=4000*0.05=200乙材料承担的运杂费=2000*0.05=100丙种料承担的运杂费=5000*0.05=250(2)制造费用分配率=12000/(11000+9000)=0.6A产品承担的制造费用=11000*0.6=6600B承担的制造费用=9000*0.6=54002.借款单2008年3月23日No08517借款单位:采购部借款理由:外出采购商品借款数额:人民币(大写)捌仟元整¥8000.00本单位负责人意见:借款人:李长生会计主管核批:付款方式:出纳:3.答案:第2页共6页第1页共6页编号:时间:2021年x月x日书山有路勤为径,学海无涯苦作舟页码:第2页共6页4.总账:原材料期初余额480000本期发生额(690000)本期发生额860000期末余额310000明细分类账户:原材料---A材料期初余额176000本期发生额320000本期发生额(366000)期末余额(130000)原材料---C材料期初余额115000本期发生额(157000)本期发生额(196000)期末余额760005.(1)账错(1分),划线更正法(1分)过程(2分)银行存款22,40024,000(红笔)(2)证错(1分)红字更正法(1分)过程(2分)借:银行存款990,000(红笔)贷:短期借款990,000(红笔)并据此用红笔登记入账。×××原材料---B材料期初余额(189000)本期发生额213000本期发生额298000期末余额(104000)第3页共6页第2页共6页编号:时间:2021年x月x日书山有路勤为径,学海无涯苦作舟页码:第3页共6页(3)证错(1分)补充登记法(1分)过程(2分)借:固定资产1800贷:银行存款1800并据此登记入账。6.经济业务事项负债增加负债减少所有者权益增加所有者权益减少资产增加资产减少(1)从银行提取现金20000元。2000020000(2)收回应收账款200000元,存入银行。200000200000(3)以银行存款500000元,归还到期的银行借款。500000500000(4)收到投资者投入的设备一台,评估确认的价值为800000元。800000800000(5)开出商业承兑汇票180000元,购进一台设备。180000180000(6)开出支票50000元,偿还应付账款。5000050000(7)购入材料10000元,增值税进项税额1700元,货款尚未支付。11700170010000(8)预收华联公司购货款20000元,款已存入银行。2000020000(9)以现金50000元支付职工工资。5000050000(10)按合同规定支付投资者利润80000元。8000080000(2)计算7月末资产总额、负债总额、所有者权益总额。资产总额=1080000+(20000-20000)+(200000-200000)-500000+800000+(180000-180000)-50000+10000+20000-50000-80000=1230000负债总额=780000+11700+20000-500000-50000-1700-50000=210000所有者权益总额=(1080000-780000)+800000-80000=10200007.答案:(1)借:原材料——甲材料80400应交税费——应交增值税(进项税额)13600贷:银行存款94000第4页共6页第3页共6页编号:时间:2021年x月x日书山有路勤为径,学海无涯苦作舟页码:第4页共6页(2)借:固定资...

1、当您付费下载文档后,您只拥有了使用权限,并不意味着购买了版权,文档只能用于自身使用,不得用于其他商业用途(如 [转卖]进行直接盈利或[编辑后售卖]进行间接盈利)。
2、本站所有内容均由合作方或网友上传,本站不对文档的完整性、权威性及其观点立场正确性做任何保证或承诺!文档内容仅供研究参考,付费前请自行鉴别。
3、如文档内容存在违规,或者侵犯商业秘密、侵犯著作权等,请点击“违规举报”。

碎片内容

福建省XXXX年高职单招第一轮质检会计试卷答案

中小学资料+ 关注
实名认证
内容提供者

精美课件,值得下载

确认删除?
VIP
微信客服
  • 扫码咨询
会员Q群
  • 会员专属群点击这里加入QQ群
客服邮箱
回到顶部