电脑桌面
添加小米粒文库到电脑桌面
安装后可以在桌面快捷访问

成本会计作业4答案VIP免费

成本会计作业4答案_第1页
1/4
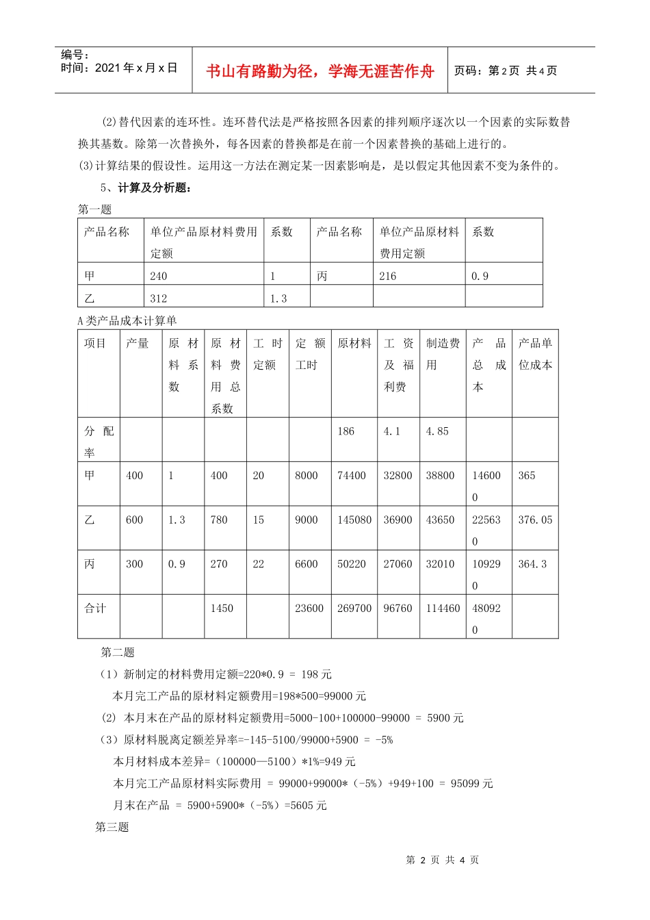
成本会计作业4答案_第2页
2/4
成本会计作业4答案_第3页
3/4
第1页共4页编号:时间:2021年x月x日书山有路勤为径,学海无涯苦作舟页码:第1页共4页第四次作业讲评同学们好:我将批改作业情况反馈给您,请阅读。单选题请在作业答案的后面注明所依据的知识点和教材的出处,在此给出答案,本次讲评对简答题和计算题进行重点反馈。1、单选题:1—5CCDAB6—10DACAD2、多选题:1—5ABCABCABCDCDEACE6—10ABCABCEABEACDABD3、判断题:1—5╳√√√╳6—10╳╳╳╳╳4、简答题:第一题定额法适用的条件是:定额管理制度比较健全,定额管理工作基础较好,产品生产已定型,各项消耗定额比较准确、稳定的企业。(2)主要特点:事前制定产品的消耗定额、费用定额和定额成本作为降低成本的目标;在生产费用发生的当时,就将符合定额的费用和发生的差异分别核算,以加强成本差异的日常核算、分析和控制;月末,在定额成本的基础上,加减各种成本差异,计算产品的实际成本,并为成本的定期考核和分析提供数据。第二题连环替代法的分析程序为:(1)分解指标因素并确定因素的排列顺序将影响某项经济指标完成情况的因素,按其内在依存关系,分解其构成因素,并按一定的顺序排列这些因素。(2)逐次替代因素每次将其中一个因素由基期数替换成分析期数,其他因素暂时不变。每个因素替换为分析期数后不再返回为基期数。后面因素的替换均是在前面因素已经替换成分析期数的基础上进行的。如此类推,有几个因素需要替换几次,逐一逐一地替换。(3)确定影响结果每个因素替换以后,均会得出一个综合指标的结果,将每个因素替换以后的结果与替换以前的结果相减,即可得出该替换因素变动对综合指标的影响数额。(4)汇总影响结果将已计算出来的各因素的影响额汇总相加与综合指标变动的总差异比较,确定其计算的正确性。连环替代法的的特点是:(1)连环替代的顺序性。第2页共4页第1页共4页编号:时间:2021年x月x日书山有路勤为径,学海无涯苦作舟页码:第2页共4页(2)替代因素的连环性。连环替代法是严格按照各因素的排列顺序逐次以一个因素的实际数替换其基数。除第一次替换外,每各因素的替换都是在前一个因素替换的基础上进行的。(3)计算结果的假设性。运用这一方法在测定某一因素影响是,是以假定其他因素不变为条件的。5、计算及分析题:第一题产品名称单位产品原材料费用定额系数产品名称单位产品原材料费用定额系数甲2401丙2160.9乙3121.3A类产品成本计算单项目产量原材料系数原材料费用总系数工时定额定额工时原材料工资及福利费制造费用产品总成本产品单位成本分配率1864.14.85甲4001400208000744003280038800146000365乙6001.37801590001450803690043650225630376.05丙3000.9270226600502202706032010109290364.3合计14502360026970096760114460480920第二题(1)新制定的材料费用定额=220*0.9=198元本月完工产品的原材料定额费用=198*500=99000元(2)本月末在产品的原材料定额费用=5000-100+100000-99000=5900元(3)原材料脱离定额差异率=-145-5100/99000+5900=-5%本月材料成本差异=(100000—5100)*1%=949元本月完工产品原材料实际费用=99000+99000*(-5%)+949+100=95099元月末在产品=5900+5900*(-5%)=5605元第三题第3页共4页第2页共4页编号:时间:2021年x月x日书山有路勤为径,学海无涯苦作舟页码:第3页共4页产品名称计量单位实际产量单位成本总成本上年实际平均本年计划本期实际按上年实际平均单位成本计算按本年计划单位成本计算本期实际可比产品合计525005045049450甲件30700690680210002070020400乙件35900850830315002975029050不可比产品合计80009200丙件2040046080009200全部产品525005845058650(2)全部产品生产成本降低额=58650—58450=200元(超支)降低率=200/58450=0.34%(超支)(3)产值成本率=58650/102000*100=57.5元/百元以上计算表明:本月全部产品实际总成本虽然比计划超支,但本月商品产值也大,从产品成本率分析看,企业本月生产耗费的经济效益不错。总成本超支是由于丙产品(不可比产品)成本超支所致,可比产品甲与乙成本都是降低的.应对丙产品超支,甲、乙产品节约进行进一步分析,寻找原因。第四题直接人工费用计划数=15*2=30...

1、当您付费下载文档后,您只拥有了使用权限,并不意味着购买了版权,文档只能用于自身使用,不得用于其他商业用途(如 [转卖]进行直接盈利或[编辑后售卖]进行间接盈利)。
2、本站所有内容均由合作方或网友上传,本站不对文档的完整性、权威性及其观点立场正确性做任何保证或承诺!文档内容仅供研究参考,付费前请自行鉴别。
3、如文档内容存在违规,或者侵犯商业秘密、侵犯著作权等,请点击“违规举报”。

碎片内容

成本会计作业4答案

中小学资料+ 关注
实名认证
内容提供者

精美课件,值得下载

确认删除?
VIP
微信客服
  • 扫码咨询
会员Q群
  • 会员专属群点击这里加入QQ群
客服邮箱
回到顶部