电脑桌面
添加小米粒文库到电脑桌面
安装后可以在桌面快捷访问

工程力学复习题专升本VIP免费

工程力学复习题专升本_第1页
1/9
工程力学复习题专升本_第2页
2/9
工程力学复习题专升本_第3页
3/9
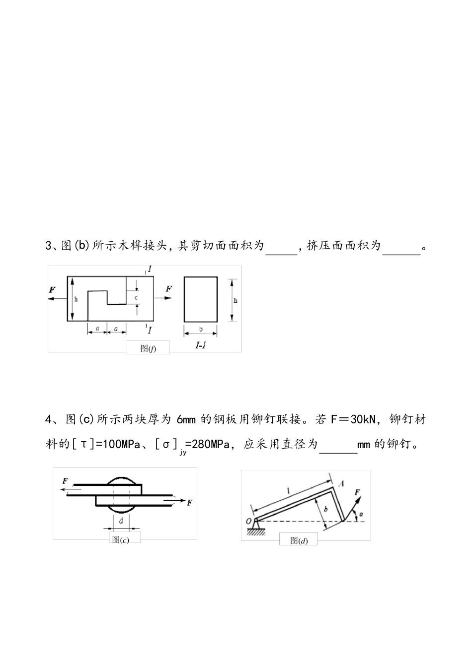
《工程力学》复习题(专升本)一、选择题1、求图(a)所示阶梯状直杆中,横截面面积分别为A1=200mm,A2=300mm,A3=400mm,其中横截面的正应力绝对值最大的是。(A)1-1(B)2-2(C)3-3(D)无法确定2、如图(b)所示轴的最大扭矩值是。(A)Me(B)2Me(C)3Me(D)4Me3、如图(c)所示,杆AB和CD均为刚性杆,杆①②的抗拉压刚度分别为E1A1、E2A2,且E1A1≠E2A2,则下列说法中正确的是。(A)杆①为拉杆,杆②为压杆(B)杆①为压杆,杆②为拉杆(C)杆①杆②所受的力相等(D)以上说法均不正确4、如图(a)所示轴的最大扭矩值是kN·m。(A)3(B)4(C)7(D)10图(a)图(a)图(b)图(c)①②2225、一桥墩高10m,横截面尺寸如图(b)所示。若荷载F=1000kN,材料的密度ρ=2.35×10kg/m,则墩身底部横截面上的压应力大小为MPa。33(A)0.28(B)0.30(C)0.32(D)0.346、下列说法中正确的是。(A)由于约束反力通常随着主动力的变化而变化,所以约束反力的方向是不可能确定的。(B)平面弯曲中梁的横截面上不可能只有剪力没有弯矩。(C)偏心压缩中杆件的横截面上的内力分量可能有剪力、弯矩和轴力。(D)在同种材料制成的理想压杆中,柔度越大的杆件,临界力也越大。二、填空题1、图(d)所示系统中力F在水平方向的投影X为,对O点的矩为。2、图(e)所示桁架中是零杆的是。图(d)图(e)3、图(b)所示木榫接头,其剪切面面积为,挤压面面积为。4、图(c)所示两块厚为6mm的钢板用铆钉联接。若F=30kN,铆钉材料的[τ]=100MPa、[σ]jy=280MPa,应采用直径为mm的铆钉。图(c)图(d)图(f)5、图(d)所示系统中力F在水平方向的投影Y为,对O点的矩为。6、图(e)所示桁架中不是零杆的是。三、作图题作图(g)所示梁的剪力图和弯矩图。三、作图题作图(f)所示梁的剪力图和弯矩图。图(g)图(e)图(f)四、计算题1、承重框架如图(h)所示,A、D、E均为铰链,各杆件和滑轮的重量不计。试求A、D、E点的约束力。2、图(i)所示结构,AB为刚性杆,CD为钢制斜拉杆,杆CD的横截面面积A=100mm,弹性模量E=200GPa。载荷F1=5kN,F2=10kN,试求:1)2图(h)杆CD的伸长量Δl;2)点B的垂直位移ΔB。图(i)3、图(i)示矩形截面杆AC与圆形截面杆CD均用低碳钢制成,C,D两处均为球铰,材料的弹性模量E=200GPa,强度极σb=400MPa,屈服极限σs=240MPa,比例极限σp=200MPa,直线公式系数a=304MPa,b=1.12MPa。λp=100,λ0=61,强度安全因数[n]=2.0,稳定安全因数[n]st=3.0,试确定结构的最大许可载荷F。4、试求图(g)所示构架中两固定铰链A、B和铰链C的约束反力。图(g)5、图(h)所示结构中,BC=2m,AC、BC均为圆截面钢杆,直径分别为d1=20mm,d2=40mm,许用应力[σ]=170MPa,弹性模量E=200GPa,稳定安全系数nst=2.8,试确定结构的许用荷载。F图(h)6、图(i)示工字形截面梁AB,截面的惯性矩Iz=72.56×10m,许用应力[σ]=170MPa,求固定端截面翼缘和腹板交界处点a的正应力64并校核梁的正应力强度。一、选择题、1、C2、B3、A4、A5、D6、B参考答案图(j)(i)图二、填空题1、Fcosα;Fb2l2sin2、2、2、3、7、83、ab;bc4、1、205、Fsinα;Fb2l2sin6、3、7、12、16三、作图题略四、计算题略

1、当您付费下载文档后,您只拥有了使用权限,并不意味着购买了版权,文档只能用于自身使用,不得用于其他商业用途(如 [转卖]进行直接盈利或[编辑后售卖]进行间接盈利)。
2、本站所有内容均由合作方或网友上传,本站不对文档的完整性、权威性及其观点立场正确性做任何保证或承诺!文档内容仅供研究参考,付费前请自行鉴别。
3、如文档内容存在违规,或者侵犯商业秘密、侵犯著作权等,请点击“违规举报”。

碎片内容

工程力学复习题专升本

您可能关注的文档

确认删除?
VIP
微信客服
  • 扫码咨询
会员Q群
  • 会员专属群点击这里加入QQ群
客服邮箱
回到顶部