电脑桌面
添加小米粒文库到电脑桌面
安装后可以在桌面快捷访问

质量管理工作细化执行与模板VIP免费

质量管理工作细化执行与模板_第1页
1/80
质量管理工作细化执行与模板_第2页
2/80
质量管理工作细化执行与模板_第3页
3/80
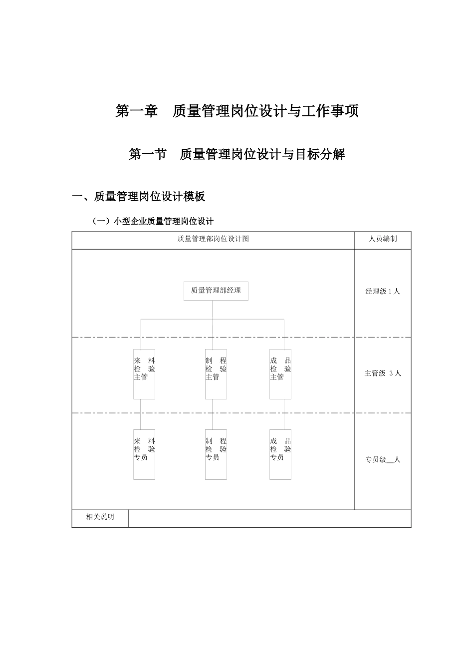
质量管理工作细化执行与模板北京目录第一章质量管理岗位设计与工作事项.....................................................................................16第一节质量管理岗位设计与目标分解.............................................................................16一、质量管理岗位设计模板.........................................................................................16二、质量管理部门目标分解.........................................................................................18第二节质量管理部各岗位工作事项.................................................................................20一、质量管理岗位工作明细.........................................................................................20二、进料管理岗位工作明细.........................................................................................22三、制程管理岗位工作明细.........................................................................................24四、成品管理岗位工作明细.........................................................................................25五、服务质量岗位工作明细.........................................................................................26第二章质量目标与计划细化执行与模板.................................................................................28第一节质量目标管理流程与工作执行.............................................................................28一、质量管理目标确定流程.........................................................................................28二、质量目标确定执行工具与模板.............................................................................29第二节质量管理计划流程与工作执行.............................................................................30第三章采购质量管理细化执行与模板.....................................................................................31第一节采购检验流程与工作执行.....................................................................................31一、采购检验流程.........................................................................................................31二、采购检验执行工具与模板.....................................................................................32第二节供应商管理流程与工作执行.................................................................................35第四章制程质量管理细化执行与模板.....................................................................................39第一节制程管理流程与工作执行.....................................................................................39一、制程检验流程.........................................................................................................39二、制程检验执行工具与模板.....................................................................................41第二节工序管理流程与工作执行.....................................................................................44第五章产品质量管理细化执行与模板.....................................................................................45第一节成品检验流程与工作执行.....................................................................................45一、成品检验流程.........................................................................................................45二、成品检验执行工具与模板.....................................

1、当您付费下载文档后,您只拥有了使用权限,并不意味着购买了版权,文档只能用于自身使用,不得用于其他商业用途(如 [转卖]进行直接盈利或[编辑后售卖]进行间接盈利)。
2、本站所有内容均由合作方或网友上传,本站不对文档的完整性、权威性及其观点立场正确性做任何保证或承诺!文档内容仅供研究参考,付费前请自行鉴别。
3、如文档内容存在违规,或者侵犯商业秘密、侵犯著作权等,请点击“违规举报”。

碎片内容

质量管理工作细化执行与模板

书海行舟+ 关注
实名认证
内容提供者

热爱教学事业,对互联网知识分享很感兴趣

确认删除?
VIP
微信客服
  • 扫码咨询
会员Q群
  • 会员专属群点击这里加入QQ群
客服邮箱
回到顶部