电脑桌面
添加小米粒文库到电脑桌面
安装后可以在桌面快捷访问

主体结构检验批质量验收记录VIP免费

主体结构检验批质量验收记录_第1页
1/61
主体结构检验批质量验收记录_第2页
2/61
主体结构检验批质量验收记录_第3页
3/61
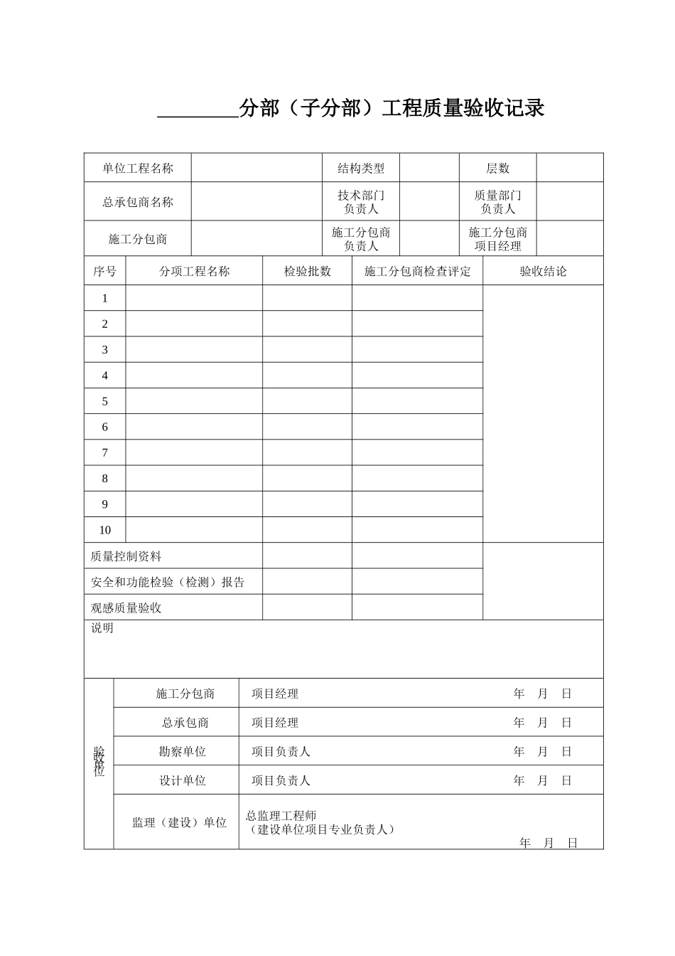
分部(子分部)工程质量验收记录单位工程名称结构类型层数总承包商名称技术部门负责人质量部门负责人施工分包商施工分包商负责人施工分包商项目经理序号分项工程名称检验批数施工分包商检查评定验收结论12345678910质量控制资料安全和功能检验(检测)报告观感质量验收说明验收单位施工分包商项目经理年月日总承包商项目经理年月日勘察单位项目负责人年月日设计单位项目负责人年月日监理(建设)单位总监理工程师(建设单位项目专业负责人)年月日表F.0.1-1主体结构分部工程质量控制资料核查记录表F.0.1-2-2单位工程名称包括的子分部(分项)工程名称施工分包商项目技术负责人序号资料名称份数核查意见核查人1施工图纸会审、设计变更、洽商记录2工程分层放线、测量记录3原材料、半成品出厂质量证明文件及进场检验报告4砂浆,混凝土配合比通知单5砂浆,混凝土强度试验报告及其它施工试验报告及见证检测报告6钢筋接头的试验报告7施工组织设计(施工方案),技术交底8装配式结构预构件的合格证及安装验收记录9预应力筋用锚具、连接器的合格证及进厂复验报告10预应力筋安装、张拉及灌注记录11混凝土实体结构检验记录12焊接工艺文件和烘焙记录13焊工合格证及施焊范围14焊缝超声波探伤或射线探伤检测报告15各项木材含水率测定报告16胶缝完整性、胶缝脱胶、胶缝拉剪强度试验报告17层板接长指接、圈钉、胶合板等弯曲试验报告18隐蔽工程主录19沉降观测记录20检验批,分项,分部(子部分)验收记录21工程质量事故及事故调查处理资料22其他必要的文件和记录2324验收结论施工分包商项目经理:施工分包商部门技术负责人:年月日检查结论总承包商项目经理:技术负责人:年月日验收结论总监理工程师:(建设单位项目专业技术负责人)年月日主体结构分部工程安全和功能检验和抽样检测记录表F.0.1-3-2主体结构分部工程观感检查记录单位工程名称包括的子分部(分项)工程名称施工分包商项目技术负责人序号安全和功能检查项目份数检验结果抽样检测结果核查(抽查人)1建筑物垂直度、标高、全高测量记录2抽气(风)道检查记录3建筑物沉降观测记录4预制构件结构性能检验报告5结构实体检验同条件养护试件强度检验记录6结构实体钢筋保护层厚度检验记录7钢筋接头检测报告8结构裂缝检测报告9高强度螺栓预拉力、扭矩系数、摩擦面抗华裔系数复验报告10高强度螺栓终拧扭矩、梅花头检查报告11网架节点承载力试验报告12焊缝超声波及射线探伤报告检查结论施工分包商项目经理:施工分包商技术质量部门负责人:年月日检查结论总承包商项目经理:技术负责人:年月日验收结论总监理工程师:(建设单位项目专业技术负责人)年月日表F.0.1-4-2单位工程名称包括的子分部(分项)工程名称施工分包商项目技术负责人序号项目施工分包商自评验收检查记录验收质量评价好一般差好一般差1梁、板2柱3外墙4内墙5楼梯、踏步6风道、垃圾道7全高大角顺直8沿口腰线9节点构造10木屋架11钢屋架12网架13压型金属板14变形缝15后浇带观感质量综合评价检查结论施工分包商项目经理:施工分包商质量部门技术负责人:年月日检查结论总承包商项目经理:技术负责人:年月日验收结论总监理工程师:(建设单位项目专业技术负责人)年月日混凝土结构子分部工程结构实体混凝土强度检验记录0201-1注:1同表中强度等级数量应根据实际情况确定;2同条件养护试件的取样、留置、养护和强度代表值的确定应符合规范10.1节和附录的规定;3表中与某一强度等级对应的试件强度代表值,上一行填写根据GBJ107确定的数值,下一行填写乘以折算系数后的数值;4表中对每一强度等级可填写10组试件的强度代表值,试件的具体组数就根据实际情况确定;工程名称结构类型强度等级数量施工分包商项目经理项目技术负责人强度等级试件强度代表值(MPa)强度评定结果监理(建设)单位验收结论施工分包商检查结论项目专业技术负责人年月日总承包商检查结论专业技术负责人年月日验收结论监理工程师(建设单位项目专业技术负责人)年月日5同条件养护试件的留置组数、取样部位、放置位置、等效养护龄期、实际养护龄期和相应的温度测量等记录和资料应作为本表的附件。混凝土结构子分部工...

1、当您付费下载文档后,您只拥有了使用权限,并不意味着购买了版权,文档只能用于自身使用,不得用于其他商业用途(如 [转卖]进行直接盈利或[编辑后售卖]进行间接盈利)。
2、本站所有内容均由合作方或网友上传,本站不对文档的完整性、权威性及其观点立场正确性做任何保证或承诺!文档内容仅供研究参考,付费前请自行鉴别。
3、如文档内容存在违规,或者侵犯商业秘密、侵犯著作权等,请点击“违规举报”。

碎片内容

主体结构检验批质量验收记录

书海行舟+ 关注
实名认证
内容提供者

热爱教学事业,对互联网知识分享很感兴趣

确认删除?
VIP
微信客服
  • 扫码咨询
会员Q群
  • 会员专属群点击这里加入QQ群
客服邮箱
回到顶部