电脑桌面
添加小米粒文库到电脑桌面
安装后可以在桌面快捷访问

质量标准化验收表空表VIP免费

质量标准化验收表空表_第1页
1/82
质量标准化验收表空表_第2页
2/82
质量标准化验收表空表_第3页
3/82
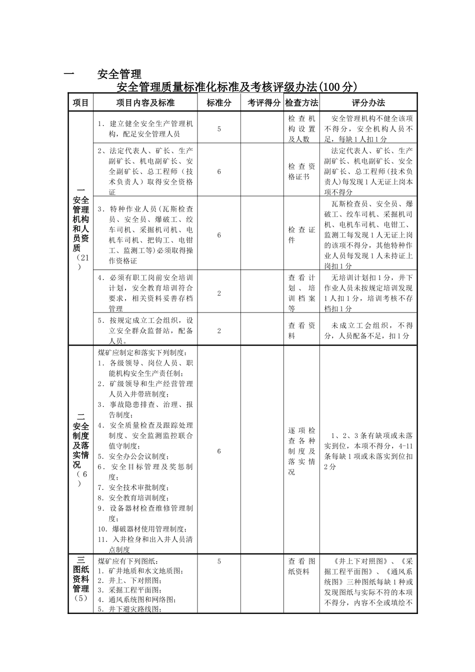
黔西县岩脚煤矿安全质量标准化验收情况二零一二年月日一安全管理安全管理质量标准化标准及考核评级办法(100分)项目项目内容及标准标准分考评得分检查方法评分办法一安全管理机构和人员资质(21)1.建立健全安全生产管理机构,配足安全管理人员5检查机构设置及人数安全管理机构不健全该项不得分,安全机构人员不足,每缺1人扣1分2、法定代表人、矿长、生产副矿长、机电副矿长、安全副矿长、总工程师(技术负责人)取得安全资格证6检查资格证书法定代表人、矿长、生产副矿长、机电副矿长、安全副矿长、总工程师(技术负责人)每发现1人无证上岗本项不得分3.特种作业人员(瓦斯检查员、安全员、爆破工、绞车司机、采掘机司机、电机车司机、把钩工、电钳工、监测工等)必须取得操作资格证6检查证件瓦斯检查员、安全员、爆破工、绞车司机、采掘机司机、电机车司机、电钳工、监测工每发现1人无证上岗的该项不得分,其他特种作业人员每发现1人未持证上岗扣1分4.必须有职工岗前安全培训计划,安全教育培训符合要求,相关资料妥善存档管理2查看计划、培训档案等无培训计划扣1分,井下作业人员未按规定培训发现1人扣1分,培训考核不存档扣1分5.按规定成立工会组织,设立安全群众监督站,配备人员。2查看资料未成立工会组织,不得分,人员配备不足,扣1分二安全制度及落实情况(6)煤矿应制定和落实下列制度:1.各级领导、岗位人员、职能机构安全生产责任制;2.矿级领导和生产经营管理人员入井带班制度;3.事故隐患排查、治理、报告制度;4.安全质量检查及跟踪处理制度、安全监测监控联合值守制度;5.安全办公会议制度;6.安全目标管理及奖惩制度;7.安全技术审批制度;8.安全教育培训制度;9.设备器材检查维修管理制度;10.爆破器材使用管理制度;11.入井检身和出入井人员清点制度6逐项检查各种制度及落实情况1、2、3条有缺项或未落实到位,本项不得分,4-11条每缺1项或未落实到位扣2分三图纸资料管理(5)煤矿应有下列图纸:1.矿井地质和水文地质图;2.井上、下对照图;3.采掘工程平面图;4.通风系统图和网络图;5.井下避灾路线图;5查看图纸资料《井上下对照图》、《采掘工程平面图》、《通风系统图》三种图纸每缺1种或发现图纸与实际不符的本项不得分,内容不全或填绘不项目项目内容及标准标准分考评得分检查方法评分办法6.井上、下供配电系统图和井下电器设备布置图;7.井下运输系统图;8.瓦斯抽采系统图;9.安全监测装备布置图;10.排水、防尘、防火注浆、压风、充填等管路系统图;11.井下通讯系统图;12.主要巷道布置图及时1处扣1分;其他图纸每缺1种或与实际不符扣1分四操作规程和作业规程(5)各工种操作规程齐全。采掘工作面均有符合《规程》规定的作业规程,且符合工作地点实际情况,并经总工程师(技术负责人)审批。作业规程内容符合相关法规和标准,有针对性、可操作性,内容齐全、整洁,图文清晰,保存完好,学习、贯彻手续完备,有考核和签名。施工及地质条件变化时有补充措施。维修作业点有符合要求的安全技术措施5逐项检查作业规程缺少1种该项不得分,主要工种的操作规程每少1种扣1分,内容不符合要求1处扣1分,其他工种操作规程每缺少1种扣0.5分,维修措施缺1项或内容不符合要求扣1分五矿用产品和安全规划、安全费用(9)1.按规定使用有煤矿矿用安全标志的产品;需检测检验的矿用产品按要求送有资质单位进行检测检验3按规定检查标志和检测检验情况发现一台(件)设备无煤矿矿用安全标志或使用国家明令淘汰禁止使用产品,该项不得分。发现1样使用产品未按要求送有资质单位检测检验合格的,扣1分2.井下各类标志牌齐全、清晰、准确2抽查发现一处不规范扣1分3.按规定提取和使用安全费用、安全风险抵押金、维简费2查台帐及有关资料未提取该项不得分;提取不足或未按规定管理和使用的扣1分4.年度灾害预防和处理计划、生产建设长远发展规划、年度生产建设计划、安全技术发展规划、安全技术措施计划等的编制和贯彻落实情况2逐项检查未编制该项不得分,编制内容不全扣1分;未落实一项扣1分六上级检查落实情况、技术资料建档1.对上级的有关文件和指示...

1、当您付费下载文档后,您只拥有了使用权限,并不意味着购买了版权,文档只能用于自身使用,不得用于其他商业用途(如 [转卖]进行直接盈利或[编辑后售卖]进行间接盈利)。
2、本站所有内容均由合作方或网友上传,本站不对文档的完整性、权威性及其观点立场正确性做任何保证或承诺!文档内容仅供研究参考,付费前请自行鉴别。
3、如文档内容存在违规,或者侵犯商业秘密、侵犯著作权等,请点击“违规举报”。

碎片内容

质量标准化验收表空表

您可能关注的文档

确认删除?
VIP
微信客服
  • 扫码咨询
会员Q群
  • 会员专属群点击这里加入QQ群
客服邮箱
回到顶部