电脑桌面
添加小米粒文库到电脑桌面
安装后可以在桌面快捷访问

住宅工程质量分户验收表、分户验收记录表(XXXX版)VIP免费

住宅工程质量分户验收表、分户验收记录表(XXXX版)_第1页
1/28
住宅工程质量分户验收表、分户验收记录表(XXXX版)_第2页
2/28
住宅工程质量分户验收表、分户验收记录表(XXXX版)_第3页
3/28
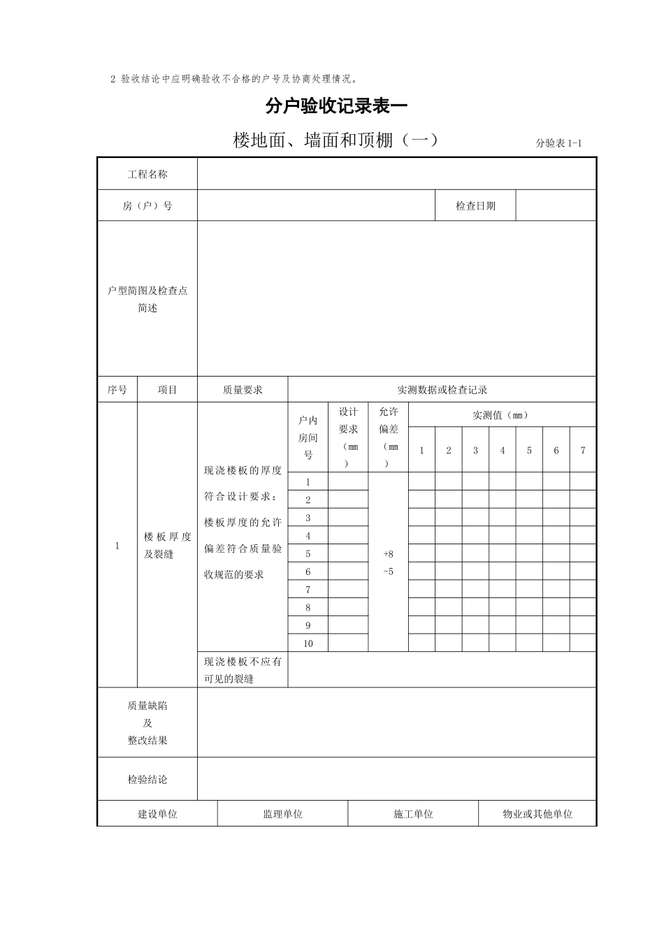
住宅工程质量分户验收表分验户表工程名称房(户)号建设单位验收日期施工单位监理单位序号验收项目主要验收内容验收记录1楼地面、墙面和顶棚地面裂缝、空鼓,墙面和顶棚爆灰、空鼓、裂缝,装饰图案、缝格、色泽、表面洁净2门窗窗台高度、渗水、门窗启闭、玻璃安装3栏杆栏杆高度、间距、安装牢固、防攀爬措施4防水工程屋面渗水、厨卫间渗水、阳台地面渗水、外墙渗水5室内主要空间尺寸开间净尺寸、室内净高6给排水工程管道渗水、管道坡向、安装固定、地漏水封、给水口位置7电气工程接地、相位、控制箱配置,开关、插座位置8建筑节能保温层厚度、固定措施9其它烟道、通风道、邮政信报箱等分户验收结论建设单位施工单位监理单位物业或其他单位项目负责人:验收人员:年月日项目经理:验收人员:年月日总监理工程师:验收人员:年月日项目负责人:验收人员:年月日重庆市建设工程质量监督总站监制住宅工程质量分户验收汇总表分验汇总表工程名称建筑面积建设单位结构及层数施工单位验收户数监理单位最终验收日期内容验收情况检验项目情况本工程已根据《重庆市住宅工程质量分户验收管理办法》要求,进行了分户验收。对屋面进行了24小时蓄水(2小时淋水)试验,发现屋面渗漏处;外窗及外墙进行了试验,发现外窗渗水个,外墙渗水处;室内有防水要求的房间进行了24小时蓄水试验间,发现渗漏间;室内有排水要求的房间和阳台进行了排水试验间,发现积水和渗水间。以上检查过程中发现的问题经整改后均已重新检查验收合格。室内共有户,验收合格户,验收不合格户;公共部分层,验收合格层,验收不合格层。验收结论建设单位施工单位监理单位物业或其他单位项目负责人:(公章)年月日项目经理:年月日总监理工程师:年月日项目负责人:年月日注:1本表完善后由工程建设各方留存并送质量监督机构备案。2验收结论中应明确验收不合格的户号及协商处理情况。分户验收记录表一楼地面、墙面和顶棚(一)分验表1-1工程名称房(户)号检查日期户型简图及检查点简述序号项目质量要求实测数据或检查记录1楼板厚度及裂缝现浇楼板的厚度符合设计要求;楼板厚度的允许偏差符合质量验收规范的要求户内房间号设计要求(㎜)允许偏差(㎜)实测值(㎜)12345671+8-52345678910现浇楼板不应有可见的裂缝质量缺陷及整改结果检验结论建设单位监理单位施工单位物业或其他单位年月日年月日年月日年月日重庆市建设工程质量监督总站监制填表说明1.现浇楼板厚度及裂缝检验方法:板厚及裂缝检查均在主体结构施工过程中分别进行测量和目测检查。板面裂缝检查目测高度宜距地1.5m左右,俯视检查;板底裂缝检查应站立室内地面仰视目测检查。检查数量:自然间全数检查。其中板厚检查起居室和卧室测点应不少于5点,其中一个测点应布置在房间中部,即4角点加1中心点;其余房间、阳台各测不少于3点,即在房间或阳台一条对角线上2角点加1中心点;角部测点宜在墙角(或板角)距墙面(或板角)长、宽两个方向均约500mm处。注:检查单元的确定应按每户或每层楼的公共部分走道和楼梯间进行划分。分户验收记录表一楼地面、墙面和顶棚(二)分验表1-2工程名称房(户)号检查日期序号项目质量要求检查记录2楼地面面层整体面层面层与各构造层之间下一层应结合牢固,无空鼓;表面不应有裂缝、脱皮、麻面、起砂等缺陷有排水坡度要求的,表面坡度应符合设计要求,不得有倒泛水和积水3板块面层结合层上铺设时,面层与下一层的结合(粘接)应牢固,无空鼓或松动板块无裂纹、掉角、缺楞等缺陷,镶嵌正确,接缝均匀、顺直,色泽均匀一致,图案清晰,面层表面的平整度和坡度符合要求4竹、木面面层铺设应牢固层板的拼缝平直度、宽度及与踢脚线的接缝、相邻板高差符合要求,接头构造正确,板面无翘曲,颜色均匀,图案清晰,面层平整度符合要求质量缺陷及整改结果检验结论建设单位监理单位施工单位物业或其他单位年月日年月日年月日年月日重庆市建设工程质量监督总站监制填表说明2.楼地面面层空鼓面积不大于400cm2,且每自然间不多于2处者可不计。检验方法:空鼓用小锤锤击检查;坡度泼水检查,表面平整度、缝格平直度、接缝高低差和宽度目测观察检查,必...

1、当您付费下载文档后,您只拥有了使用权限,并不意味着购买了版权,文档只能用于自身使用,不得用于其他商业用途(如 [转卖]进行直接盈利或[编辑后售卖]进行间接盈利)。
2、本站所有内容均由合作方或网友上传,本站不对文档的完整性、权威性及其观点立场正确性做任何保证或承诺!文档内容仅供研究参考,付费前请自行鉴别。
3、如文档内容存在违规,或者侵犯商业秘密、侵犯著作权等,请点击“违规举报”。

碎片内容

住宅工程质量分户验收表、分户验收记录表(XXXX版)

书海行舟+ 关注
实名认证
内容提供者

热爱教学事业,对互联网知识分享很感兴趣

确认删除?
VIP
微信客服
  • 扫码咨询
会员Q群
  • 会员专属群点击这里加入QQ群
客服邮箱
回到顶部