电脑桌面
添加小米粒文库到电脑桌面
安装后可以在桌面快捷访问

著名公司-供应商体系审查表IQC用VIP免费

著名公司-供应商体系审查表IQC用_第1页
1/18
著名公司-供应商体系审查表IQC用_第2页
2/18
著名公司-供应商体系审查表IQC用_第3页
3/18
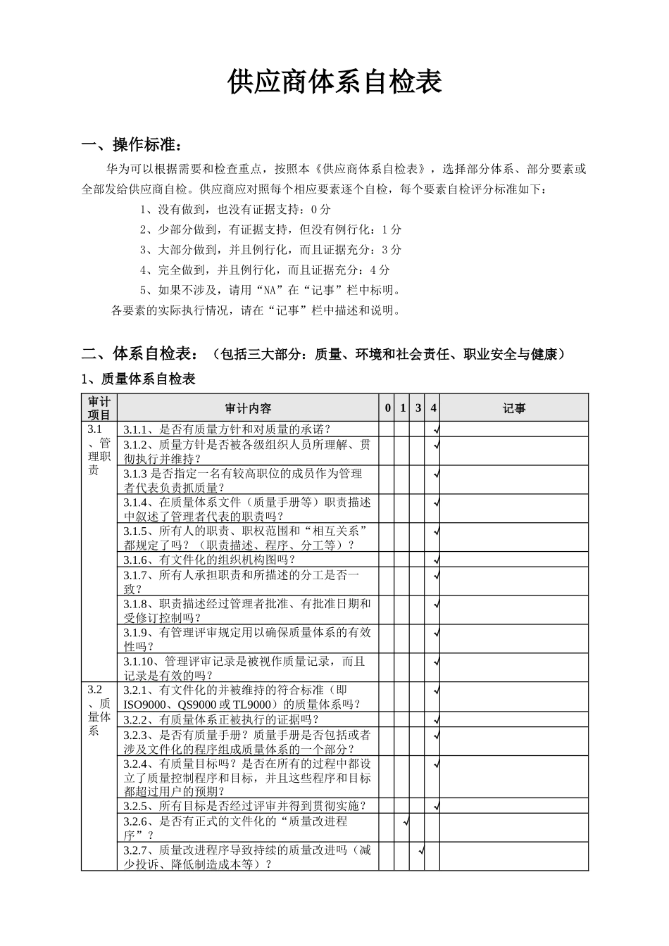
供应商体系自检表供应商名称主要业务自检工厂名称自检工厂地址联系人电话传真E-mail网址拟制:审核:批准:.拟制时间:年月日供应商体系自检表一、操作标准:华为可以根据需要和检查重点,按照本《供应商体系自检表》,选择部分体系、部分要素或全部发给供应商自检。供应商应对照每个相应要素逐个自检,每个要素自检评分标准如下:1、没有做到,也没有证据支持:0分2、少部分做到,有证据支持,但没有例行化:1分3、大部分做到,并且例行化,而且证据充分:3分4、完全做到,并且例行化,而且证据充分:4分5、如果不涉及,请用“NA”在“记事”栏中标明。各要素的实际执行情况,请在“记事”栏中描述和说明。二、体系自检表:(包括三大部分:质量、环境和社会责任、职业安全与健康)1、质量体系自检表审计项目审计内容0134记事3.1、管理职责3.1.1、是否有质量方针和对质量的承诺?√3.1.2、质量方针是否被各级组织人员所理解、贯彻执行并维持?√3.1.3是否指定一名有较高职位的成员作为管理者代表负责抓质量?√3.1.4、在质量体系文件(质量手册等)职责描述中叙述了管理者代表的职责吗?√3.1.5、所有人的职责、职权范围和“相互关系”都规定了吗?(职责描述、程序、分工等)?√3.1.6、有文件化的组织机构图吗?√3.1.7、所有人承担职责和所描述的分工是否一致?√3.1.8、职责描述经过管理者批准、有批准日期和受修订控制吗?√3.1.9、有管理评审规定用以确保质量体系的有效性吗?√3.1.10、管理评审记录是被视作质量记录,而且记录是有效的吗?√3.2、质量体系3.2.1、有文件化的并被维持的符合标准(即ISO9000、QS9000或TL9000)的质量体系吗?√3.2.2、有质量体系正被执行的证据吗?√3.2.3、是否有质量手册?质量手册是否包括或者涉及文件化的程序组成质量体系的一个部分?√3.2.4、有质量目标吗?是否在所有的过程中都设立了质量控制程序和目标,并且这些程序和目标都超过用户的预期?√3.2.5、所有目标是否经过评审并得到贯彻实施?√3.2.6、是否有正式的文件化的“质量改进程序”?√3.2.7、质量改进程序导致持续的质量改进吗(减少投诉、降低制造成本等)?√审计项目审计内容0134记事3.2.8、质量改进程序跟踪质量成本吗?√3.2.9、有降低成本的程序支持对客户的降价吗?√3.2.10、按月向客户报告质量水平吗?√3.2.11、品质管理3.2.12、品质系统软件工具√3.2.13、失效分析能力(物料根本原因分析)√3.2.14、业界基准的改进成效√3.2.15、质量成本规划√3.2.16、是否制订了长期和短期的质量计划?√3.2.17、质量计划中是否涵盖了生产周期、客户服务、培训、成本、交付承诺及产品可靠度?√3.2.18、由哪个部门对计划实施的情况进行监控和报告?是否保持实施记录、监控和报告记录?√3.2.19、是否制定客户参与质量策划活动的指引或方法说明?是否与客户一起共同制定质量改进计划?√3.2.20、是否制定了供应商参与质量策划活动的指引或方法说明?供应商是否参与制定质量改进计划?√3.2.21、是否制定将组织业绩和顾客满意水平知会公司内部员工的程序?是否例行化实施?√3.2.22、组织采取何种方式向企业员工提供质量业绩与顾客满意水平?向员工提供组织业绩与顾客满意水平的周期是多长时间?通过全员会议和资料揭示进行传达;每月度一次.3.2.23、是否建立并实施了鼓励员工参与持续改进过程的方法和途径?员工是否了解参与改进的方法?√3.2.24、员工是否积极参与到持续改进活动中?员工参与质量改进的效果如何?√3.3、合同评审3.3.1、有文件化的合同评审吗?√3.3.2、规定了合同评审程序吗?√3.3.3、所有类型的订单都评审吗(厂内的、其它公司的等)?√3.3.4、如接到电话(口头)订货,是否记录下来以便将书面的订货与以前的协议相比较?√3.3.5、是否有合同修订的程序并且将信息正确传达到组织内的有关职能部门?√3.3.6、保存合同评审过程的记录吗?√3.3.7、当多个部门参与合同评审时,有证据证明所有相关人员都参加评审并且批准了合同吗?√3.3.8、有接受客户包装合同要求的记录吗?3.3.9、同意向客户通报产品更改吗?√3.3.10、合同评审记录是作为质量记录的吗?√3.3....

1、当您付费下载文档后,您只拥有了使用权限,并不意味着购买了版权,文档只能用于自身使用,不得用于其他商业用途(如 [转卖]进行直接盈利或[编辑后售卖]进行间接盈利)。
2、本站所有内容均由合作方或网友上传,本站不对文档的完整性、权威性及其观点立场正确性做任何保证或承诺!文档内容仅供研究参考,付费前请自行鉴别。
3、如文档内容存在违规,或者侵犯商业秘密、侵犯著作权等,请点击“违规举报”。

碎片内容

著名公司-供应商体系审查表IQC用

确认删除?
VIP
微信客服
  • 扫码咨询
会员Q群
  • 会员专属群点击这里加入QQ群
客服邮箱
回到顶部