电脑桌面
添加小米粒文库到电脑桌面
安装后可以在桌面快捷访问

住宅工程质量分户验收表VIP免费

住宅工程质量分户验收表_第1页
1/35
住宅工程质量分户验收表_第2页
2/35
住宅工程质量分户验收表_第3页
3/35
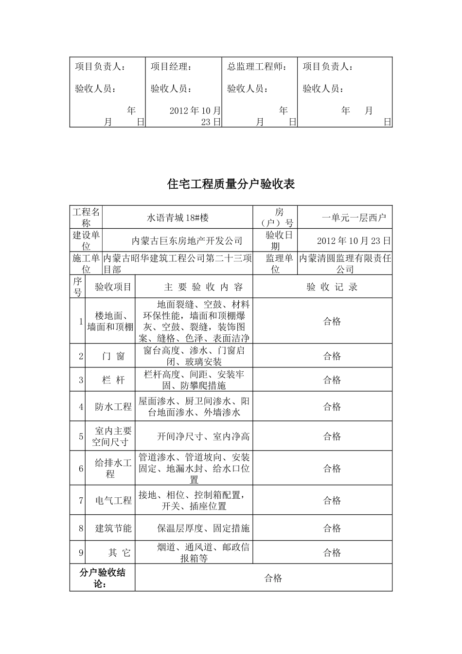
住宅工程质量分户验收表工程名称水语青城18#楼房(户)号一单元一层东户建设单位内蒙古巨东房地产开发公司验收日期2012年10月23日施工单位内蒙古昭华建筑工程公司第二十三项目部监理单位内蒙清圆监理有限责任公司序号验收项目主要验收内容验收记录1楼地面、墙面和顶棚地面裂缝、空鼓、材料环保性能,墙面和顶棚爆灰、空鼓、裂缝,装饰图案、缝格、色泽、表面洁净合格2门窗窗台高度、渗水、门窗启闭、玻璃安装合格3栏杆栏杆高度、间距、安装牢固、防攀爬措施合格4防水工程屋面渗水、厨卫间渗水、阳台地面渗水、外墙渗水合格5室内主要空间尺寸开间净尺寸、室内净高合格6给排水工程管道渗水、管道坡向、安装固定、地漏水封、给水口位置合格7电气工程接地、相位、控制箱配置,开关、插座位置合格8建筑节能保温层厚度、固定措施合格9其它烟道、通风道、邮政信报箱等合格分户验收结论:合格建设单位施工单位监理单位物业或其他单位项目负责人:验收人员:年月日项目经理:验收人员:2012年10月23日总监理工程师:验收人员:年月日项目负责人:验收人员:年月日住宅工程质量分户验收表工程名称水语青城18#楼房(户)号一单元一层中户建设单位内蒙古巨东房地产开发公司验收日期2012年10月23日施工单位内蒙古昭华建筑工程公司第二十三项目部监理单位内蒙清圆监理有限责任公司序号验收项目主要验收内容验收记录1楼地面、墙面和顶棚地面裂缝、空鼓、材料环保性能,墙面和顶棚爆灰、空鼓、裂缝,装饰图案、缝格、色泽、表面洁净合格2门窗窗台高度、渗水、门窗启闭、玻璃安装合格3栏杆栏杆高度、间距、安装牢固、防攀爬措施合格4防水工程屋面渗水、厨卫间渗水、阳台地面渗水、外墙渗水合格5室内主要空间尺寸开间净尺寸、室内净高合格6给排水工程管道渗水、管道坡向、安装固定、地漏水封、给水口位置合格7电气工程接地、相位、控制箱配置,开关、插座位置合格8建筑节能保温层厚度、固定措施合格9其它烟道、通风道、邮政信报箱等合格分户验收结论:合格建设单位施工单位监理单位物业或其他单位项目负责人:验收人员:年月日项目经理:验收人员:2012年10月23日总监理工程师:验收人员:年月日项目负责人:验收人员:年月日住宅工程质量分户验收表工程名称水语青城18#楼房(户)号一单元一层西户建设单位内蒙古巨东房地产开发公司验收日期2012年10月23日施工单位内蒙古昭华建筑工程公司第二十三项目部监理单位内蒙清圆监理有限责任公司序号验收项目主要验收内容验收记录1楼地面、墙面和顶棚地面裂缝、空鼓、材料环保性能,墙面和顶棚爆灰、空鼓、裂缝,装饰图案、缝格、色泽、表面洁净合格2门窗窗台高度、渗水、门窗启闭、玻璃安装合格3栏杆栏杆高度、间距、安装牢固、防攀爬措施合格4防水工程屋面渗水、厨卫间渗水、阳台地面渗水、外墙渗水合格5室内主要空间尺寸开间净尺寸、室内净高合格6给排水工程管道渗水、管道坡向、安装固定、地漏水封、给水口位置合格7电气工程接地、相位、控制箱配置,开关、插座位置合格8建筑节能保温层厚度、固定措施合格9其它烟道、通风道、邮政信报箱等合格分户验收结论:合格建设单位施工单位监理单位物业或其他单位项目负责人:验收人员:年月日项目经理:验收人员:2012年10月23日总监理工程师:验收人员:年月日项目负责人:验收人员:年月日住宅工程质量分户验收表工程名称水语青城18#楼房(户)号一单元二层东户建设单位内蒙古巨东房地产开发公司验收日期2012年10月23日施工单位内蒙古昭华建筑工程公司第二十三项目部监理单位内蒙清圆监理有限责任公司序号验收项目主要验收内容验收记录1楼地面、墙面和顶棚地面裂缝、空鼓、材料环保性能,墙面和顶棚爆灰、空鼓、裂缝,装饰图案、缝格、色泽、表面洁净合格2门窗窗台高度、渗水、门窗启闭、玻璃安装合格3栏杆栏杆高度、间距、安装牢固、防攀爬措施合格4防水工程屋面渗水、厨卫间渗水、阳台地面渗水、外墙渗水合格5室内主要空间尺寸开间净尺寸、室内净高合格6给排水工程管道渗水、管道坡向、安装固定、地漏水封、给水口位置合格7电气工程接地、相位、控制箱配置,开关、插座位置合格8建筑节能保温层厚度、固定措施...

1、当您付费下载文档后,您只拥有了使用权限,并不意味着购买了版权,文档只能用于自身使用,不得用于其他商业用途(如 [转卖]进行直接盈利或[编辑后售卖]进行间接盈利)。
2、本站所有内容均由合作方或网友上传,本站不对文档的完整性、权威性及其观点立场正确性做任何保证或承诺!文档内容仅供研究参考,付费前请自行鉴别。
3、如文档内容存在违规,或者侵犯商业秘密、侵犯著作权等,请点击“违规举报”。

碎片内容

住宅工程质量分户验收表

书海行舟+ 关注
实名认证
内容提供者

热爱教学事业,对互联网知识分享很感兴趣

确认删除?
VIP
微信客服
  • 扫码咨询
会员Q群
  • 会员专属群点击这里加入QQ群
客服邮箱
回到顶部