电脑桌面
添加小米粒文库到电脑桌面
安装后可以在桌面快捷访问

质量通病图集五VIP免费

质量通病图集五_第1页
1/5
质量通病图集五_第2页
2/5
质量通病图集五_第3页
3/5
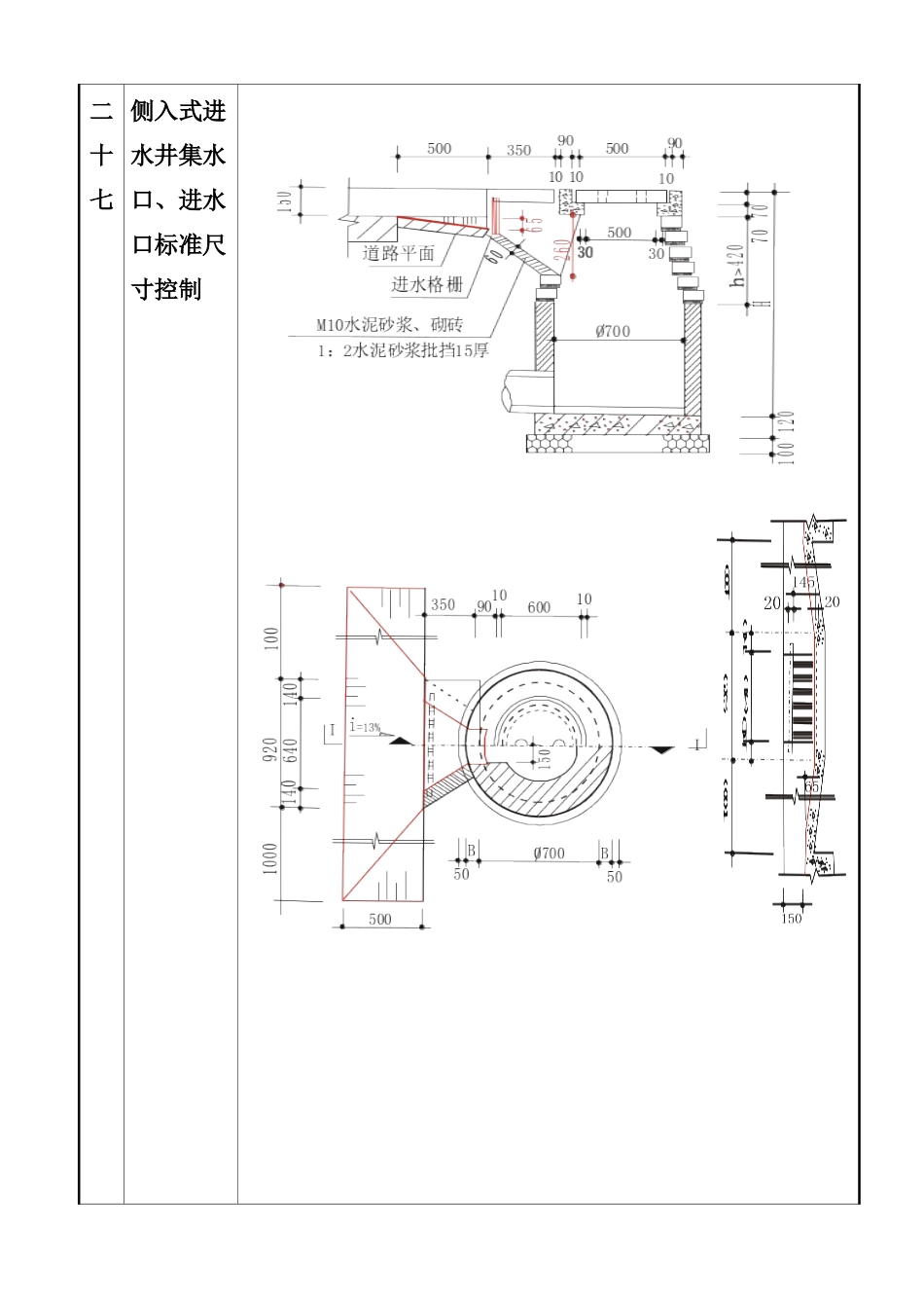
项次工序节点名称要求与做法二十七侧入式进水井集水口、进水口标准尺寸控制1、侧入式进入井应按设计图尺寸建造,正常情况下,集水口长度应达到2920mm,进水口长度为640mm。2、进水口入井处应保证入口宽度达到300mm。3、竖隔栅前进水位置应比两侧平石面低30mm。项次工序节点名称要求与做法二十八水泥混凝土路面①板面、边角应整齐,不得有大于0.3mm的裂缝,不得有露石、浮浆、脱皮、印痕、积水等现象。②路面附属构筑物,应事先按设计标高予以升降,使能与铺筑的路面连接平顺,对扰动过的部分路基及构筑物周围,要认真检修夯实,加固处理妥善。③伸缩缝必须垂直道路中线,缝隙宽度必须一致。伸缝两边相邻的混凝土板必须完全断开,两边板面应保持齐平顺直,缩缝的施工应采用切缝法。缝隙填塞前必须将缝内的砂泥、垃圾清除干净,并应在缝壁粘附紧密,灌缝饱满不渗水,且不突出路面,缝缘应清洁。④砼路面板平整度允许偏差为5mm/3m,相邻板高差为3mm,纵横缝直顺度允许偏差为10mm/20m,井框与路面高差为3mm。⑤道路附属构筑物及人行道:(1)侧石、缘石必须稳固,应线直、弯顺,无折角,顶面应平整无错牙,侧石勾缝严密饱满,不得阻水。侧石直顺度允许偏差10mm/100mm,相邻块高差3mm/20m,缝宽±3mm/20m。(2)预制块人行道铺砌必须平整稳定,灌缝应饱满,不得有翘动现象,不得有积水现象。二十九沥青混凝土路面①表面应平整、坚实,不得有脱落、掉渣、裂缝、推挤、烂边、粗细料集中等现象。②接搓应紧密、平顺,烫缝不应枯焦。③见水泥混凝土路面②。④面层与路面缘石及雨水进水口,排水井、水制井及通讯线路等外缘壁面应接顺,不得有积水现象。⑤沥青砼路面平整度允许偏差5mm/3m,井框与路面的高差5mm。⑥道路附属构筑物及人行道,见水泥混凝土路面⑤。

1、当您付费下载文档后,您只拥有了使用权限,并不意味着购买了版权,文档只能用于自身使用,不得用于其他商业用途(如 [转卖]进行直接盈利或[编辑后售卖]进行间接盈利)。
2、本站所有内容均由合作方或网友上传,本站不对文档的完整性、权威性及其观点立场正确性做任何保证或承诺!文档内容仅供研究参考,付费前请自行鉴别。
3、如文档内容存在违规,或者侵犯商业秘密、侵犯著作权等,请点击“违规举报”。

碎片内容

质量通病图集五

您可能关注的文档

确认删除?
VIP
微信客服
  • 扫码咨询
会员Q群
  • 会员专属群点击这里加入QQ群
客服邮箱
回到顶部