电脑桌面
添加小米粒文库到电脑桌面
安装后可以在桌面快捷访问

省国税网上办税出口退税子系统VIP免费

省国税网上办税出口退税子系统_第1页
1/16
省国税网上办税出口退税子系统_第2页
2/16
省国税网上办税出口退税子系统_第3页
3/16
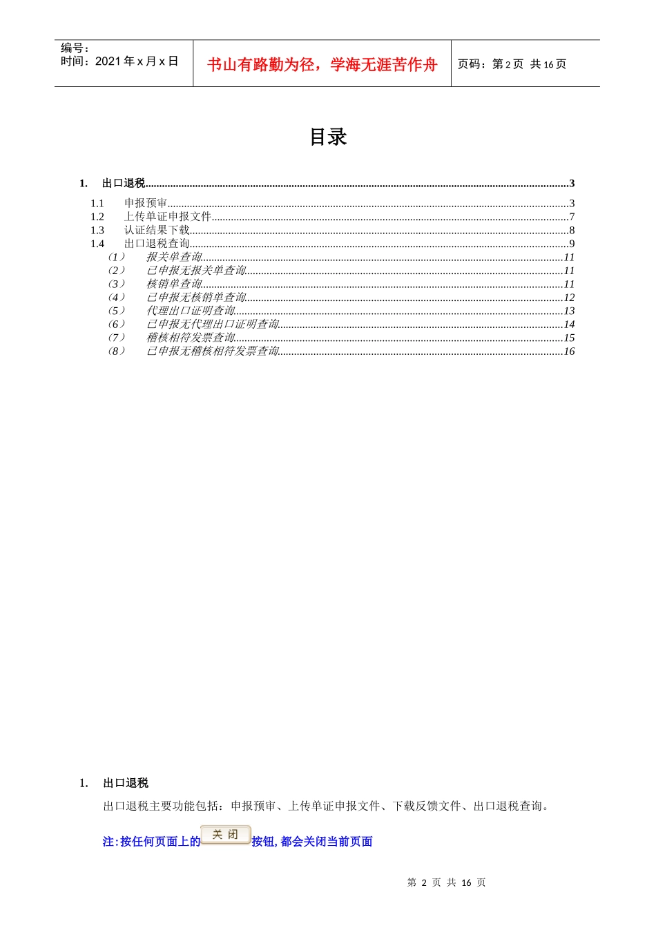
广州市方欣科技有限公司用户操作指南版本1.0.0第2页共16页编号:时间:2021年x月x日书山有路勤为径,学海无涯苦作舟页码:第2页共16页目录1.出口退税.........................................................................................................................................................31.1申报预审.................................................................................................................................................31.2上传单证申报文件.................................................................................................................................71.3认证结果下载.........................................................................................................................................81.4出口退税查询.........................................................................................................................................9(1)报关单查询...................................................................................................................................11(2)已申报无报关单查询...................................................................................................................11(3)核销单查询...................................................................................................................................11(4)已申报无核销单查询...................................................................................................................12(5)代理出口证明查询.......................................................................................................................13(6)已申报无代理出口证明查询.......................................................................................................14(7)稽核相符发票查询.......................................................................................................................15(8)已申报无稽核相符发票查询.......................................................................................................161.出口退税出口退税主要功能包括:申报预审、上传单证申报文件、下载反馈文件、出口退税查询。注:按任何页面上的按钮,都会关闭当前页面第3页共16页第2页共16页编号:时间:2021年x月x日书山有路勤为径,学海无涯苦作舟页码:第3页共16页1.1申报预审用户首先填写申报预审的“所属年月”(系统默认为上个月),并上传预审文件(预审文件打包为一个zip文件),点击申报预审区内的按钮就开始了预审申报的过程。在预申报过程中会进行各种检查(具体检查规则由各个税局自己定义),然后给出反馈结果清单,可以下载或者打印,输入界面如下图所示:操作步骤:(1)在输入框里输入所属年月,格式为yyyymm。用户也可选择点击来选择所属年月;第4页共16页第3页共16页编号:时间:2021年x月x日书山有路勤为径,学海无涯苦作舟页码:第4页共16页(2)点击按钮.系统弹出“选择文件”对话框。在对话框中选中需要上传的文件(文件后缀为*.zip格式,只支持zip格式的文件),然后点击按钮:(3)点击按钮,开始进行文件上传并预审;(4)如果申报预审全部通过将会出现成功页面:(5)预审完毕后将会出现一个清单(外贸企业和生产企业的清单有所不同),下面两张图分别是外贸企业和生产企业的预申报清单:第5页共16页第4页共16页编号:时间:2021年x月x日书山有路勤为径,学海无涯苦作舟页码:第5页共16页生产企业申报预审结果清单第6页共16页第5页共16页编号:时间:2021年x月x日书山有路勤为径,学海无涯苦作舟页码:第6页共16页外贸企业申报预审结果清单(6)单击可以导出详细清单文件,格式为*.xls的Excel文件;...

1、当您付费下载文档后,您只拥有了使用权限,并不意味着购买了版权,文档只能用于自身使用,不得用于其他商业用途(如 [转卖]进行直接盈利或[编辑后售卖]进行间接盈利)。
2、本站所有内容均由合作方或网友上传,本站不对文档的完整性、权威性及其观点立场正确性做任何保证或承诺!文档内容仅供研究参考,付费前请自行鉴别。
3、如文档内容存在违规,或者侵犯商业秘密、侵犯著作权等,请点击“违规举报”。

碎片内容

省国税网上办税出口退税子系统

您可能关注的文档

确认删除?
VIP
微信客服
  • 扫码咨询
会员Q群
  • 会员专属群点击这里加入QQ群
客服邮箱
回到顶部